GM Service Manual Online
For 1990-2009 cars only
Figure 1:

Hazard and Turn Signal Lamps


Object Number: 1262947  Size: FS
Master Electrical Component List
Park Lamps
Instrument Panel Fuse Block - ECM and TCM Fuses, Underhood Fuse Block - AUDIO, CIGAR LIGHTER, CLUSTER, AIRBAG, POWER WINDOW and TURN SIGNAL Fuses
Underhood Fuse Block (1.0L) - IP FUSEBOX Fuse, IGNITION SWITCH, IP FUSE Block (1.0L) - STOP LAMPS, ROOM LAMP, HAZARD LAMP, and CENTRAL DOOR LOCK Fuses
Underhood Fuse Block (1.0L) - IP FUSEBOX Fuse, IGNITION SWITCH, IP FUSE Block (1.0L) - STOP LAMPS, ROOM LAMP, HAZARD LAMP, and CENTRAL DOOR LOCK Fuses
Interior Lamps (w/ Dimming Controls)
Underhood Fuse Block (1.0L) - IP FUSEBOX Fuse, IGNITION SWITCH, IP FUSE Block (1.0L) - STOP LAMPS, ROOM LAMP, HAZARD LAMP, and CENTRAL DOOR LOCK Fuses
Underhood Fuse Block (1.0L) - IP FUSEBOX Fuse, IGNITION SWITCH, IP FUSE Block (1.0L) - STOP LAMPS, ROOM LAMP, HAZARD LAMP, and CENTRAL DOOR LOCK Fuses
Content Theft Deterrent (w/ Immbolizer)
Content Theft Deterrent (w/ Immbolizer)
Instrument Cluster Gages (0.8L Fenix - M/T)
G201 (1.0L)
Interior Lamps (w/ Dimming Controls)
Instrument Cluster Gages (0.8L Fenix - M/T)
G201 (1.0L)
G101
G102
Figure 2:

Park Lamps


Object Number: 1257306  Size: FS
Master Electrical Component List
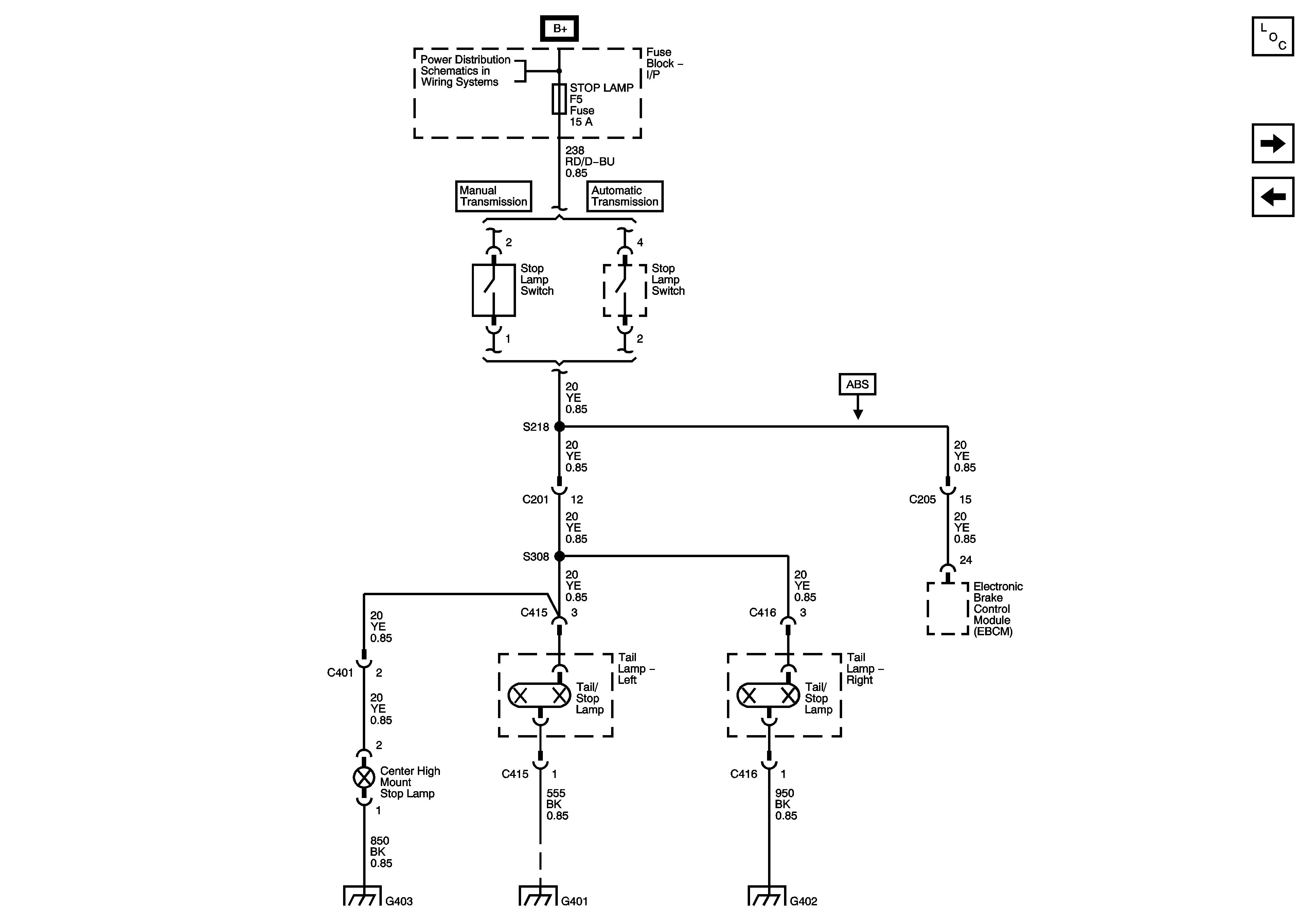
Stop Lamps
Hazard and Turn Signal Lamps
Underhood Fuse Block - ABS - RH TAIL LAMP, LH TAIL LAMP and HORN Fuses
Underhood Fuse Block - ABS - RH TAIL LAMP, LH TAIL LAMP and HORN Fuses
G201 (1.0L)
Figure 3:

Stop Lamps


Object Number: 1257309  Size: FS
Master Electrical Component List
Backup Lamps
Park Lamps
Underhood Fuse Block (1.0L) - IP FUSEBOX Fuse, IGNITION SWITCH, IP FUSE Block (1.0L) - STOP LAMPS, ROOM LAMP, HAZARD LAMP, and CENTRAL DOOR LOCK Fuses
Figure 4:

Backup Lamps


Object Number: 1262968  Size: FS
Master Electrical Component List
Stop Lamps
Instrument Panel Fuse Block - FRONT WIPER, BACKUP LAMP, and MIRROR Fuses
Instrument Panel Fuse Block - START MOTOR Fuse, Underhood Fuse Block (0.8L) - TCM Fuse
Instrument Panel Fuse Block - START MOTOR Fuse, Underhood Fuse Block (0.8L) - TCM Fuse
G401, G402, G403, and G404