GM Service Manual Online
For 1990-2009 cars only

Ground Distribution Schematics asdfasdf

Figure 1:

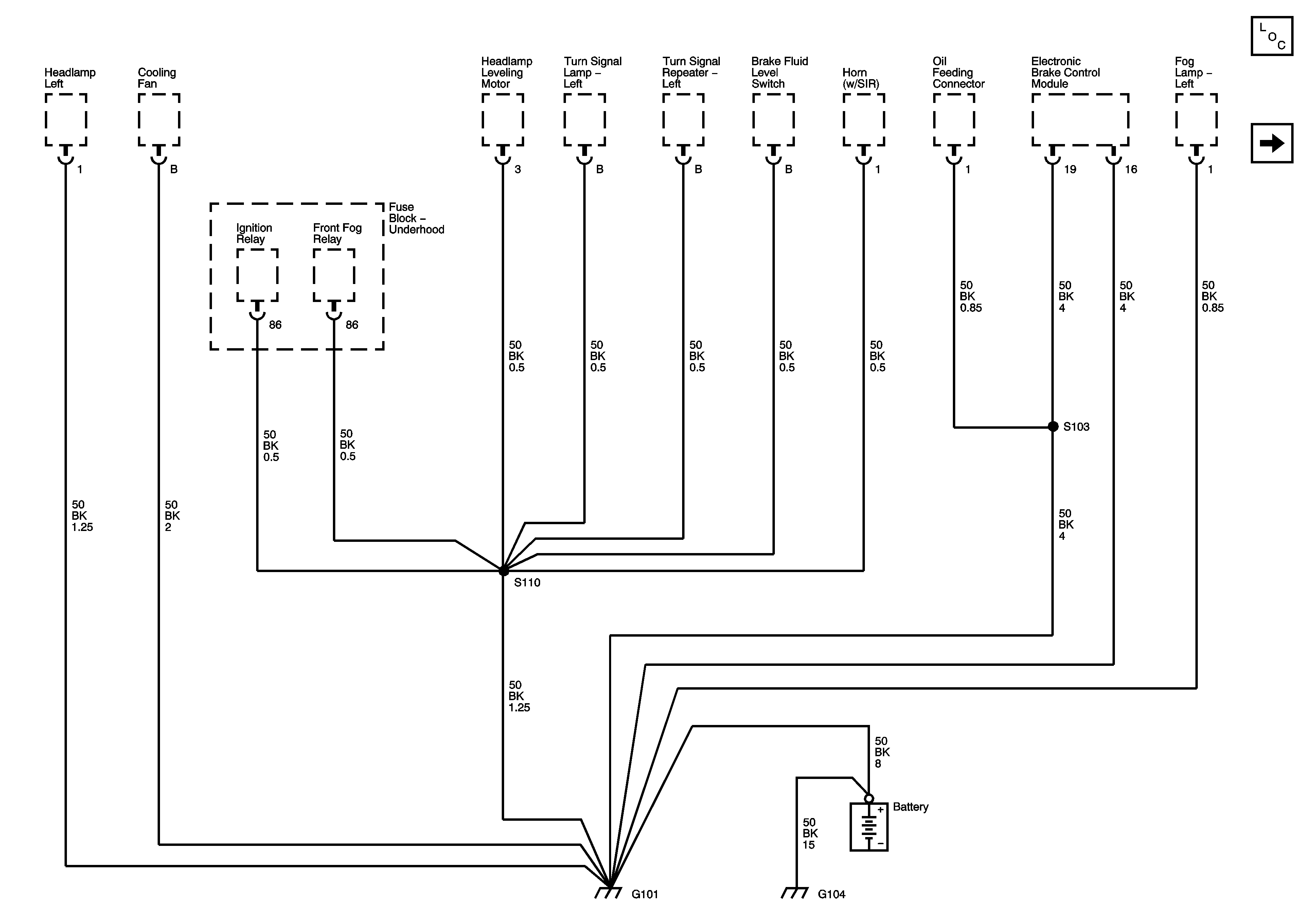
G101


Object Number: 1511848  Size: FS
Master Electrical Component List
G102
Figure 2:

G102


Object Number: 1511850  Size: FS
Master Electrical Component List
G103 (0.8L Sirius-D3)
G101
Figure 3:

G103 (0.8L Sirius-D3)


Object Number: 1511852  Size: FS
Master Electrical Component List
G103 (0.8L Fenix)
G102
Figure 4:

G103 (0.8L Fenix)


Object Number: 1511853  Size: FS
Master Electrical Component List
G103 (1.0L Sirius-D4)
G103 (0.8L Sirius-D3)
Figure 5:

G103 (1.0L Sirius-D4)


Object Number: 1511854  Size: FS
Master Electrical Component List
G201 (0.8L)
G103 (0.8L Fenix)
Figure 6:

G201 (0.8L)


Object Number: 1511855  Size: FS
Master Electrical Component List
G201 (0.8L) (Contd)
G103 (1.0L Sirius-D4)
Figure 7:

G201 (0.8L) (Cont'd)


Object Number: 1511856  Size: FS
Master Electrical Component List
G201 (1.0L)
G201 (0.8L)
Figure 8:

G201 (1.0L)


Object Number: 1511859  Size: FS
Master Electrical Component List
G201 (1.0L) (Contd)
G201 (0.8L) (Contd)
G201 (1.0L) (Contd)
Figure 9:

G201 (1.0L) (Cont'd)


Object Number: 1511873  Size: FS
Master Electrical Component List
G301 and G302
G201 (1.0L)
G201 (1.0L)
Figure 10:

G301 and G302


Object Number: 1511874  Size: FS
Master Electrical Component List
G401, G402, G403, and G404
G201 (1.0L) (Contd)
Figure 11:

G401, G402, G403, and G404


Object Number: 1511875  Size: FS
Master Electrical Component List
G301 and G302