GM Service Manual Online
For 1990-2009 cars only
Makes
🢒
Chevrolet
🢒
2007
🢒
Spark
🢒
HVAC
🢒
HVAC - Manual
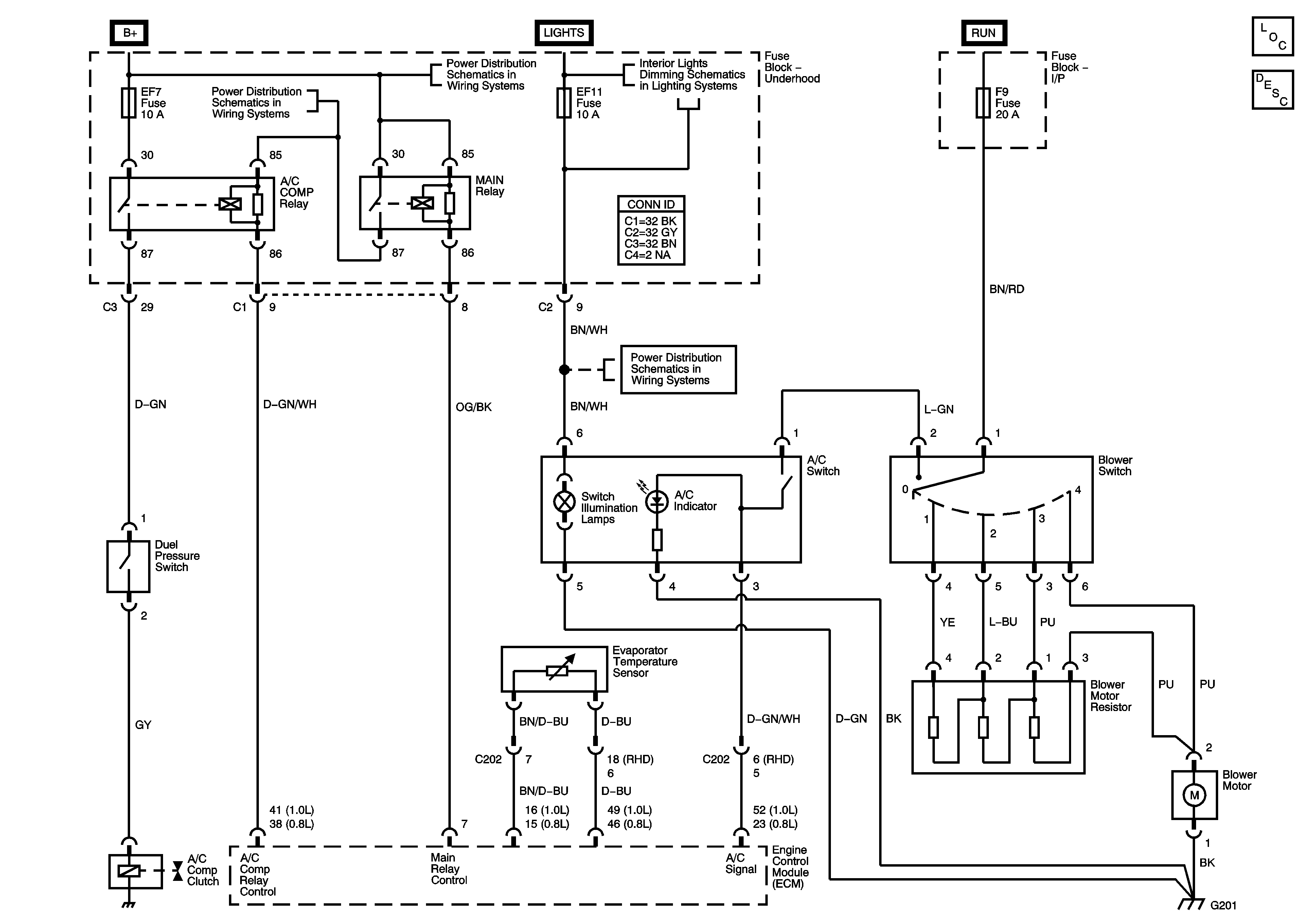
🢒 HVAC Schematics
HVAC Schematics HVAC - Manual
HVAC Schematics Heater Controls (w/o A/C)
HVAC Heater Controls