GM Service Manual Online
For 1990-2009 cars only

Interior Lights Schematics Except Luxury

Figure 1:

Cell 114: CTSY Fuse 3, Door Jamb Switches


Object Number: 366461  Size: FS
Lighting Systems Components
Interior Lights Circuit Description
Cell 114: GAUGES Fuse 4, Interior Lamp Control Module
Cell 14: G400
Cell 114: Rear Dome and Reading Lamps, Door Courtesy Lamps (Suburban/Utility/Crew Cab w/ Auxiliary Lighting)
Cell 114: Rear Dome and Reading Lamps, Door Courtesy Lamps (Suburban/Utility/Crew Cab w/ Auxiliary Lighting)
Cell 114: Rear Dome and Reading Lamps, Door Courtesy Lamps (Suburban/Utility/Crew Cab w/ Auxiliary Lighting)
Cell 114: GAUGES Fuse 4, Interior Lamp Control Module
Cell 114: Rear Dome and Reading Lamps, Door Courtesy Lamps (Suburban/Utility/Crew Cab w/ Auxiliary Lighting)
Cell 10: T CASE, and CTSY Fuses (1 of 2)
Cell 10: T CASE, and CTSY Fuses (1 of 2)
Cell 14: G200 (4 of 4)
Figure 2:

Cell 114: GAUGES Fuse 4, Interior Lamp Control Module


Object Number: 366442  Size: FS
Interior Lights Circuit Description
Cell 114: Rear Dome and Reading Lamps, Door Courtesy Lamps (Suburban/Utility/Crew Cab w/ Auxiliary Lighting)
Cell 114: CTSY Fuse 3, Door Jamb Switches
Handling ESD Sensitive Parts Notice
Cell 14: G202 (1 of 4)
Lighting Systems Components
Cell 10: GAUGES Fuse
Cell 10: IGN A Fuse and Ignition Switch
Handling ESD Sensitive Parts Notice
Cell 114: Rear Dome and Reading Lamps, Door Courtesy Lamps (Suburban/Utility/Crew Cab w/ Auxiliary Lighting)
Cell 114: Rear Dome and Reading Lamps, Door Courtesy Lamps (Suburban/Utility/Crew Cab w/ Auxiliary Lighting)
Cell 114: CTSY Fuse 3, Door Jamb Switches
Figure 3:

Cell 114: Rear Dome and Reading Lamps, Door Courtesy Lamps (Suburban/Utility/Crew Cab w/ Auxiliary Lighting)


Object Number: 366463  Size: FS
Interior Lights Circuit Description
Cell 114: CTSY Fuse 3, Door Jamb Switches
Cell 114: Overhead Console Reading Lamps, Dome/Reading Lamps
Cell 114: GAUGES Fuse 4, Interior Lamp Control Module
Lighting Systems Components
Cell 114: CTSY Fuse 3, Door Jamb Switches
Cell 114: GAUGES Fuse 4, Interior Lamp Control Module
Cell 114: Overhead Console Reading Lamps, Dome/Reading Lamps
Cell 114: Overhead Console Reading Lamps, Dome/Reading Lamps
Cell 114: Overhead Console Reading Lamps, Dome/Reading Lamps
Cell 114: CTSY Fuse 3, Door Jamb Switches
Cell 114: CTSY Fuse 3, Door Jamb Switches
Cell 114: Overhead Console Reading Lamps, Dome/Reading Lamps
Cell 114: Overhead Console Reading Lamps, Dome/Reading Lamps
Cell 114: CTSY Fuse 3, Door Jamb Switches
Cell 114: GAUGES Fuse 4, Interior Lamp Control Module
Figure 4:

Cell 114: Overhead Console Reading Lamps, Dome/Reading Lamps


Object Number: 366424  Size: FS
Interior Lights Circuit Description
Cell 114: CTSY Fuse 3, Illuminated Vanity Mirrors
Cell 114: Rear Dome and Reading Lamps, Door Courtesy Lamps (Suburban/Utility/Crew Cab w/ Auxiliary Lighting)
Cell 14: G400
Cell 114: Rear Dome and Reading Lamps, Door Courtesy Lamps (Suburban/Utility/Crew Cab w/ Auxiliary Lighting)
Lighting Systems Components
Figure 5:

Cell 114: CTSY Fuse 3, Illuminated Vanity Mirrors


Object Number: 366446  Size: FS
Cell 114: Overhead Console Reading Lamps, Dome/Reading Lamps
Interior Lights Circuit Description
Cell 14: G200 (4 of 4)
Cell 10: T CASE, and CTSY Fuses (1 of 2)
Cell 10: T CASE, and CTSY Fuses (1 of 2)
Lighting Systems Components
Cell 114: HORN Fuse, CIG LTR Fuse 13, Underhood and Reel Lamps
Figure 6:

Power Window Switch Illumination


Object Number: 405250  Size: FS
Lighting Systems Components
Interior Lights Circuit Description
Cell 114: CTSY Fuse 3, Illuminated Vanity Mirrors
Cell 14: G400
Cell 110: Front Park and Turn Lamps, Roof Marker Lamps
Cell 10: LIGHTING and BATTERY Fuses
Cell 14: G202 (2 of 4)
Cell 14: G200 (1 of 4)
Figure 7:

Cell 114: HORN Fuse, CIG LTR Fuse 13, Underhood and Reel Lamps


Object Number: 366429  Size: FS
Lighting Systems Components
Interior Lights Circuit Description
Cell 114: CTSY Fuse 3, Illuminated Vanity Mirrors
Cell 10: ECM-B, HORN and A/C COMP Fuses
Cell 10: Battery, and Underhood Fuse Block

Interior Lights Schematics Luxury

Figure 1:

Courtesy Lamps and Door Jambs


Object Number: 319463  Size: FS
Handling ESD Sensitive Parts Notice
Courtesy Lamps and Rearview Mirror Switch
Lighting Systems Components
Interior Lights Circuit Description
Courtesy Lamps and Rearview Mirror Switch
Handling ESD Sensitive Parts Notice
Cell 14: G400
Cell 14: G202 (2 of 4)
Cell 14: G200 (1 of 4)
Courtesy Lamps and Rearview Mirror Switch
Courtesy Lamps and Rearview Mirror Switch
Cell 10: IGN B Fuse and Ignition Switch
Cell 10: Battery, and Underhood Fuse Block
Figure 2:

Courtesy Lamps and Rearview Mirror Switch


Object Number: 319467  Size: FS
Courtesy Lamps and Door Jambs
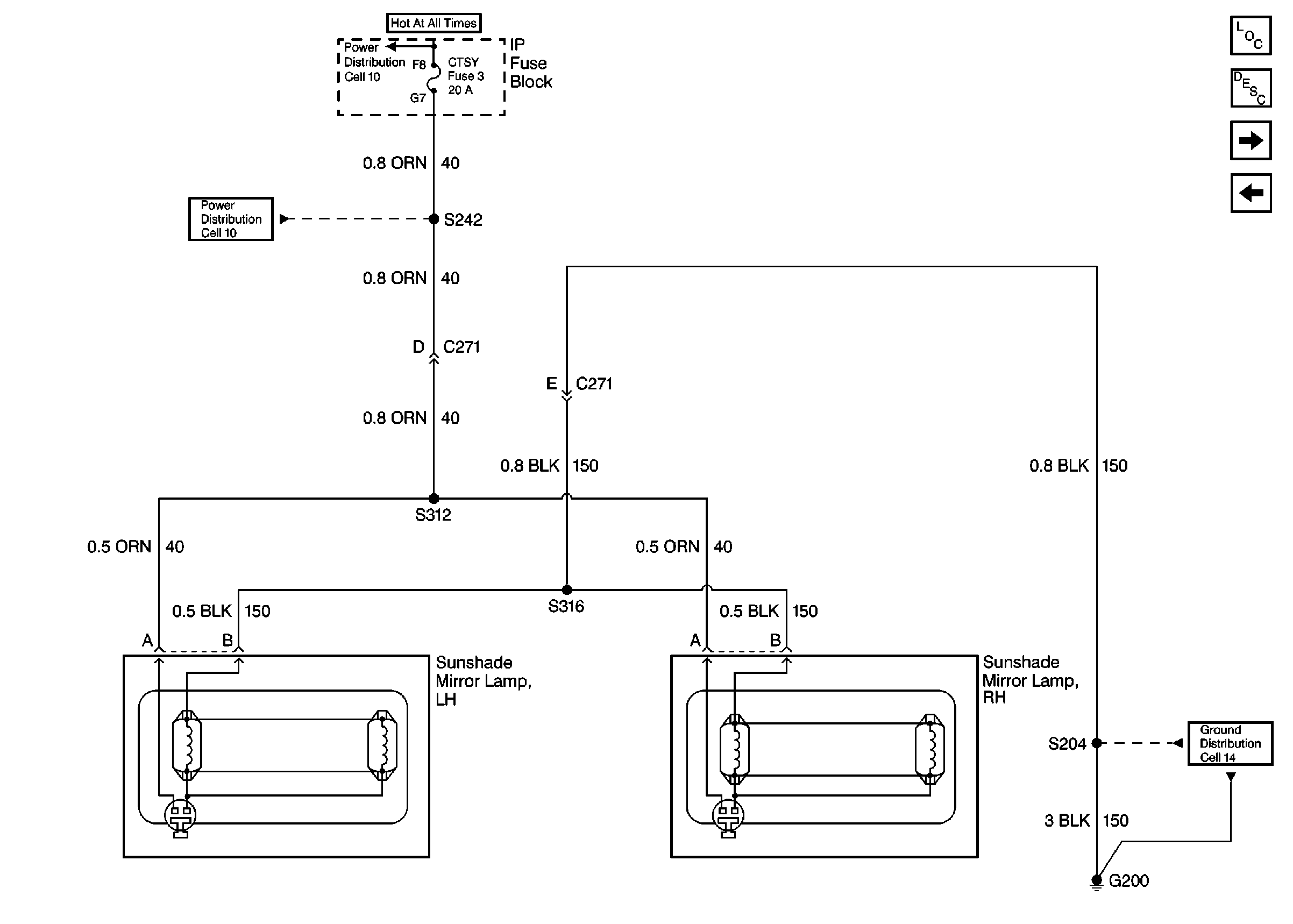
Illuminated Mirrors
Dome Lamps and Reading Lamps
Courtesy Lamps and Door Jambs
Power Outside Rearview Mirrors - Except Luxury
Dome Lamps and Reading Lamps
Lighting Systems Components
Interior Lights Circuit Description
Courtesy Lamps and Door Jambs
Illuminated Mirrors
Figure 3:

Illuminated Mirrors


Object Number: 319465  Size: FS
Courtesy Lamps and Rearview Mirror Switch
Cell 14: G200 (1 of 4)
Handling ESD Sensitive Parts Notice
Lighting Systems Components
Interior Lights Circuit Description
Dome Lamps and Reading Lamps
Courtesy Lamps and Rearview Mirror Switch
Figure 4:

Dome Lamps and Reading Lamps


Object Number: 319470  Size: FS
Courtesy Lamps and Rearview Mirror Switch
Courtesy Lamps and Rearview Mirror Switch
Cell 14: G400
Lighting Systems Components
Interior Lights Circuit Description
Illuminated Mirrors
Underhood Reel Lamps
Figure 5:

Underhood Reel Lamps


Object Number: 319489  Size: FS
Cell 10: Battery, and Underhood Fuse Block
Cell 10: ECM-B, HORN and A/C COMP Fuses
Lighting Systems Components
Interior Lights Circuit Description
Dome Lamps and Reading Lamps
Fuses, Headlamp and Panel Dimmer Switch and Window Switches
Figure 6:

Fuses, Headlamp and Panel Dimmer Switch and Window Switches


Object Number: 319458  Size: FS
Cell 101: Headlamp and Panel Dimmer Switch, Headlamp Control Module
Cell 110: Front Park and Turn Lamps, Roof Marker Lamps
Cell 10: LIGHTING and BATTERY Fuses
Cell 101: Headlamp and Panel Dimmer Switch, Headlamp Control Module
Cell 103: Fog Lamp Switch, Relay and Lamps
Cell 14: G200 (1 of 4)
Heated Seat Switches and Body Control Module
Cell 14: G400
Cell 14: G202 (2 of 4)
Lighting Systems Components
Interior Lights Circuit Description
Underhood Reel Lamps
Heated Seat Switches and Body Control Module
Figure 7:

Heated Seat Switches and Body Control Module


Object Number: 319461  Size: FS
Fuses, Headlamp and Panel Dimmer Switch and Window Switches
Cell 14: G202 (4 of 4)
Cell 14: G202 (2 of 4)
Cell 14: G200 (1 of 4)
Cell 14: G200 (4 of 4)
Cell 14: G200 (4 of 4)
Handling ESD Sensitive Parts Notice
Lighting Systems Components
Interior Lights Circuit Description
Fuses, Headlamp and Panel Dimmer Switch and Window Switches
Handling ESD Sensitive Parts Notice