GM Service Manual Online
For 1990-2009 cars only

Antilock Brake System Schematics ABS

Figure 1:

G110, IPC, EBCM, IGN1 and BRAKE Fuse


Object Number: 475458  Size: FS
ABS Components
ABS Description
VCM/PCM, Wheel Speed Sensors, EBCM, VSS Circuit
Handling ESD Sensitive Parts Notice
Power Distribution Schematics
Power Distribution Schematics
Power Distribution Schematics
Power Distribution Schematics
Instrument Cluster: Analog Schematics
Power Distribution Schematics
Cruise Control Schematics
Ground Distribution Schematics
Data Link Connector Schematics
Engine Controls Schematics
Engine Controls Schematics
Figure 2:

VCM/PCM, Wheel Speed Sensors, EBCM, VSS Circuit


Object Number: 475460  Size: FS
ABS Components
ABS Description
G110, IPC, EBCM, IGN1 and BRAKE Fuse
Handling ESD Sensitive Parts Notice
Ground Distribution Schematics
Ground Distribution Schematics
Engine Controls Schematics
Engine Controls Schematics

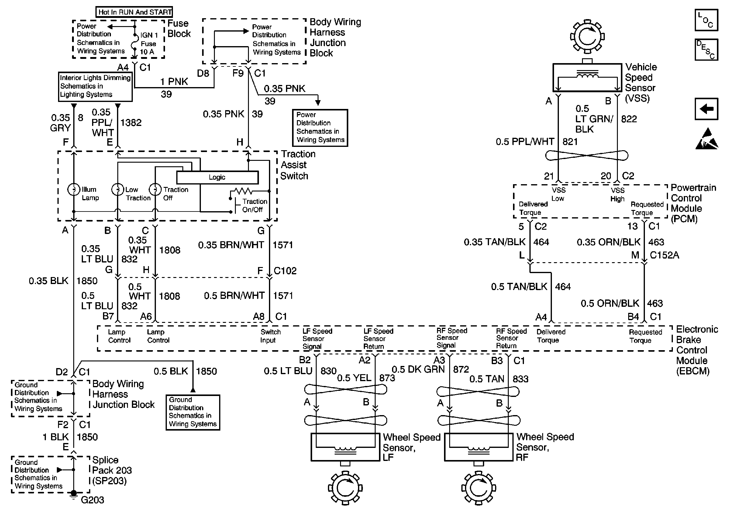
Antilock Brake System Schematics ABS w/Traction Assist

Figure 1:

EBCM, PCM/VCM, DLC, Fuse Block, IP,Stoplamp Switch


Object Number: 449794  Size: FS
ABS Components
ABS Description
Traction Assist Switch, VSS, Wheel Speed Sensors
Handling ESD Sensitive Parts Notice
Power Distribution Schematics
Power Distribution Schematics
Power Distribution Schematics
Power Distribution Schematics
Instrument Cluster: Analog Schematics
Data Link Connector Schematics
Ground Distribution Schematics
Ground Distribution Schematics
Ground Distribution Schematics
Figure 2:

Traction Assist Switch, VSS, Wheel Speed Sensors


Object Number: 449801  Size: FS
ABS Components
ABS Description
EBCM, PCM/VCM, DLC, Fuse Block, IP, Stoplamp Switch
Handling ESD Sensitive Parts Notice
Power Distribution Schematics
Interior Lights Dimming Schematics Utilities
Power Distribution Schematics
Power Distribution Schematics
Ground Distribution Schematics
Ground Distribution Schematics
Ground Distribution Schematics