GM Service Manual Online
For 1990-2009 cars only

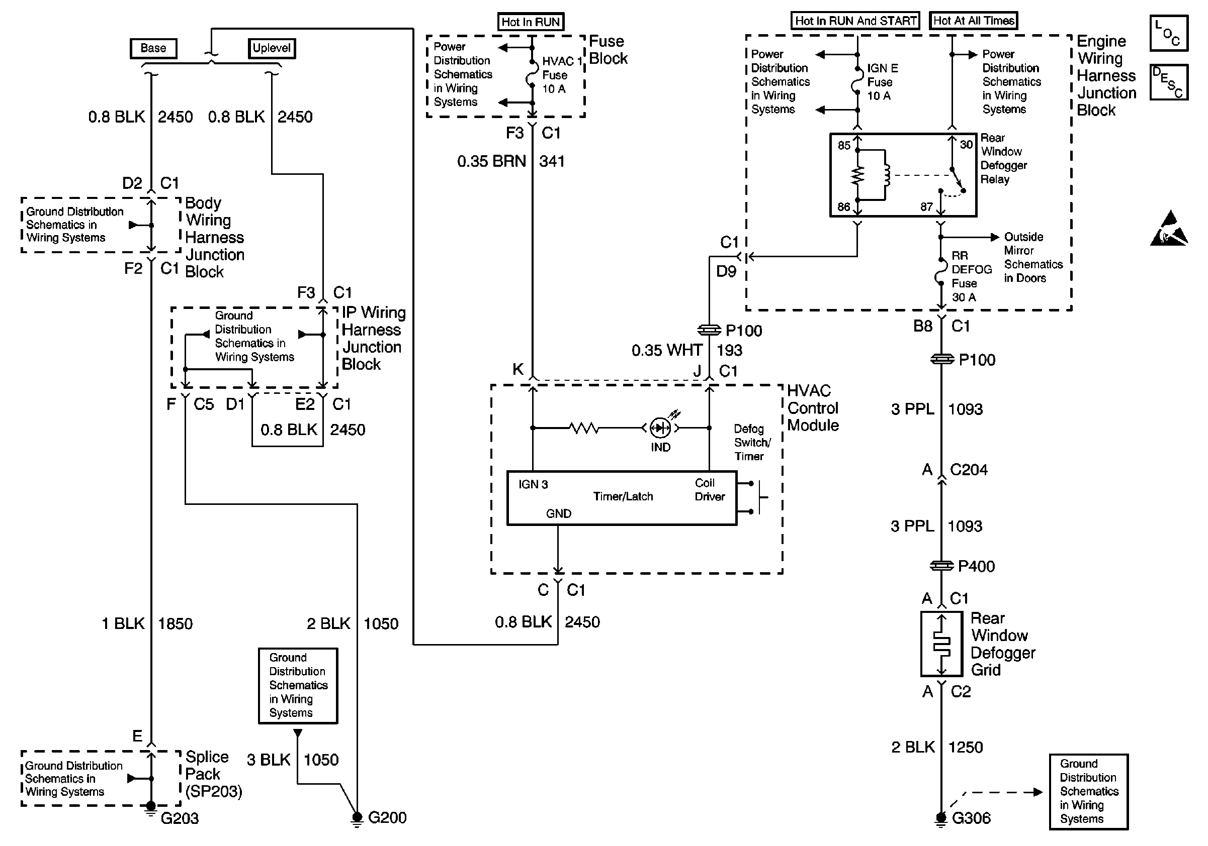
Defogger Schematics Pick-up


Object Number: 475454  Size: FS
Stationary Windows Components
Rear Window Defogger Circuit Description
Handling ESD Sensitive Parts Notice
Ground Distribution Schematics
Power Distribution Schematics
Power Distribution Schematics
Ground Distribution Schematics
Ground Distribution Schematics
Ground Distribution Schematics
Ground Distribution Schematics
Power Distribution Schematics
Outside Rearview Mirror Schematics

Defogger Schematics Utilities

Figure 1:

G200, G203, HVAC Control Module


Object Number: 475786  Size: FS
Stationary Windows Components
Rear Window Defogger Circuit Description
G410, Defogger Elements
Handling ESD Sensitive Parts Notice
G410, Defogger Elements
Power Distribution Schematics
Power Distribution Schematics
Ground Distribution Schematics
Ground Distribution Schematics
Ground Distribution Schematics
Ground Distribution Schematics
Power Distribution Schematics
Outside Rearview Mirror Schematics
Figure 2:

G410, Defogger Elements


Object Number: 475788  Size: FS
Stationary Windows Components
Rear Window Defogger Circuit Description
G200, G203, HVAC Control Module
G200, G203, HVAC Control Module
Ground Distribution Schematics
Ground Distribution Schematics
Ground Distribution Schematics
Ground Distribution Schematics
Ground Distribution Schematics