GM Service Manual Online
For 1990-2009 cars only
Figure 1:

B+ Bus - 1 of 3


Object Number: 1689677  Size: FS
Master Electrical Component List
Control Module References
B+ Bus - 2 of 3
B+ Bus - 2 of 3
Figure 2:

B+ Bus - 2 of 3


Object Number: 1689680  Size: FS
Master Electrical Component List
Control Module References
B+ Bus - 3 of 3
B+ Bus - 1 of 3
B+ Bus - 1 of 3
B+ Bus - 3 of 3
Figure 3:

B+ Bus - 3 of 3


Object Number: 1689681  Size: FS
Master Electrical Component List
Control Module References
AUX PWR, AUX PWR 2, LBEC 1, PDM, and REAR WPR Fuses
B+ Bus - 2 of 3
B+ Bus - 2 of 3
Figure 4:

AUX PWR, AUX PWR 2, LBEC 1, PDM, and REAR WPR Fuses


Object Number: 1689682  Size: FS
Master Electrical Component List
Control Module References
IS LAMPS, LT STOP TRN, OBS DET, REAR SEAT, and STOP LAMPS Fuses and LT DR Circuit Breaker
B+ Bus - 3 of 3
B+ Bus - 1 of 3
Figure 5:

IS LAMPS, LT STOP TRN, OBS DET, REAR SEAT, and STOP LAMPS Fuses and LT DR Circuit Breaker


Object Number: 1689684  Size: FS
Master Electrical Component List
Control Module References
LCK 1, LCK 2, UNLCK 1, and UNLCK 2 Fuses
AUX PWR, AUX PWR 2, LBEC 1, PDM, and REAR WPR Fuses
AUX PWR, AUX PWR 2, LBEC 1, PDM, and REAR WPR Fuses
LCK 1, LCK 2, UNLCK 1, and UNLCK 2 Fuses
Figure 6:

LCK 1, LCK2, UNLCK 1, and UNLCK2 Fuses


Object Number: 1689686  Size: FS
Master Electrical Component List
Control Module References
BCM, COOLED SEATS, CTSY, DDM, DIM, DSM, LBEC 2, MBEC 1, REAR HVAC, and RT STOP TRN Fuses and DRIVER SEAT 2, PASS SEAT 1, and RT DOORS Circuit Breakers
IS LAMPS, LT STOP TRN, OBS DET, REAR SEAT, and STOP LAMPS Fuses and LT DR Circuit Breaker
IS LAMPS, LT STOP TRN, OBS DET, REAR SEAT, and STOP LAMPS Fuses and LT DR Circuit Breaker
Figure 7:

BCM, COOLED SEATS, CTSY, DDM, DIM, DSM, LBEC 2, MBEC 1, REAR HVAC, and RT STOP TRN Fuses and DRIVER SEAT 2, PASS SEAT 1, and RT DOORS Circuit Breakers


Object Number: 1689688  Size: FS
Master Electrical Component List
Control Module References
ECM-BATT, HEADLAMP WASH, HVAC BATT, IPC, LTR, S/ROOF, and TCM-BATT Fuses
LCK 1, LCK 2, UNLCK 1, and UNLCK 2 Fuses
B+ Bus - 1 of 3
Figure 8:

ECM-BATT, HEADLAMP WASH, HVAC BATT, IPC, LTR, S/ROOF, and TCM-BATT Fuses


Object Number: 1689691  Size: FS
Master Electrical Component List
Control Module References
AMP, ELEC RUN BOARD, ESC/ALC EXH, EXP/BRK MDL, INFO, and TREC Fuses
BCM, COOLED SEATS, CTSY, DDM, DIM, DSM, LBEC 2, MBEC 1, REAR HVAC, and RT STOP TRN Fuses and DRIVER SEAT 2, PASS SEAT 1, and RT DOORS Circuit Breakers
B+ Bus - 1 of 3
Figure 9:

AMP, ELEC RUN BOARD, ESC/ALC EXH, EXP/BRK MDL, INFO, and TREC Fuses


Object Number: 1689694  Size: FS
Master Electrical Component List
Control Module References
RDO Fuses
ECM-BATT, HEADLAMP WASH, HVAC BATT, IPC, LTR, S/ROOF, and TCM-BATT Fuses
B+ Bus - 1 of 3
Figure 10:

RDO Fuse


Object Number: 1689696  Size: FS
Master Electrical Component List
Control Module References
ABS-1, ABS 2, HEAVY DUTY ABS, HVAC BLWR, STUD 1, STUD 2, and WFHS Fuses
AMP, ELEC RUN BOARD, ESC/ALC EXH, EXP/BRK MDL, INFO, and TREC Fuses
B+ Bus - 1 of 3
Figure 11:

ABS-1, ABS 2, HEAVY DUTY ABS, HVAC BLWR, STUD 1, STUD 2, and WFHS Fuses


Object Number: 1689698  Size: FS
Master Electrical Component List
Control Module References
ALC/COMP, EAP, and LGM Fuses
RDO Fuses
B+ Bus - 1 of 3
Figure 12:

ALC/COMP, EAP, and LGM Fuses


Object Number: 1689701  Size: FS
Master Electrical Component List
Control Module References
AIRBAG, SEO B1, and SEO B2 Fuses
ABS-1, ABS 2, HEAVY DUTY ABS, HVAC BLWR, STUD 1, STUD 2, and WFHS Fuses
B+ Bus - 1 of 3
Figure 13:

AIRBAG, SEO B1, and SEO B2 Fuses


Object Number: 1689704  Size: FS
Master Electrical Component List
Control Module References
TRLR BCK/UP, TRLR STOP LT, TRLR STOP RT, and VEH BCK/UP Fuses
ALC/COMP, EAP, and LGM Fuses
B+ Bus - 1 of 3
Figure 14:

TRLR BCK/UP, TRLR STOP LT, TRAILER STOP RT, and VEH BCK/UP Fuses


Object Number: 1689721  Size: FS
Master Electrical Component List
Control Module References
DLIS Fuse and Ignition Switch
AIRBAG, SEO B1, and SEO B2 Fuses
B+ Bus - 1 of 3
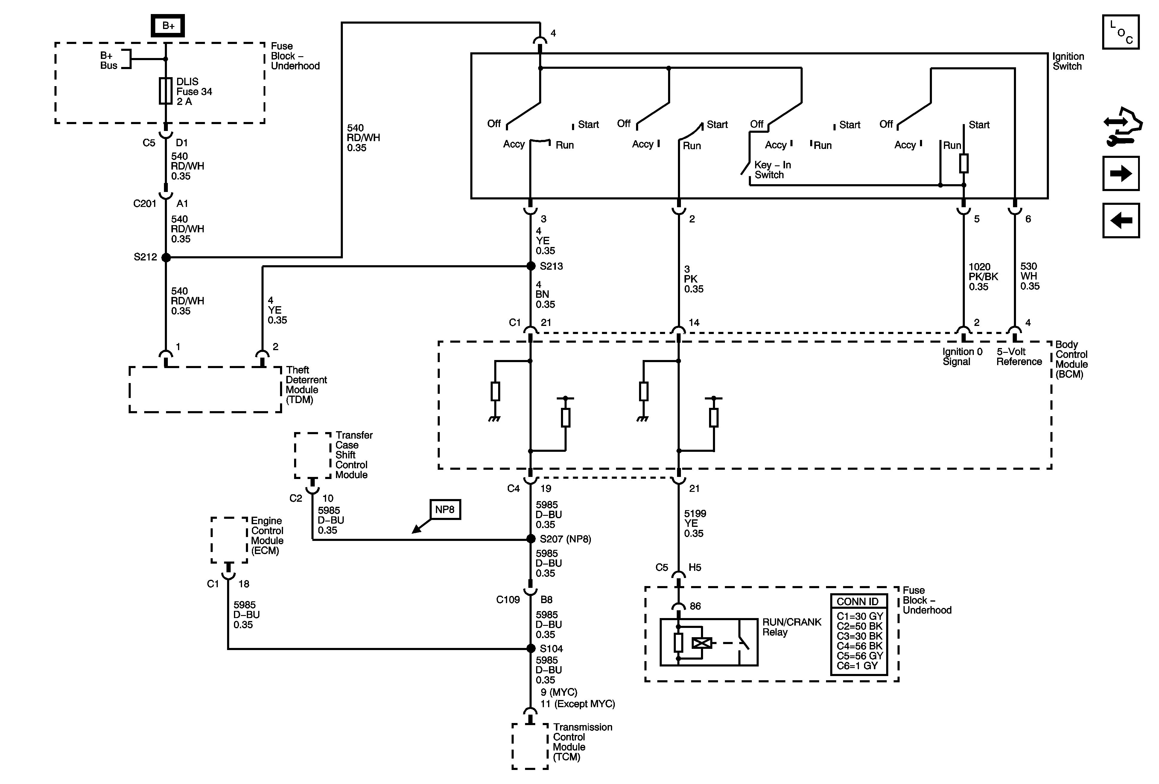
Figure 15:

DLIS Fuse and Ignition Switch


Object Number: 1689706  Size: FS
Master Electrical Component List
Control Module References
PWR/TRN Bus - ECM/THROT CONT, ENG, O2-A SNSR, and O2-B SNSR Fuses
TRLR BCK/UP, TRLR STOP LT, TRLR STOP RT, and VEH BCK/UP Fuses
B+ Bus - 1 of 3
Figure 16:

PWR/TRN Bus - ECM/THROT, ENG, O2-A SNSR, and O2-B SNSR Fuses


Object Number: 1689725  Size: FS
Master Electrical Component List
Control Module References
PWR/TRN Bus - INJ-A and INJ-B Fuses
DLIS Fuse and Ignition Switch
B+ Bus - 1 of 3
PWR/TRN Bus - INJ-A and INJ-B Fuses
Figure 17:

PWR/TRN Bus - INJ- A and INJ-B Fuses


Object Number: 1689728  Size: FS
Master Electrical Component List
Control Module References
RUN/CRANK Bus - AIRBAG IGN, MISC IGN, ans SEO/ALC Fuses
PWR/TRN Bus - ECM/THROT CONT, ENG, O2-A SNSR, and O2-B SNSR Fuses
PWR/TRN Bus - ECM/THROT CONT, ENG, O2-A SNSR, and O2-B SNSR Fuses
Figure 18:

RUN/CRANK Bus - AIRBAG IGN, MISC IGN, and SEO/ALC Fuses


Object Number: 1689730  Size: FS
Master Electrical Component List
Control Module References
RUN/CRANK Bus - ECM-IGN and TRANS IGN 1 Fuses
PWR/TRN Bus - INJ-A and INJ-B Fuses
B+ Bus - 1 of 3
RUN/CRANK Bus - ECM-IGN and TRANS IGN 1 Fuses
Figure 19:

RUN/CRANK Bus - ECM-IGN AND TRANS IGN 1 Fuses


Object Number: 1689731  Size: FS
Master Electrical Component List
Control Module References
RUN/CRANK Bus - AUX HVAC - IGN and HVAC - IGN Fuses
RUN/CRANK Bus - AIRBAG IGN, MISC IGN, ans SEO/ALC Fuses
RUN/CRANK Bus - AIRBAG IGN, MISC IGN, ans SEO/ALC Fuses
RUN/CRANK Bus - AUX HVAC - IGN and HVAC - IGN Fuses
Figure 20:

RUN/CRANK Bus - AUX HVAC - IGN, and HVAC - IGN Fuses


Object Number: 1689734  Size: FS
Master Electrical Component List
Control Module References
FWD and HTD STR/WHL Fuses - Built Before 11/29
RUN/CRANK Bus - ECM-IGN and TRANS IGN 1 Fuses
RUN/CRANK Bus - ECM-IGN and TRANS IGN 1 Fuses
Figure 21:

FWD and HTD STR/WHL Fuses - Built Before 11/29


Object Number: 1689736  Size: FS
Master Electrical Component List
Control Module References
FOG LAMP, HI HEADLAMP - LT, and HI HEADLAMP - RT
RUN/CRANK Bus - AUX HVAC - IGN and HVAC - IGN Fuses
B+ Bus - 1 of 3
Figure 22:

FOG LAMP, HI HEADLAMP - LT, and HI HEADLAMP - RT Fuses


Object Number: 1689707  Size: FS
Master Electrical Component List
Control Module References
DRL, DRL 2, LO HDLP-LT, LO HDLP-RT, and STRTR Fuses
FWD and HTD STR/WHL Fuses - Built Before 11/29
B+ Bus - 1 of 3
Figure 23:

DRL, DRL 2, LO HDLP-LT, LO HDLP-RT, and STRTR Fuses


Object Number: 1689709  Size: FS
Master Electrical Component List
Control Module References
LT PRK Fuse
FOG LAMP, HI HEADLAMP - LT, and HI HEADLAMP - RT
B+ Bus - 1 of 3
Figure 24:

LT PRK Fuse


Object Number: 1689715  Size: FS
Master Electrical Component List
Control Module References
RT PRK and TRLR PRK Fuses
DRL, DRL 2, LO HDLP-LT, LO HDLP-RT, and STRTR Fuses
B+ Bus - 1 of 3
RT PRK and TRLR PRK Fuses
Figure 25:

RT PRK AND TRLR PRK Fuses


Object Number: 1689718  Size: FS
Master Electrical Component List
Control Module References
A/C CMPRSR, FRT WASH, FUEL PUMP, HORN, and REAR DEFOG and REAR WASH Fuses
LT PRK Fuse
LT PRK Fuse
Figure 26:

A/C CMPRSR, FRT WASH FUEL PUMP, HORN, REAR DEFOG, and REAR WASH Fuses


Object Number: 1689723  Size: FS
Master Electrical Component List
Control Module References
RT PRK and TRLR PRK Fuses
B+ Bus - 1 of 3