GM Service Manual Online
For 1990-2009 cars only
Figure 1:

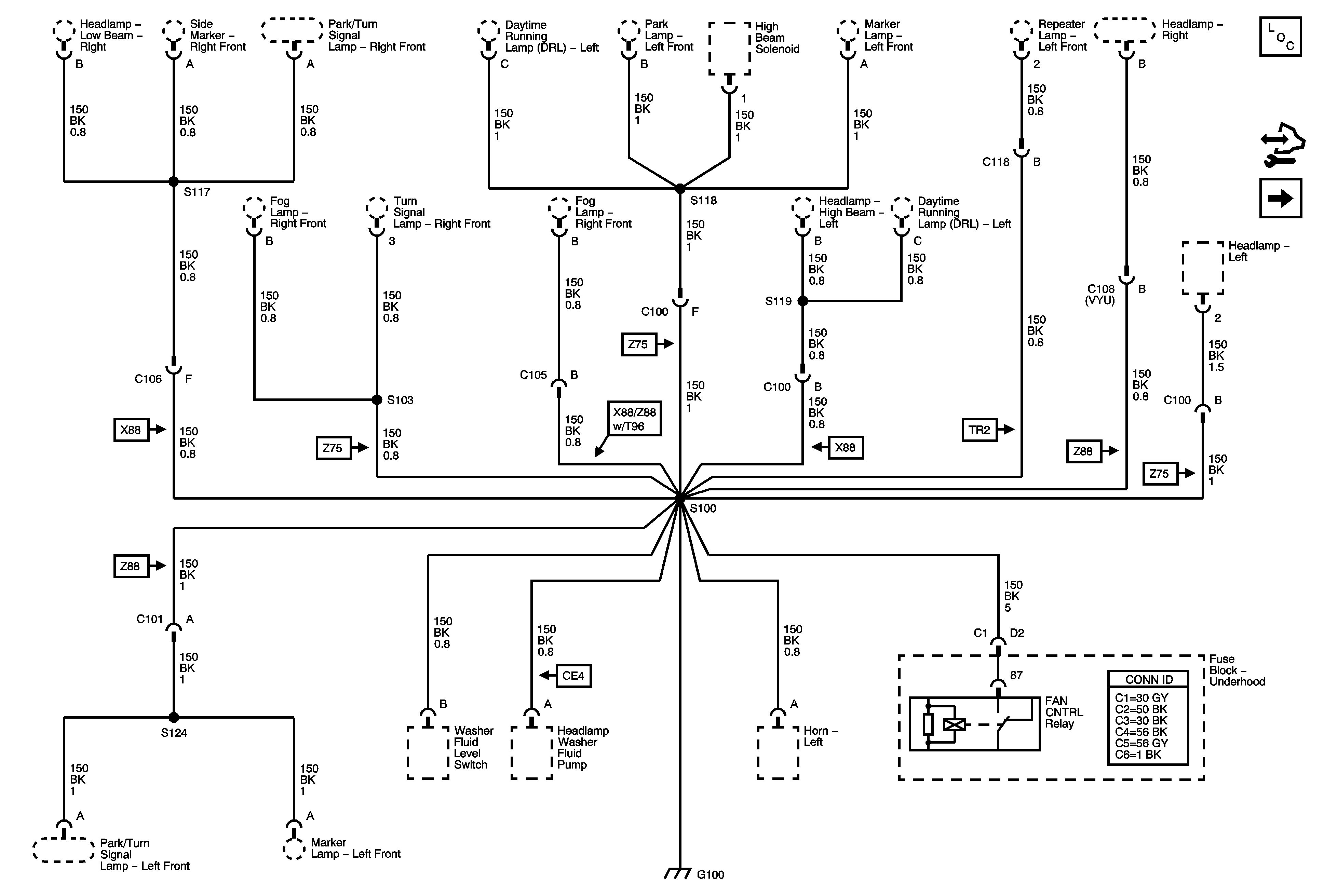
G100


Object Number: 1699366  Size: FS
Master Electrical Component List
Control Module References
G101
Figure 2:

G101


Object Number: 1699367  Size: FS
Master Electrical Component List
Control Module References
G102 and G108
G100
G103, G110, and G111
Figure 3:

G102 and G108


Object Number: 1699368  Size: FS
Master Electrical Component List
Control Module References
G103, G110, and G111
G101
Figure 4:

G103, G110, and G111


Object Number: 1699369  Size: FS
Master Electrical Component List
Control Module References
G200 - 1 of 2
G102 and G108
G101
Figure 5:

G200 - 1 of 2


Object Number: 1699371  Size: FS
Master Electrical Component List
Control Module References
G200 - 2 of 2
G103, G110, and G111
G200 - 2 of 2
G200 - 2 of 2
Figure 6:

G200 - 2 of 2


Object Number: 1699372  Size: FS
Master Electrical Component List
Control Module References
G201
G200 - 1 of 2
G200 - 1 of 2
Figure 7:

G201


Object Number: 1699373  Size: FS
Master Electrical Component List
Control Module References
G300 and G302
G200 - 2 of 2
Figure 8:

G300 and G302


Object Number: 1699375  Size: FS
Master Electrical Component List
Control Module References
G301
G201
Figure 9:

G301


Object Number: 1699378  Size: FS
Master Electrical Component List
Control Module References
G303, G304, and G305
G300 and G302
Figure 10:

G303, G304, and G305


Object Number: 1699379  Size: FS
Master Electrical Component List
Control Module References
G400
G301
Figure 11:

G400


Object Number: 1699382  Size: FS
Master Electrical Component List
Control Module References
G401
G303, G304, and G305
Figure 12:

G401


Object Number: 1699384  Size: FS
Master Electrical Component List
Control Module References
G402 - E52
G400
Figure 13:

G402 - E52


Object Number: 1699387  Size: FS
Master Electrical Component List
Control Module References
G401