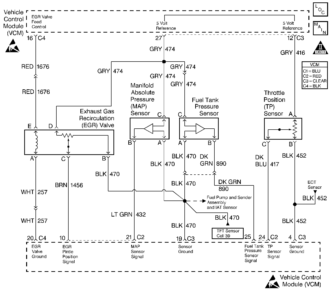
The manifold absolute pressure (MAP) sensor is a pressure sensor. The control module supplies the MAP sensor a reference voltage, signal, and ground circuits. When manifold vacuum is low, the MAP sensor signal voltage rises to a value near the reference voltage, and the MAP sensor signal voltage decreases when the manifold vacuum increases. The control module monitors the MAP sensor signal circuit voltage in order to calculate the vacuum within the intake manifold.
Certain vehicle models will also use the MAP sensor in order to calculate the barometric pressure (BARO) when the ignition switch is turned ON and the engine is NOT cranked. This BARO reading may also be updated whenever the engine is operated at wide open throttle (WOT).
This DTC is designed to detect intermittent high voltage signals on the MAP sensor circuit.
| • | No active TP sensor DTCs |
| • | The throttle position is 0.4 percent or less with engine speed less than 1200 RPM |
| OR |
| The throttle position is 20 percent or less with engine speed more than 1200 RPM |
The MAP voltage is more than 4.4 volts for a calibrated number of seconds
| • | The control module stores the DTC in history after the first failure but will not illuminate the malfunction indicator lamp (MIL). |
| • | The control module records the operating conditions at the time the diagnostic fails. The control module stores the failure information in the scan tools Freeze Frame/Failure Records. |
| • | A history DTC will clear if no fault conditions have been detected for 40 warm-up cycles. |
| • | A warm-up cycle occurs when the coolant temperature has risen 22°C (40°F) from the startup coolant temperature and the engine coolant temperature exceeds 70°C (160°F) during the same ignition cycle. |
| • | Use the scan tool Clear Information function. |
With the ignition ON and the engine OFF, the manifold pressure is equal to atmospheric pressure with the signal voltage high. The VCM uses this information as an indication of the vehicle's altitude. Comparison of this reading with a known good vehicle using the same sensor is a good way to check the accuracy of a suspect sensor. Readings should be within 0.04 volts. This DTC could set if the sensor ground circuit is intermittently open or the MAP sensor signal circuit is intermittently shorted to voltage.
An intermittent may be caused by any of the following conditions:
| • | A poor connection |
| • | Rubbed through wire insulation |
| • | A broken wire inside the insulation |
Thoroughly check any circuitry that is suspected of causing the intermittent complaint. Refer to Intermittents and Poor Connections Diagnosis in Wiring Systems.
If a repair is necessary, refer to Wiring Repairs or Connector Repairs in Wiring Systems.
Number(s) below refer to the step number(s) on the Diagnostic Table.
Important: Be sure to use the same diagnostic equipment for all measurements.
If the MAP sensor signal is more than 4.6 volts then the condition is present. Even though DTC P0108 is not set, the P0108 table is more comprehensive and may aid in diagnosis.
The engine must be running in order to observe the MAP sensor signal voltage activity.
Step | Action | Value(s) | Yes | No |
|---|---|---|---|---|
1 |
Important: Before clearing the DTCs, use the scan tool Capture Info to save the Freeze Frame and Failure Records for reference. The control module's data is deleted once the Clear Info function is used. Did you perform the Powertrain On-Board Diagnostic (OBD) System Check? | -- | ||
Does the scan tool display a MAP sensor voltage greater than the second specified value? | 15 in Hg 4.4 V | Go to DTC P0108 Manifold Absolute Pressure (MAP) Sensor Circuit High Voltage | ||
3 |
Did you find a problem? | -- | ||
4 |
Did you find a problem? | -- | ||
Did the voltage fluctuate more than the specified value? | 0.5 V | Go to Diagnostic Aids | ||
6 | Repair the circuit as necessary. Refer to Wiring Repairs or Connector Repairs in Wiring Systems. Is the action complete? | -- | -- | |
7 |
Does the scan tool indicate the diagnostic Passed? | -- | ||
8 | Does the scan tool display any additional undiagnosed DTCs? | -- | Go to the applicable DTC table | System OK |