GM Service Manual Online
For 1990-2009 cars only
Makes
🢒
Chevrolet
🢒
2000
🢒
Tahoe - 4WD
🢒
Steering
🢒
Variable Effort Steering
🢒 Steering Assist Schematics
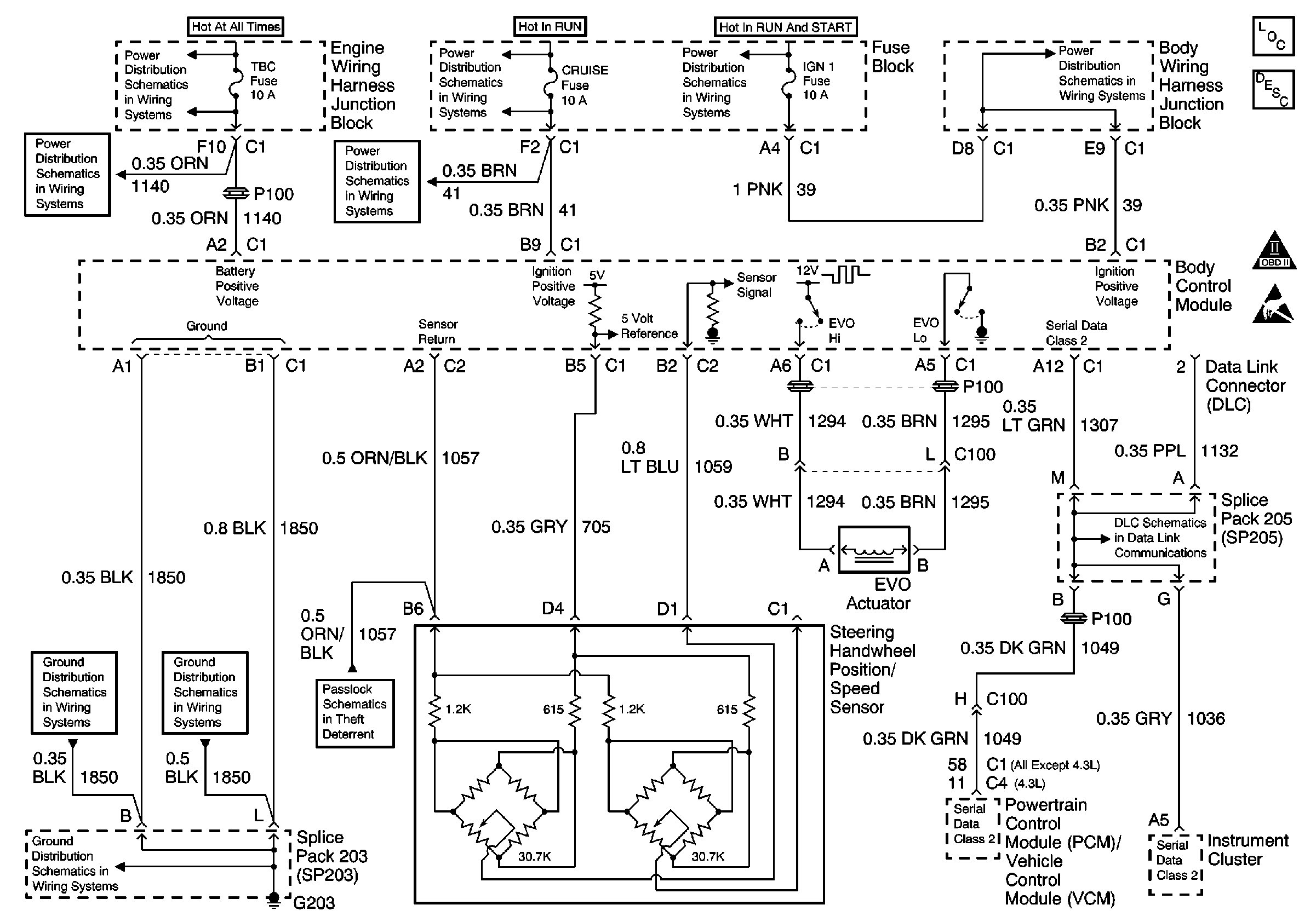
Steering Assist Schematics W/O RTD
W/O Real Time Damping (RTD)
OBD II Symbol Description Notice
Handling ESD Sensitive Parts Notice
Data Link Connector Schematics
Ground Distribution Schematics
Ground Distribution Schematics
Power Distribution Schematics
Power Distribution Schematics
Power Distribution Schematics
Power Distribution Schematics
Power Distribution Schematics
Power Distribution Schematics
Steering Assist Schematics W/RTD
W/Real Time Damping (RTD)
OBD II Symbol Description Notice
Steering Controls Components
Power Distribution Schematics
Power Distribution Schematics
Power Distribution Schematics
Power Distribution Schematics
Power Distribution Schematics
Data Link Connector Schematics
Ground Distribution Schematics