GM Service Manual Online
For 1990-2009 cars only
Makes
🢒
Chevrolet
🢒
2000
🢒
Tahoe - 4WD
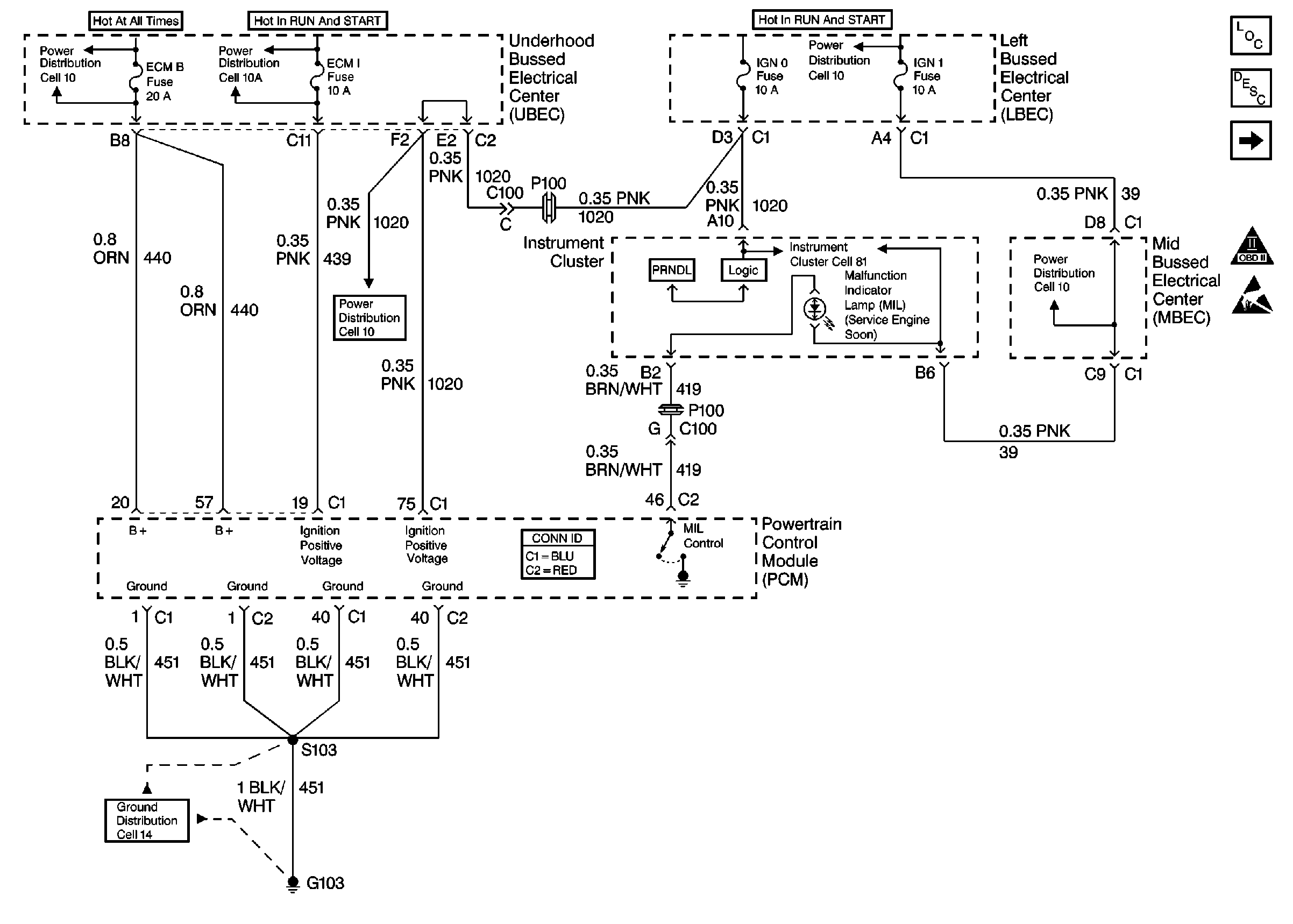
🢒 Cell 21: MIL, PCM Power and Ground
Cell 21: MIL, PCM Power and Ground
Cell 21: MIL, PCM Power and Ground
Engine Controls Components
Powertrain Control Module Description
Cell 21: Serial Data
OBD II Symbol Description Notice
Handling ESD Sensitive Parts Notice
Cell 10: Underhood Bussed Electrical Center, Electronic Brake Control ModuLe
Cell 10: Underhood Bussed Electrical Center, Data Link Connector
Cell 10: Underhood Bussed Electrical Center, Electronic Brake Control ModuLe
Cell 10: Underhood Bussed Electrical Center, Secondary Air Injection Pump Relay
Power Distribution Schematics
Cell 81: Left Bussed Electrical Center, Splice Pack SP205, Splice PackSP203
Cell 14: Vehicle Control Module, S103, G102