GM Service Manual Online
For 1990-2009 cars only

Evaporative Emission Canister Replacement 1500 Series

Removal Procedure

Important: Clean all EVAP pipe connections and surrounding areas before disconnecting the pipes in order to avoid possible contamination of the EVAP system.


    Object Number: 855747  Size: SH
  1. Raise and suitably support the vehicle. Refer to Lifting and Jacking the Vehicle in General Information.
  2. Disconnect the evaporative emission (EVAP) canister vent pipe (5) from the canister.
  3. Remove the vent pipe clip (4) from the canister bracket.

  4. Object Number: 855755  Size: SH
  5. Disconnect the EVAP pipe from the canister.

  6. Object Number: 855757  Size: SH
  7. Disconnect the fuel tank vapor pipe (3) from the canister.
  8. Cap the EVAP pipes in order to prevent possible EVAP system contamination.

  9. Object Number: 855760  Size: SH
  10. Remove the EVAP canister bolts.
  11. Remove the EVAP canister.

Installation Procedure


    Object Number: 855760  Size: SH
  1. Install the EVAP canister.
  2. Notice: Use the correct fastener in the correct location. Replacement fasteners must be the correct part number for that application. Fasteners requiring replacement or fasteners requiring the use of thread locking compound or sealant are identified in the service procedure. Do not use paints, lubricants, or corrosion inhibitors on fasteners or fastener joint surfaces unless specified. These coatings affect fastener torque and joint clamping force and may damage the fastener. Use the correct tightening sequence and specifications when installing fasteners in order to avoid damage to parts and systems.

  3. Install the EVAP canister bolts.
  4. Tighten
    Tighten the bolts to 25 N·m (18 lb ft).

  5. Remove the caps from the EVAP pipes.

  6. Object Number: 855757  Size: SH
  7. Connect the fuel tank vapor pipe (3) to the canister.

  8. Object Number: 855755  Size: SH
  9. Connect the EVAP pipe to the canister.

  10. Object Number: 855747  Size: SH
  11. Install the vent pipe clip (4) to the canister bracket.
  12. Connect the EVAP canister vent pipe (5) to the canister.
  13. Lower the vehicle.

Evaporative Emission Canister Replacement 2500 Series

Removal Procedure

Important: Clean all EVAP pipe connections and surrounding areas before disconnecting the pipes in order to avoid possible contamination of the EVAP system.


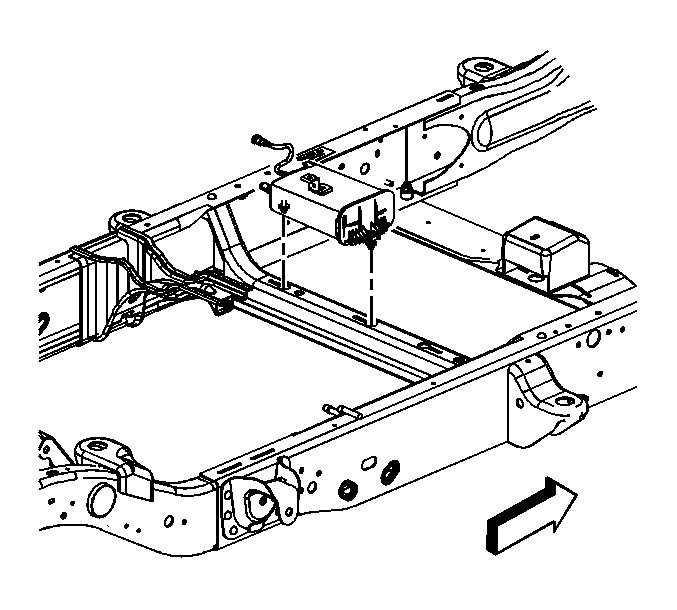
    Object Number: 856670  Size: SH
  1. Raise and suitably support the vehicle. Refer to Lifting and Jacking the Vehicle in General Information.
  2. Remove the propeller shaft. Refer to Rear Propeller Shaft Replacement in Propeller Shaft.
  3. Disconnect the evaporative emission (EVAP) canister vent pipe (3) from the canister.
  4. Remove the vent pipe clip from the canister bracket.

  5. Object Number: 856658  Size: SH
  6. Remove the EVAP pipe clip from the canister bracket.

  7. Object Number: 856667  Size: SH
  8. Disconnect the EVAP canister pipe from the canister.
  9. Disconnect the EVAP canister pipe from the EVAP/fuel pipe assembly.

  10. Object Number: 856665  Size: SH
  11. Facing toward the front of the vehicle, slide the EVAP canister to the left.
  12. Lift up and remove the EVAP canister.
  13. Cap the EVAP pipes in order to prevent possible EVAP system contamination.
  14. If necessary, remove the small EVAP pipe from the canister.

Installation Procedure


    Object Number: 856665  Size: SH
  1. If necessary, install the small EVAP pipe to the canister.
  2. Remove the caps from the EVAP pipes.
  3. Place the EVAP canister into the large frame holes.
  4. Facing toward the front of the vehicle, slide the EVAP canister to the right.

  5. Object Number: 856667  Size: SH
  6. Connect the EVAP canister pipe to the EVAP/fuel pipe assembly.
  7. Connect the EVAP canister pipe to the canister.

  8. Object Number: 856658  Size: SH
  9. Install the EVAP pipe clip to the canister bracket.

  10. Object Number: 856670  Size: SH
  11. Install the vent pipe clip to the canister bracket.
  12. Connect the EVAP canister vent pipe (3) to the canister.
  13. Install the propeller shaft. Refer to Rear Propeller Shaft Replacement in Propeller Shaft.
  14. Lower the vehicle.