GM Service Manual Online
For 1990-2009 cars only
Figure 1:

Module Power, Ground, Serial Data and MIL


Object Number: 834700  Size: FS
Master Electrical Component List
Powertrain Control Module Description
Engine Data Sensors -Pressure, Temperature, and VSS
Engine Controls Schematic Icons
IGN 0, TBC IGN 0, TBC ACCY, SEO ACCY, WS WIPER, RR WIPER
IGN 0, TBC IGN 0, TBC ACCY, SEO ACCY, WS WIPER, RR WIPER
IGN 0, TBC IGN 0, TBC ACCY, SEO ACCY, WS WIPER, RR WIPER
IGN 1 Relay Bus, SEO B2, RR DEFOG, SEO IGN, B/U LP
SBA, ETC/ECM, PCM 1, BTSI, TRL B/U
SBA, ETC/ECM, PCM 1, BTSI, TRL B/U
B+ Bus Bar - 1 of 2
LH HID, RT HID, PCM B, CRANK, HORN, SIR
RTD, RR WPR, EAP, SUNROOF, IPC/DIC, SEO B1
Indicators, DIC Controls, Washer Fluid Level Sensor
G102, G103
SP205 - 2 of 2
Figure 2:

Engine Data Sensors - Pressure, Temperature, and VSS


Object Number: 834721  Size: FS
Master Electrical Component List
Powertrain Control Module Description
Engine Data Sensors - HO2S
Module Power, Ground, Serial Data and MIL
Engine Controls Schematic Icons
Gauges, VSS, Engine Oil Signals
Vehicle Speed Signal and 4WD Low Signal
Vehicle Speed Signal and 4WD Low Signal
IGN 1 Relay Bus, SEO B2, RR DEFOG, SEO IGN, B/U LP
SBA, ETC/ECM, PCM 1, BTSI, TRL B/U
SBA, ETC/ECM, PCM 1, BTSI, TRL B/U
G102, G103
Figure 3:

Engine Data Sensors - HO2S


Object Number: 834722  Size: FS
Master Electrical Component List
Powertrain Control Module Description
Engine Data Sensors - Electronic Throttle Controls - 1 of 2
Engine Data Sensors -Pressure, Temperature, and VSS
Engine Controls Schematic Icons
Ignition, Run, Start, Accy Bus Bar
G102, G103
Figure 4:

Engine Data Sensors - (Electronic Throttle Controls - 1 of 2)


Object Number: 834725  Size: FS
Master Electrical Component List
Powertrain Control Module Description
Engine Data Sensors - Electronic Throttle Controls - 2 of 2
Engine Data Sensors - HO2S
Engine Controls Schematic Icons
IGN 1 Relay Bus, SEO B2, RR DEFOG, SEO IGN, B/U LP
G104, G107
Figure 5:

Engine Data Sensors - Electronic Throttle Controls - 2 of 2


Object Number: 834728  Size: FS
Master Electrical Component List
Powertrain Control Module Description
Ignition Controls - Ignition System Coils 1, 3, 5, and 7
Engine Data Sensors - Electronic Throttle Controls - 1 of 2
Engine Controls Schematic Icons
Power, Cruise Control Switch, and Stop Lamp Feed
Figure 6:

Ignition Controls - Ignition System Coils 1, 3, 5, and 7


Object Number: 834730  Size: FS
Master Electrical Component List
Powertrain Control Module Description
Ignition Controls - Ignition System Coils 2, 4, 6, and 8
Engine Data Sensors - Electronic Throttle Controls - 2 of 2
Engine Controls Schematic Icons
IGN 1 Relay Bus, SEO B2, RR DEFOG, SEO IGN, B/U LP
INJ 1, INJ 2
G102, G103
Figure 7:

Ignition Controls - Ignition System Coils 2, 4, 6, and 8


Object Number: 834733  Size: FS
Master Electrical Component List
Powertrain Control Module Description
Ignition Controls - Sensors
Ignition Controls - Ignition System Coils 1, 3, 5, and 7
Engine Controls Schematic Icons
IGN 1 Relay Bus, SEO B2, RR DEFOG, SEO IGN, B/U LP
INJ 1, INJ 2
G104, G107
Figure 8:

Ignition Controls - Sensors


Object Number: 834735  Size: FS
Master Electrical Component List
Powertrain Control Module Description
Fuel Controls - Fuel Pump Controls
Ignition Controls - Ignition System Coils 2, 4, 6, and 8
Engine Controls Schematic Icons
Gauges, VSS, Engine Oil Signals
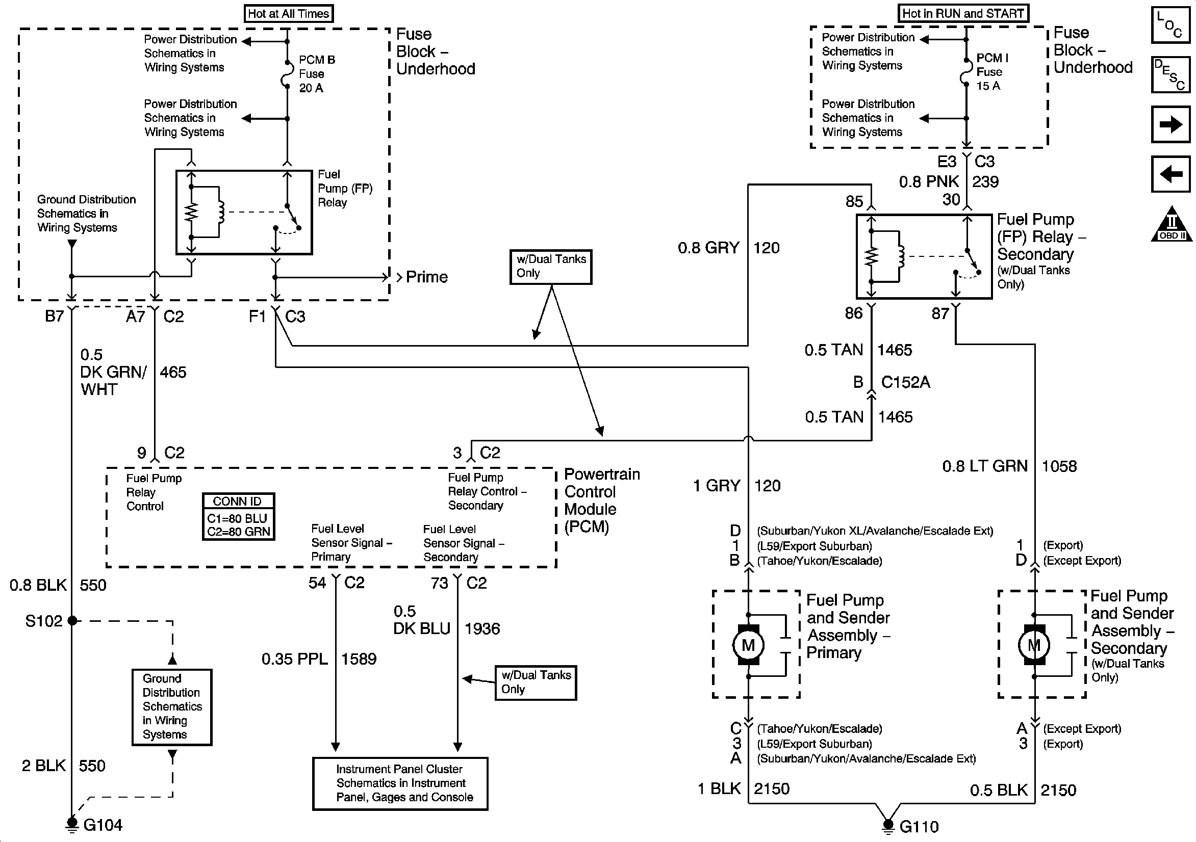
Figure 9:

Fuel Controls - Fuel Pump Controls


Object Number: 834736  Size: FS
Master Electrical Component List
Powertrain Control Module Description
Fuel Controls - Fuel Injectors
Ignition Controls - Sensors
Engine Controls Schematic Icons
B+ Bus Bar - 1 of 2
LH HID, RT HID, PCM B, CRANK, HORN, SIR
G104, G107
IGN 1 Relay Bus, SEO B2, RR DEFOG, SEO IGN, B/U LP
SBA, ETC/ECM, PCM 1, BTSI, TRL B/U
G104, G107
Fuel Gauge
Figure 10:

Fuel Controls - Fuel Injectors


Object Number: 834739  Size: FS
Master Electrical Component List
Powertrain Control Module Description
Fuel Controls - EVAP Controls, Fuel Tank Pressure, and Fuel Composition
Fuel Controls - Fuel Pump Controls
Engine Controls Schematic Icons
IGN 1 Relay Bus, SEO B2, RR DEFOG, SEO IGN, B/U LP
INJ 1, INJ 2
Figure 11:

Fuel Controls - EVAP Controls, Fuel Tank Pressure, and Fuel Composition


Object Number: 834740  Size: FS
Master Electrical Component List
Powertrain Control Module Description
Controlled/Monitored Subsystem References
Fuel Controls - Fuel Injectors
Engine Controls Schematic Icons
IGN 1 Relay Bus, SEO B2, RR DEFOG, SEO IGN, B/U LP
SBA, ETC/ECM, PCM 1, BTSI, TRL B/U
B+ Bus Bar - 1 of 2
RADIO, RADIO AMP, 4WS
Fuel Gauge
G104, G107
Figure 12:

Controlled/Monitored Subsystem References


Object Number: 834742  Size: FS
Master Electrical Component List
Powertrain Control Module Description
Transmission Controls - A/T
Fuel Controls - EVAP Controls, Fuel Tank Pressure, and Fuel Composition
Engine Controls Schematic Icons
A/C Compressor Controls
A/C Compressor Controls
Gauges, VSS, Engine Oil Signals
Power, Ground and DLC
Power, Ground, Class 2, and Wheel Speed Sensors
Charging System
Power, Ground and Transfer Case Encoder Motor
Power, Ground and Encoder Motor
Stoplamp Switch and Traction Control Switch
Gauges, VSS, Engine Oil Signals
Engine Cooling
Figure 13:

Transmission Controls - A/T - 4L60-E


Object Number: 834743  Size: FS
Master Electrical Component List
Powertrain Control Module Description
Transmission Controls - A/T - 4L80-E
Controlled/Monitored Subsystem References
Engine Controls Schematic Icons
Valve Controls and Brake Switch
Switch Inputs
Switch Inputs
Tow/Haul Switch and PNP Switch Inputs
Figure 14:

Transmission Controls - A/T - 4L80-E


Object Number: 841471  Size: FS
Master Electrical Component List
Powertrain Control Module Description
Transmission Controls - A/T
Engine Controls Schematic Icons
Switch Inputs
Switch Inputs
Tow/Haul Switch and PNP Switch Inputs
Switch Inputs
Switch Inputs
Valve Controls and Brake Switch