GM Service Manual Online
For 1990-2009 cars only
Figure 1:

B+ Bus Bar - 1 of 2


Object Number: 831523  Size: FS
Master Electrical Component List
B+ Bus Bar - 2 of 2
B+ Bus Bar - 2 of 2
Figure 2:

B+ Bus Bar - 2 of 2


Object Number: 831524  Size: FS
Master Electrical Component List
Ignition, Run and Start Bus Bar
B+ Bus Bar - 1 of 2
B+ Bus Bar - 1 of 2
Figure 3:

Ignition, Run and Start Bus Bar


Object Number: 831525  Size: FS
Master Electrical Component List
Ignition, Run, Start, Accy Bus Bar
B+ Bus Bar - 2 of 2
B+ Bus Bar - 1 of 2
Ignition, Run, Start, Accy Bus Bar
Figure 4:

Ignition, Run, Start, Accy Bus Bar


Object Number: 831527  Size: FS
Master Electrical Component List
LBEC 1, LBEC 2, MBEC 1
Ignition, Run and Start Bus Bar
B+ Bus Bar - 1 of 2
Ignition, Run and Start Bus Bar
Figure 5:

LBEC 1, LBEC 2, MBEC 1


Object Number: 831528  Size: FS
Master Electrical Component List
IGN 1 Relay Bus, SEO B2, RR DEFOG, SEO IGN, B/U LP
Ignition, Run, Start, Accy Bus Bar
B+ Bus Bar - 1 of 2
Figure 6:

IGN 1 Relay Bus, SEO B2, RR DEFOG, SEO IGN, B/U LP


Object Number: 831530  Size: FS
Master Electrical Component List
FLASH
LBEC 1, LBEC 2, MBEC 1
B+ Bus Bar - 1 of 2
Ignition, Run, Start, Accy Bus Bar
Figure 7:

FLASH, LOCKS


Object Number: 831532  Size: FS
Master Electrical Component List
ABS, VSES/ECAS, STUD #1, STUD #2, TBC BATT
IGN 1 Relay Bus, SEO B2, RR DEFOG, SEO IGN, B/U LP
Figure 8:

ABS, VSES/ECAS, STUD #1, STUD #2, TBC BATT


Object Number: 831534  Size: FS
Master Electrical Component List
RADIO, RADIO AMP, 4WS
FLASH
B+ Bus Bar - 1 of 2
Figure 9:

4WS, RADIO, RADIO AMP


Object Number: 831535  Size: FS
Master Electrical Component List
INFO, CGR LTR
ABS, VSES/ECAS, STUD #1, STUD #2, TBC BATT
B+ Bus Bar - 1 of 2
Figure 10:

INFO, CIG LTR


Object Number: 831537  Size: FS
Master Electrical Component List
RTD, RR WPR, EAP, SUNROOF, IPC/DIC, SEO B1
RADIO, RADIO AMP, 4WS
B+ Bus Bar - 1 of 2
Figure 11:

RTD, RR WPR, EAP, SUNROOF, IPC/DIC, SEO B1


Object Number: 831538  Size: FS
Master Electrical Component List
HVAC/ECAS, RR HVAC, BLOWER, RR DEFOG, STOP LP, TREC
INFO, CGR LTR
B+ Bus Bar - 1 of 2
Figure 12:

HVAC/ECAS, RR HVAC, BLOWER, RR DEFOG, STOP LP, TREC


Object Number: 831540  Size: FS
Master Electrical Component List
LH HID, RT HID, PCM B, CRANK, HORN, SIR
RTD, RR WPR, EAP, SUNROOF, IPC/DIC, SEO B1
B+ Bus Bar - 1 of 2
VEH CHMSL, VEH STOP, LT TRL ST/TRN, RT TRL ST/TRN
Figure 13:

LH HID, RH HID, PCM B, CRANK, HORN, SIR


Object Number: 831542  Size: FS
Master Electrical Component List
IGN 0, TBC IGN 0, TBC ACCY, SEO ACCY, WS WIPER, RR WIPER
HVAC/ECAS, RR HVAC, BLOWER, RR DEFOG, STOP LP, TREC
B+ Bus Bar - 1 of 2
Ignition, Run, Start, Accy Bus Bar
Figure 14:

IGN 0, TBC IGN 0, TBC ACCY, SEO ACCY, WS WPR, RR WPR


Object Number: 831544  Size: FS
Master Electrical Component List
O2A, O2B, TBC IGN 1, SEO IGN
HVAC/ECAS, RR HVAC, BLOWER, RR DEFOG, STOP LP, TREC
Figure 15:

O2A, O2B, TBC IGN 1, SEO IGN


Object Number: 831545  Size: FS
Master Electrical Component List
IGN E
IGN 0, TBC IGN 0, TBC ACCY, SEO ACCY, WS WIPER, RR WIPER
Ignition, Run, Start, Accy Bus Bar
Figure 16:

IGN E


Object Number: 832921  Size: FS
Master Electrical Component List
SBA, ETC/ECM, PCM 1, BTSI, TRL B/U
O2A, O2B, TBC IGN 1, SEO IGN
Ignition, Run, Start, Accy Bus Bar
Figure 17:

SBA, ETC/ECM, PCM 1, BTSI, TRL B/U


Object Number: 831547  Size: FS
Master Electrical Component List
INJ 1, INJ 2
IGN E
IGN 1 Relay Bus, SEO B2, RR DEFOG, SEO IGN, B/U LP
Figure 18:

INJ 1, INJ 2 - All Except 8.1L


Object Number: 831548  Size: FS
Master Electrical Component List
INJ 1, INJ 2-8.1L Only
SBA, ETC/ECM, PCM 1, BTSI, TRL B/U
Figure 19:

INJ 1, INJ 2 - 8.1L Only


Object Number: 873927  Size: FS
Master Electrical Component List
TBC 2A, TBC 2B, TBC 2C, LT DOORS, RT DOORS, SEATS
INJ 1, INJ 2
Figure 20:

TBC 2A, TBC 2B, TBC 2C, LT DOORS, RT DOOR, SEAT


Object Number: 831549  Size: FS
Master Electrical Component List
DDM, PDM, ECC, AUX PWR 2, AUX PWR
INJ 1, INJ 2-8.1L Only
LBEC 1, LBEC 2, MBEC 1
Figure 21:

DDM, PDM, ECC, AUX PWR 2, AUX PWR


Object Number: 831550  Size: FS
Master Electrical Component List
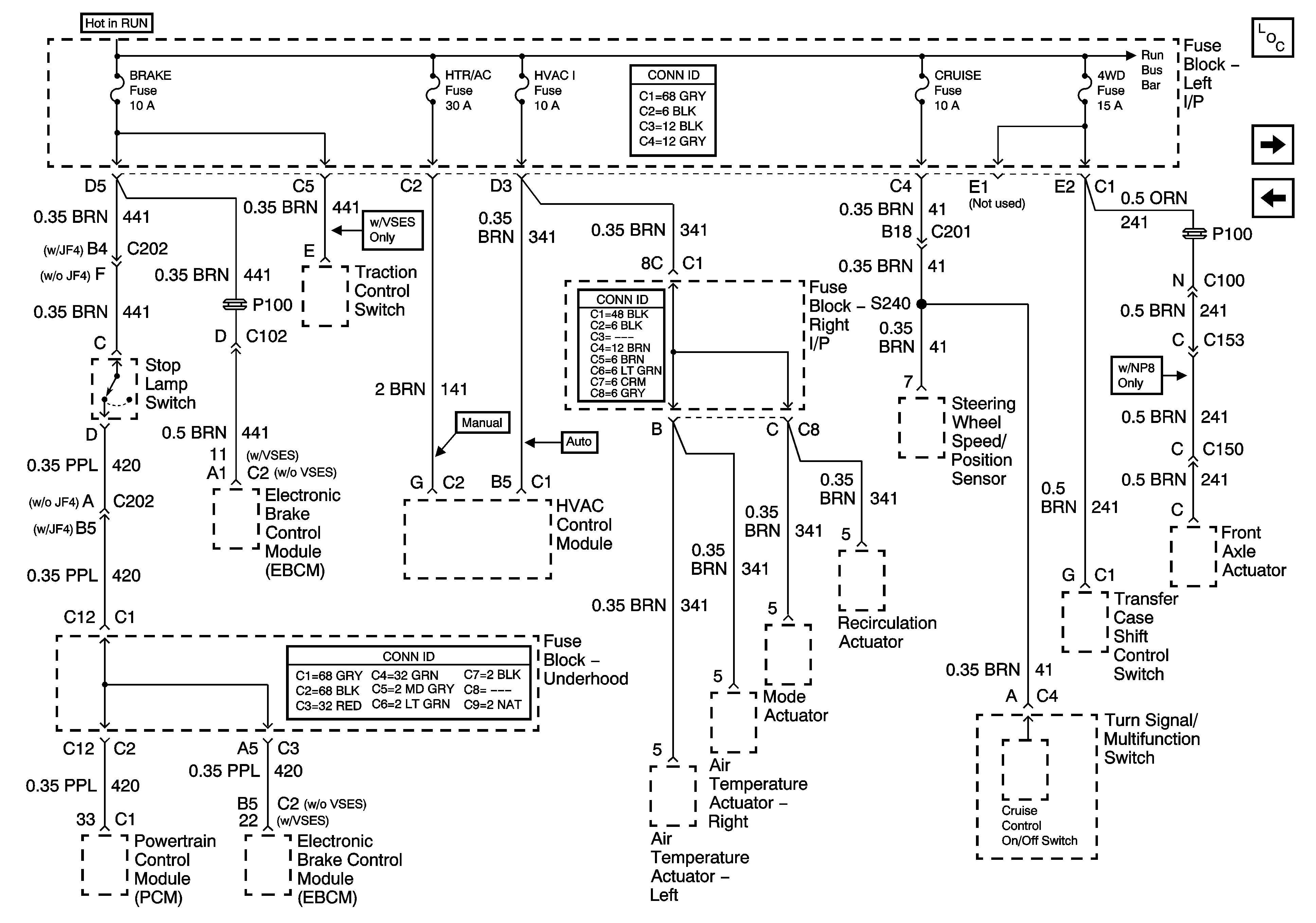
BRAKE, HTR/AC, HVAC I, CRUISE, 4WD
TBC 2A, TBC 2B, TBC 2C, LT DOORS, RT DOORS, SEATS
B+ Bus Bar - 1 of 2
Figure 22:

BRAKE, HTR/AC, HVAC I, CRUISE, 4WD


Object Number: 831552  Size: FS
Master Electrical Component List
IGN 3
DDM, PDM, ECC, AUX PWR 2, AUX PWR
Ignition, Run and Start Bus Bar
Figure 23:

IGN 3


Object Number: 831553  Size: FS
Master Electrical Component List
LO HDLP-LT, LO HDLP-RT, HI HDLP-LT, HI HDLP-RT
BRAKE, HTR/AC, HVAC I, CRUISE, 4WD
Ignition, Run and Start Bus Bar
Figure 24:

LO HDLP-LT, LO HDLP-RT, HI HDLP-LT, HI HDLP-RT


Object Number: 831554  Size: FS
Master Electrical Component List
LR PARK, RR PARK
IGN 3
Figure 25:

LR PARK, RR PARK


Object Number: 831555  Size: FS
Master Electrical Component List
FRT PARK, INTPARK, TRL PARK - Domestic
LO HDLP-LT, LO HDLP-RT, HI HDLP-LT, HI HDLP-RT
LO HDLP-LT, LO HDLP-RT, HI HDLP-LT, HI HDLP-RT
Figure 26:

FRT PARK, INTPARK, TRL PARK - Domestic


Object Number: 831556  Size: FS
Master Electrical Component List
FRT PARK, DRL, TRL PARK, INTPARK - Export
LR PARK, RR PARK
B+ Bus Bar - 2 of 2
Figure 27:

FRT PARK, DRL, TRL PARK, INTPARK - Export


Object Number: 833725  Size: FS
Master Electrical Component List
VEH CHMSL, VEH STOP, LT TRL ST/TRN, RT TRL ST/TRN
FRT PARK, INTPARK, TRL PARK - Domestic
B+ Bus Bar - 2 of 2
Figure 28:

VEH CHMSL, VEH STOP, LT TRLR ST/TRN, RT TRLR ST/TRN


Object Number: 831557  Size: FS
Master Electrical Component List
LR TRN, RT TRN - 1 of 2
FRT PARK, DRL, TRL PARK, INTPARK - Export
LR TRN, RT TRN - 1 of 2
HVAC/ECAS, RR HVAC, BLOWER, RR DEFOG, STOP LP, TREC
Figure 29:

LT TRN, RT TRN


Object Number: 831558  Size: FS
Master Electrical Component List
LT TRN, RT TRN - 2 of 2
VEH CHMSL, VEH STOP, LT TRL ST/TRN, RT TRL ST/TRN
LH HID, RT HID, PCM B, CRANK, HORN, SIR
LH HID, RT HID, PCM B, CRANK, HORN, SIR
LT TRN, RT TRN - 2 of 2
Figure 30:

LT TRN, RT TRN - 2 of 2


Object Number: 833726  Size: FS
Master Electrical Component List
LR TRN, RT TRN - 1 of 2
LR TRN, RT TRN - 1 of 2
LR TRN, RT TRN - 1 of 2
LR TRN, RT TRN - 1 of 2
LR TRN, RT TRN - 1 of 2