GM Service Manual Online
For 1990-2009 cars only
Makes
🢒
Chevrolet
🢒
2003
🢒
Tahoe - 4WD
🢒
Driveline/Axle
🢒
Transfer Case - BW 4482-NR4
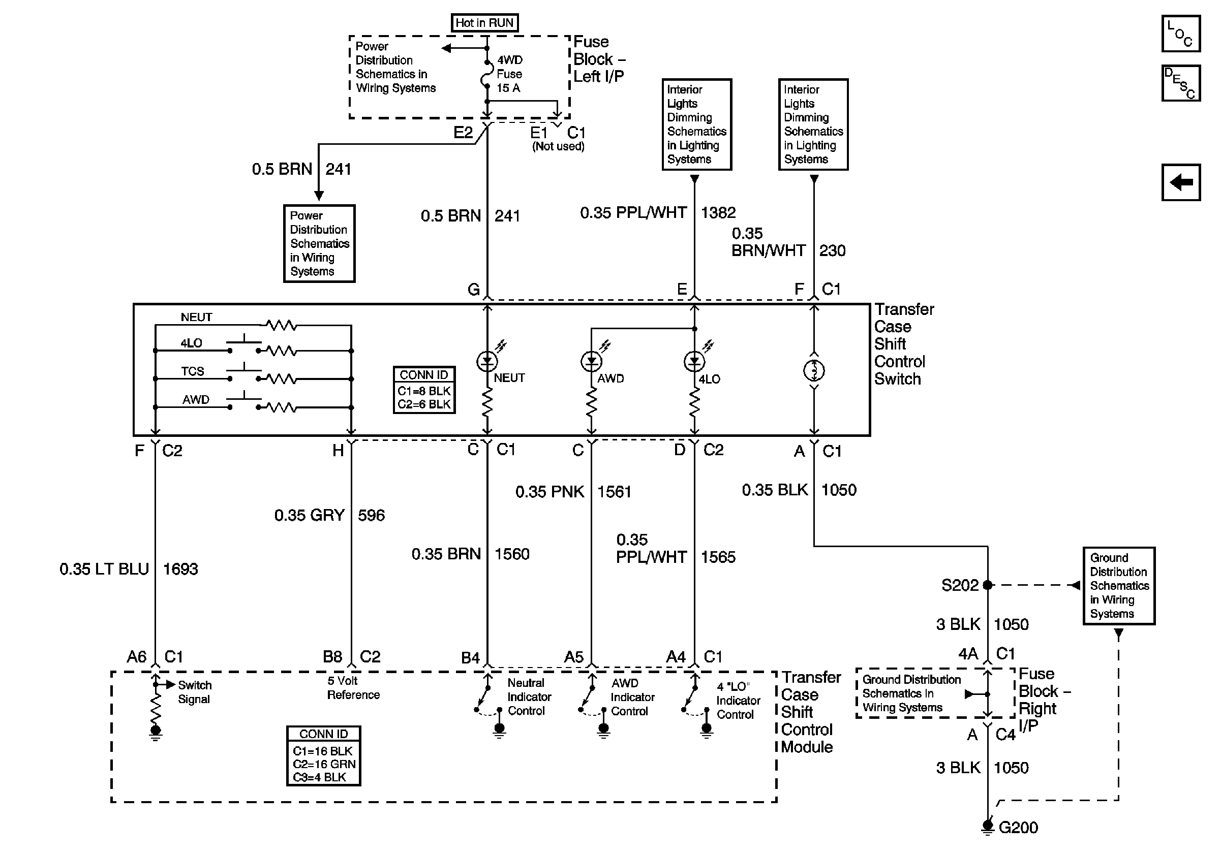
🢒 Transfer Case Control Schematics
Figure
1:
Power, Ground and Encoder Motor
Master Electrical Component List
Transfer Case Description and Operation
Switch Inputs
HVAC/ECAS, RR HVAC, BLOWER, RR DEFOG, STOP LP, TREC
SP205 - 1 of 2
G110
Figure
2:
Switch Inputs
Master Electrical Component List
Transfer Case Description and Operation
Power, Ground and Encoder Motor
BRAKE, HTR/AC, HVAC I, CRUISE, 4WD
LED Dimming Supply Voltage - 2 of 2
I/P Dimming Supply Voltage - 4 of 7
G200 - 1 of 3
G200 - 1 of 3