GM Service Manual Online
For 1990-2009 cars only
Figure 1:

Headlights/DRL Controls


Object Number: 884325  Size: FS
Master Electrical Component List
Exterior Lighting Systems Description and Operation
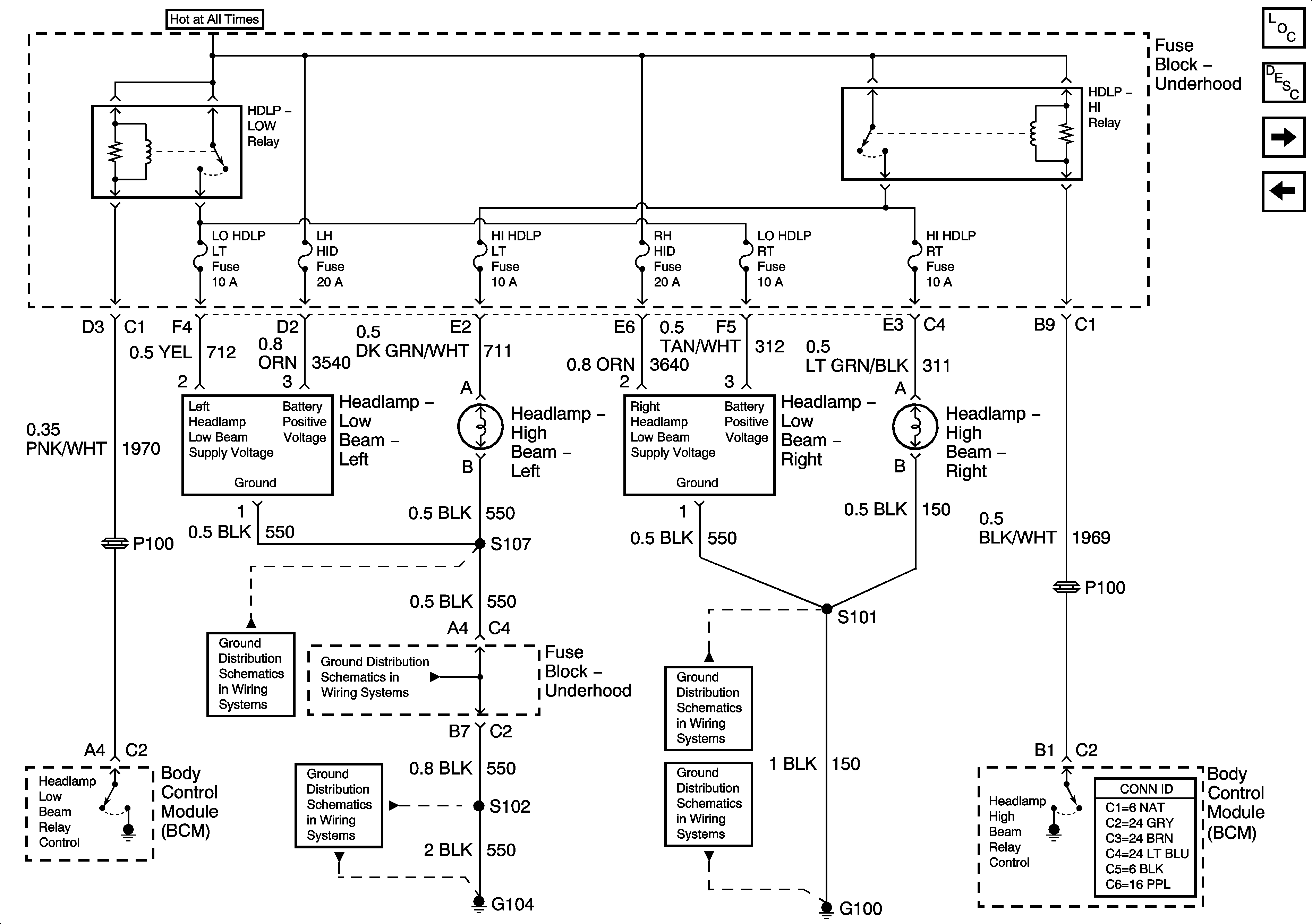
Headlights
G203 - 3 of 3
Park Lamp Relay - Domestic
Sun Load and Ambient Light Sensors
G203 - 1 Of 2
G203 - 1 Of 2
Figure 2:

Headlights


Object Number: 884326  Size: FS
Master Electrical Component List
Exterior Lighting Systems Description and Operation
Headlights (w/Z75)
Headlights/DRL Controls
G104, G107
G104, G107
G104, G107
G100, G101, G105, G106
G100, G101, G105, G106
Figure 3:

Headlights (w/Z75)


Object Number: 1207170  Size: FS
Master Electrical Component List
Exterior Lighting Systems Description and Operation
Daytime Running Lamps (DRl) - Domestic
Headlights
G104, G107
G104, G107
G104, G107
G100, G101, G105, G106
G100, G101, G105, G106
Figure 4:

Daytime Running Lamps (DRL) - Domestic


Object Number: 884331  Size: FS
Master Electrical Component List
Exterior Lighting Systems Description and Operation
Daytime Running Lamps (DRL) - Export
Headlights (w/Z75)
B+ Bus Bar - 2 of 2
G100, G101, G105, G106
G100, G101, G105, G106
G100, G101, G105, G106
Figure 5:

Daytime Running Lamps (DRL) - Export


Object Number: 884332  Size: FS
Master Electrical Component List
Exterior Lighting Systems Description and Operation
Daytime Running Lamps (DRl) - Domestic
B+ Bus Bar - 2 of 2
Park Lamp Relay - Export
Front Park Lamps - Export
Front Park Lamps - Export
S100 - Export
S101 - Export
G100, G101, G105, G106