GM Service Manual Online
For 1990-2009 cars only

Removal Procedure

  1. Remove the fuel tank filler cap in order to release the fuel vapor pressure in the fuel tank. After releasing the pressure, reinstall the filler cap.
  2. Release the fuel pressure. Refer to Fuel Pressure Relief in Engine Controls.
  3. Caution: Unless directed otherwise, the ignition and start switch must be in the OFF or LOCK position, and all electrical loads must be OFF before servicing any electrical component. Disconnect the negative battery cable to prevent an electrical spark should a tool or equipment come in contact with an exposed electrical terminal. Failure to follow these precautions may result in personal injury and/or damage to the vehicle or its components.

  4. Disconnect the negative battery cable.
  5. Drain the cooling system. Refer to Cooling System Draining and Filling in Engine Cooling.

  6. Object Number: 466398  Size: SH
  7. Disconnect the intake air temperature (IAT) sensor.
  8. Disconnect the mass air flow (MAF) sensor.
  9. Depress the electrical harness clamps and remove the harness from the air cleaner assembly.
  10. Remove the air intake hose (7) from the throttle body.

  11. Object Number: 586497  Size: SH
  12. Remove the accelerator cable (2) from the accelerator cable bracket (1).
  13. Remove the accelerator cable from the throttle body bellcrank (3).

  14. Object Number: 586502  Size: SH
  15. Disconnect the following electrical connectors:
  16. • Throttle position (TP) sensor (4)
    • Idle air control (IAC) valve (3)
    • Engine coolant temperature (ECT) sensor (2)
    • Evaporative emission canister purge valve
  17. Remove the EVAP canister purge valve vacuum hose.
  18. Remove the EVAP canister purge valve bracket bolt.
  19. Remove the EVAP canister purge valve bracket and valve assembly.
  20. Remove the coolant hose from the throttle body (1).

  21. Object Number: 586504  Size: SH
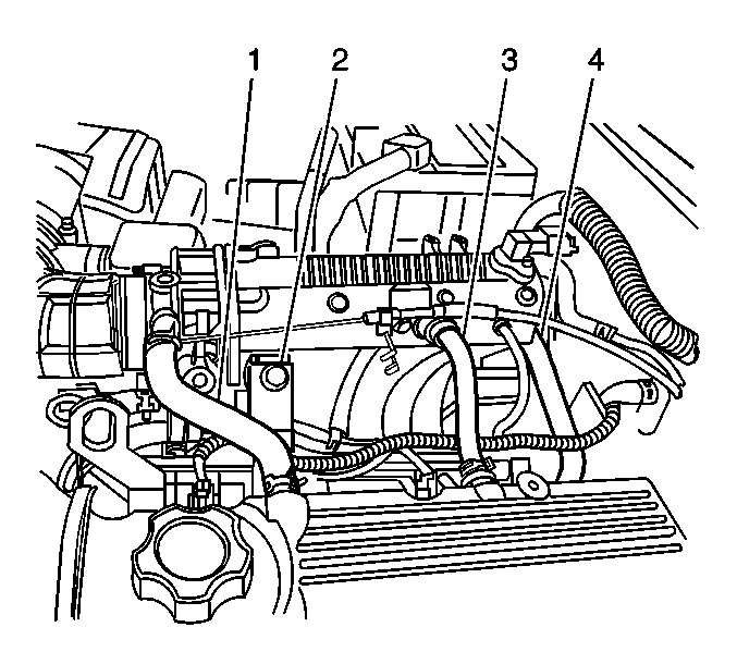
  22. Disconnect the following electrical connectors:
  23. • Exhaust gas recirculation (EGR) connector (4)
    • Manifold absolute pressure (MAP) sensor connector (1)
    • Engine ground wire (2) from intake manifold
  24. Remove the brake booster supply hose (3) from the intake manifold.

  25. Object Number: 586505  Size: SH

    Important: Use a shop rag to catch any fuel that may leak during the disconnection of the fuel lines.

  26. Disconnect the inlet fuel line (1).
  27. Disconnect the return fuel line (2).

  28. Object Number: 466472  Size: SH
  29. Remove the upper radiator hose from the thermostat housing (1).

  30. Object Number: 586494  Size: SH
  31. Remove the upper generator mounting bracket (2).

  32. Object Number: 586508  Size: SH
  33. Remove the lower intake manifold support bracket (2) from the intake manifold (1).

  34. Object Number: 586492  Size: SH
  35. Remove the crankcase vent hose (1).
  36. Remove the PCV hose from the PCV valve (3).
  37. Disconnect the fuel injector 6-way connector at the rear of the intake manifold.
  38. Remove the EGR valve.
  39. Disconnect the heated oxygen sensor (HO2S1) electrical connector.
  40. Raise and suitably support the vehicle. Refer to Lifting and Jacking the Vehicle in General Information.

  41. Object Number: 166262  Size: SH
  42. Remove the following from the exhaust manifold and engine block:
  43. • Two bolts
    • One nut
    • The exhaust manifold reinforcement bracket (1)

    Object Number: 166268  Size: SH
  44. Remove the following from the exhaust manifold (1):
  45. • Two bolts
    • The front pipe/three way catalytic converter (TWC) assembly (3)
  46. Lower the vehicle.
  47. Remove the valve rocker arm cover. Refer to Valve Rocker Arm Cover Replacement .
  48. Remove the timing belt. Refer to Timing Belt Replacement .
  49. Remove the camshaft. Refer to Camshaft Replacement .

  50. Object Number: 166387  Size: SH

    Important: Loosen the cylinder head bolts gradually in the specified sequence to prevent the cylinder head distortion.

  51. Remove the cylinder head bolts from the cylinder block.
  52. Remove the cylinder head, intake manifold, and exhaust manifold as an assembly.
  53. Clean the mating surfaces of the following:
  54. • The cylinder head
    • The cylinder block
  55. Clean all the bolt threads and bolts.
  56. Inspect the cylinder head. Refer to Cylinder Head Cleaning and Inspection .

  57. Object Number: 166393  Size: SH

    Notice: Use the correct fastener in the correct location. Replacement fasteners must be the correct part number for that application. Fasteners requiring replacement or fasteners requiring the use of thread locking compound or sealant are identified in the service procedure. Do not use paints, lubricants, or corrosion inhibitors on fasteners or fastener joint surfaces unless specified. These coatings affect fastener torque and joint clamping force and may damage the fastener. Use the correct tightening sequence and specifications when installing fasteners in order to avoid damage to parts and systems.

  58. Inspect the oil jet (2) in the cylinder head for any obstructions and ensure that the oil jet is tightened to its torque specification.
  59. Tighten
    Tighten the oil jet to 5 N·m (44 lb in).

Installation Procedure

  1. Apply clean engine oil to the threaded portion of all of the cylinder bolts.

  2. Object Number: 166390  Size: SH
  3. Install the new cylinder head gasket to the cylinder block.
  4. Install the cylinder head, intake manifold, and exhaust manifold as an assembly onto the cylinder block.
  5. Secure the cylinder head with ten bolts.
  6. Notice: Use the correct fastener in the correct location. Replacement fasteners must be the correct part number for that application. Fasteners requiring replacement or fasteners requiring the use of thread locking compound or sealant are identified in the service procedure. Do not use paints, lubricants, or corrosion inhibitors on fasteners or fastener joint surfaces unless specified. These coatings affect fastener torque and joint clamping force and may damage the fastener. Use the correct tightening sequence and specifications when installing fasteners in order to avoid damage to parts and systems.

  7. Tighten the cylinder head bolts (1) in 3 separate steps, following the illustrated sequence.
  8. Tighten

    1. Tighten the 10 cylinder head bolts on the first pass to 35 N·m (26 lb ft).
    2. Tighten the 10 cylinder head bolts on the second pass to 55 N·m (41 lb ft).
    3. Tighten the 10 cylinder head bolts on the final (third) pass to 70 N·m (52 lb ft).
  9. After attaining the proper cylinder head torque, the cylinder head bolts will need to be loosened in the reverse order that they were tightened. After loosening the cylinder head bolts, retorque the cylinder head to specifications.
  10. Tighten the cylinder head bolts (1) in three separate steps, following the illustrated sequence.
  11. Tighten

    1. Tighten the ten cylinder head bolts on the first pass to 35 N·m (26 lb ft).
    2. Tighten the ten cylinder head bolts on the second pass to 55 N·m (41 lb ft).
    3. Tighten the ten cylinder head bolts on the final (third) pass to 70 N·m (52 lb ft).
  12. Install the camshaft. Refer to Camshaft Replacement .
  13. Install the timing belt. Refer to Timing Belt Replacement .
  14. Install the valve rocker arm cover. Refer to Valve Rocker Arm Cover Replacement .
  15. Raise and support the vehicle. Refer to Lifting and Jacking the Vehicle in General Information.

  16. Object Number: 166268  Size: SH
  17. Install the front pipe/TWC assembly (3) with a new gasket (2) to the exhaust manifold (1). Secure the assembly with 2 bolts.
  18. Tighten
    Tighten the exhaust manifold-to-front pipe/TWC assembly bolts to 50 N·m (37 lb ft).


    Object Number: 166262  Size: SH
  19. Install the exhaust manifold brackets (1) to the exhaust manifold and the engine block. Secure the brackets with 1  nut and 2 bolts.
  20. Tighten

    • Tighten the engine mount-to-exhaust bracket bolts to 54 N·m (40 lb ft).
    • Install the exhaust bracket-to-exhaust manifold nut to 50 N·m (37 lb ft).
  21. Lower the vehicle.
  22. Connect the (HO2S1) electrical connector.

  23. Object Number: 586492  Size: SH
  24. Install the crankcase vent hose (1).
  25. Install the PCV hose (3) to the PCV valve.
  26. Connect the fuel injector 6-way connector at the rear of the intake manifold.

  27. Object Number: 586508  Size: SH
  28. Install the lower intake manifold support bracket (2) to the intake manifold (1). Secure the bracket with 2 bolts.
  29. Tighten
    Tighten the lower intake manifold support bracket bolts to 50 N·m (37 lb ft).


    Object Number: 586494  Size: SH
  30. Install the upper generator mounting bracket (2). Secure the bracket with 2 bolts.
  31. Tighten
    Tighten the upper generator mounting bracket bolts to 50 N·m (37 lb ft).

  32. Adjust the generator drive belt tension. Refer to Drive Belt Replacement .
  33. Reinstall the EVAP canister.

  34. Object Number: 466472  Size: SH
  35. Install the upper radiator hose to the thermostat housing (1).

  36. Object Number: 586505  Size: SH
  37. Install the fuel inlet hose (1) to the fuel line union.
  38. Install the fuel return hose (2) to the fuel line union.

  39. Object Number: 586504  Size: SH
  40. Connect the following electrical connectors:
  41. • Exhaust gas recirculation (EGR) connector (4)
    • Manifold absolute pressure (MAP) sensor connector (1)
    • Engine ground wire (2) from intake manifold
  42. Install the Brake booster supply hose (3) to the intake manifold.

  43. Object Number: 586502  Size: SH
  44. Connect the following electrical connectors:
  45. • Throttle position (TP) sensor (4)
    • Idle air control (IAC) valve (3)
    • Engine coolant temperature (ECT) sensor (2)
    • Evaporative emission canister purge valve
  46. Install the EVAP canister purge valve vacuum hose.
  47. Install the coolant hose to the throttle body (1).

  48. Object Number: 586497  Size: SH
  49. Install the accelerator cable (2) to the accelerator cable bracket (1).
  50. Install the accelerator cable to the throttle body bellcrank (3). Adjust the accelerator cable as necessary. Refer to Accelerator Control Cable Replacement in Engine Controls.

  51. Object Number: 466398  Size: SH
  52. Connect the intake air temperature (IAT) sensor.
  53. Connect the mass air flow (MAF) sensor.
  54. Install the electrical harness clamps to the air cleaner assembly.
  55. Install the air intake hose (7) to the throttle body.
  56. Refill the cooling system as necessary. Refer to Cooling System Draining and Filling in Engine Cooling.
  57. Install the negative battery cable.
  58. Tighten
    Tighten the battery cable bolt to 15 N·m (11 lb ft).