GM Service Manual Online
For 1990-2009 cars only
Figure 1:

(Engine Indicators)


Object Number: 483796  Size: FS
Instrument Cluster Components
Instrument Cluster Circuit Description
(ECT, Fuel Gages, Tachometer and Oil Indicator)
Instrument Panel Lamp Dimmer Control and Lamps
Instrument Panel Lamp Dimmer Control and Lamps
Charging System
IG, TURN and WIP Fuses
Cruise Indicator, Main Cruise Control Switch and Mode Switch
Handling ESD Sensitive Parts Notice
IG, TURN and WIP Fuses
ABS Schematics
Figure 2:

(ECT,Fuel Gages,Tachometer and Oil Indicator)


Object Number: 483812  Size: FS
Instrument Cluster Components
Instrument Cluster Circuit Description
(VSS Circuit)
(Engine Indicators)
Handling ESD Sensitive Parts Notice
Figure 3:

(VSS Circuit)


Object Number: 483814  Size: FS
Cruise Control Components
Cruise Control System Circuit Description
Cruise Indicator, Main Cruise Control Switch and Mode Switch
Power and Ground
G103
Handling ESD Sensitive Parts Notice
Handling ESD Sensitive Parts Notice
BATT, ABS, FI and ACC Fuses
Figure 4:

(Speedometer)


Object Number: 483817  Size: FS
Instrument Cluster Components
Instrument Cluster Circuit Description
(ABS, Brake, Seat Belt and Airbag Indicators)
(VSS Circuit)
HAZ, D/L, TAIL, STOP and DOME Fuses
HAZ, D/L, TAIL, STOP and DOME Fuses
G103
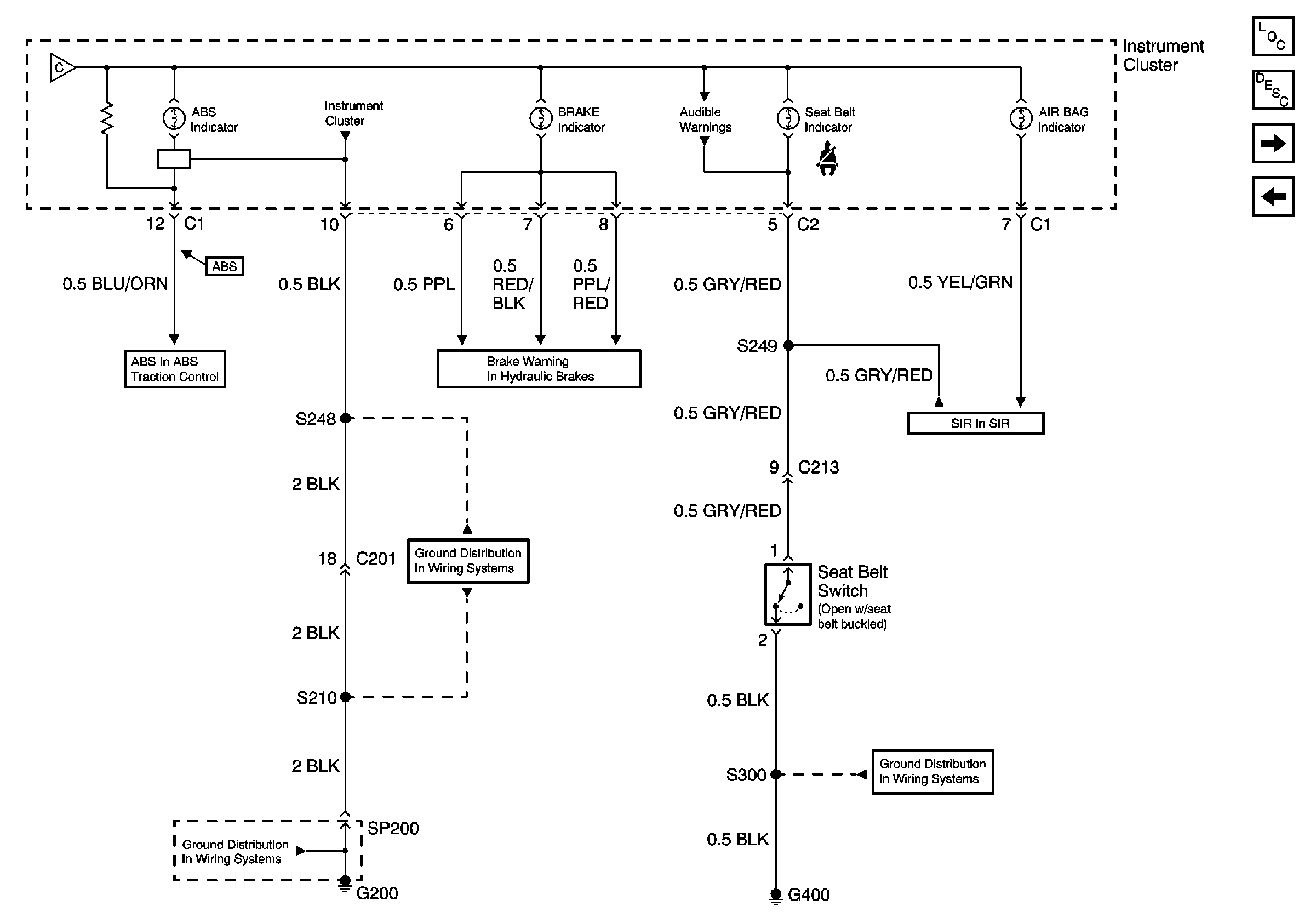
Figure 5:

(ABS,Brake,Seat Belt and Airbag Indicators)


Object Number: 483820  Size: FS
Instrument Cluster Components
Instrument Cluster Circuit Description
(Turn and High Beam Indicators)
(Speedometer)
SIR Schematics
G400 and G401
Brake Warning System Schematics
G200 (1 of 2)
G200 (1 of 2)
ABS Schematics
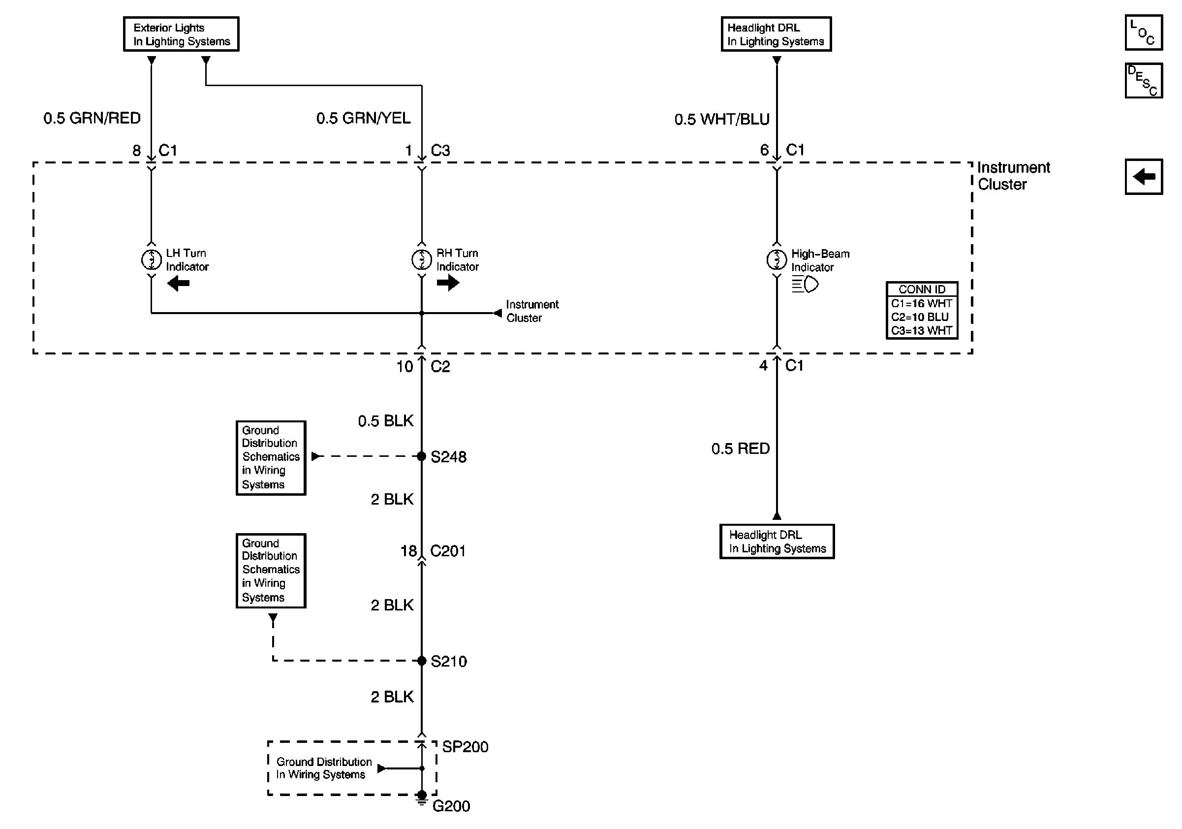
Figure 6:

(Turn and High Beam Indicators)


Object Number: 356747  Size: FS
Instrument Cluster Components
Instrument Cluster Circuit Description
(ABS, Brake, Seat Belt and Airbag Indicators)
Headlamps, DRL Diode, Instrument Cluster
Headlamps, DRL Diode, Instrument Cluster
Hazard Switch and Turn Indicators
G200 (2 of 2)
G200 (1 of 2)
G200 (1 of 2)