GM Service Manual Online
For 1990-2009 cars only
Figure 1:

Main Relay, Powertrain Control Module (PCM) Power and Ground


Object Number: 883455  Size: FS
Master Electrical Component List
Data Link Connector (DLC) and Malfunction Indicator Lamp (MIL)
OBD II Symbol Description Notice
BATT, ABS, FI, ACC Fuses
HAZ, D/L, TAIL, STOP, DOME Fuses
IG Fuse
HAZ, D/L, TAIL, STOP, DOME Fuses
IG Fuse
G100, G101, G102
Figure 2:

Data Link Connector (DLC) and Malfunction Indicator Lamp (MIL)


Object Number: 883456  Size: FS
Master Electrical Component List
Exhaust Gas Recirculation (EGR) Valve and EVAP Solenoids
Main Relay, Powertrian Control Module (PCM) Power and Ground
OBD II Symbol Description Notice
S248
G200
SIR Schematics
HAZ, D/L, TAIL, STOP, DOME Fuses
IG Fuse
HAZ, D/L, TAIL, STOP, DOME Fuses
IG Fuse
Power, O/D OFF, 4WD, MIL, CRUISE, Charge Indicators
Figure 3:

Exhaust Gas Recirculation (EGR) and EVAP Solenoids


Object Number: 883457  Size: FS
Master Electrical Component List
Idle Air Control (IAC) Valve, Mass Air Flow (MAF) Sensor, Vehicle Speed Sensor
Data Link Connector (DLC) and Malfunction Indicator Lamp (MIL)
OBD II Symbol Description Notice
Figure 4:

Idle Air Control (IAC) Valve, Mass Air Flow (MAF) Sensor, Vehicle Speed Sensor (VSS)


Object Number: 883458  Size: FS
Master Electrical Component List
Ignition Coils
Exhaust Gas Recirculation (EGR) Valve and EVAP Solenoids
OBD II Symbol Description Notice
BATT, ABS, FI, ACC Fuses
Cruice Control Servo, Vehicle Speed Sensor (VSS)
G103
Figure 5:

Ignition System


Object Number: 883460  Size: FS
Master Electrical Component List
Fuel Injectors
Idle Air Control (IAC) Valve, Mass Air Flow (MAF) Sensor, Vehicle Speed Sensor
OBD II Symbol Description Notice
IG Fuse
G103
Figure 6:

Fuel Injectors


Object Number: 883461  Size: FS
Master Electrical Component List
ECT, IAT, MAP, TPS, FTP Sensors
Ignition Coils
OBD II Symbol Description Notice
BATT, ABS, FI, ACC Fuses
Figure 7:

ECT, IAT, MAP, TPS, FTP Sensors


Object Number: 883463  Size: FS
Master Electrical Component List
Fuel Pump Relay, Fuel Sender Assembly
Fuel Injectors
OBD II Symbol Description Notice
Oil Pressure Indicator, ECT, Fuel Gauges, Tachometer
Figure 8:

Fuel Pump Relay, Fuel Sender Assembly


Object Number: 883465  Size: FS
Master Electrical Component List
Crankshaft Position (CKP) Sensor, Camshaft Position (CMP) Sensor, Knock Sensor
ECT, IAT, MAP, TPS, FTP Sensors
OBD II Symbol Description Notice
BATT, ABS, FI, ACC Fuses
Oil Pressure Indicator, ECT, Fuel Gauges, Tachometer
IG Fuse
IG Fuse
G400 and G401
G103
Figure 9:

Crankshaft Position (CKP) Sensor, Camshaft Position (CMP) Sensor, Knock Sensor (KS)


Object Number: 883466  Size: FS
Master Electrical Component List
Heated Oxygen Sensors (HO2S)
Fuel Pump Relay, Fuel Sender Assembly
OBD II Symbol Description Notice
BATT, ABS, FI, ACC Fuses
IG Fuse
IG Fuse
Oil Pressure Indicator, ECT, Fuel Gauges, Tachometer
G100, G101, G102
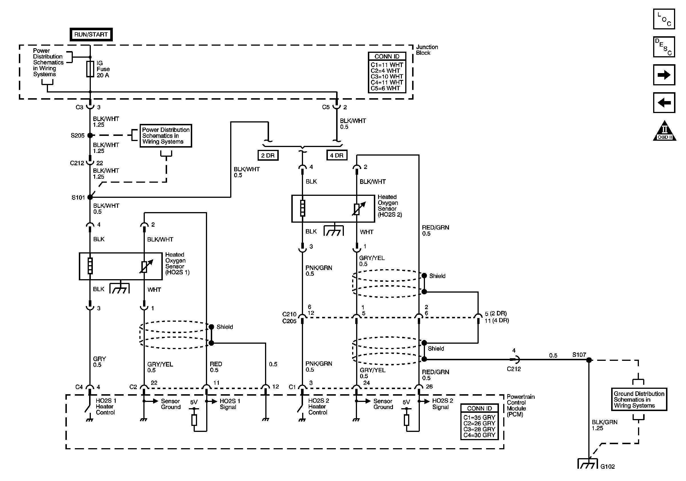
Figure 10:

Heated Oxygen Sensors (HO2S)


Object Number: 883467  Size: FS
Master Electrical Component List
Clutch Pedal Position switch (CPP), Transmission Range Switch
Crankshaft Position (CKP) Sensor, Camshaft Position (CMP) Sensor, Knock Sensor
OBD II Symbol Description Notice
IG Fuse
IG Fuse
G100, G101, G102
Figure 11:

Clutch Pedal Position (CPP) Switch, Transmission Range Switch


Object Number: 883469  Size: FS
Master Electrical Component List
Four Wheel Drive Switches, Front Drive Axle Actuator Pump
Heated Oxygen Sensors (HO2S)
OBD II Symbol Description Notice
Cruise Control Servo, Transmission Range Switch, Cruise Control Release Switch
Starting System
Figure 12:

Four Wheel Drive Switches, Front Drive Axle Actuator Pump


Object Number: 883470  Size: FS
Master Electrical Component List
Stoplamp Switch, Transmission Range Switch
Clutch Pedal Position switch (CPP), Transmission Range Switch
OBD II Symbol Description Notice
G201
G201
G105
IG Fuse
IG Fuse
TURN, WIP Fuses
Figure 13:

Stop Lamp Switch, Transmission Range Switch


Object Number: 883472  Size: FS
Master Electrical Component List
Output Shaft Speed Sensor, Input Shaft Speed Sensor
Four Wheel Drive Switches, Front Drive Axle Actuator Pump
OBD II Symbol Description Notice
HAZ, D/L, TAIL, STOP, DOME Fuses
HAZ, D/L, TAIL, STOP, DOME Fuses
TURN, WIP Fuses
Electronic Brake Control Module (EBCM), Brake Indicator, Stoplamp Switch
Stoplamp Switch, Cruise Control Servo
Shiftlock Control with Cruise Control
Stoplamps Switch, Stoplamps
Backup Lamps, Backup Lamp Switch, Transmission Range Switch
Figure 14:

Output Shaft Speed Sensor, Input Shaft Speed Sensor


Object Number: 883473  Size: FS
Master Electrical Component List
Shift Program Switch, Overdrive Switch
Stoplamp Switch, Transmission Range Switch
OBD II Symbol Description Notice
Figure 15:

Shift Program Switch, Overdrive Switch


Object Number: 883475  Size: FS
Master Electrical Component List
Powertrain Control Module (PCM) Idle-Up Inputs
Output Shaft Speed Sensor, Input Shaft Speed Sensor
OBD II Symbol Description Notice
Instrument Panel Lamp Dimmer Control
G201
G201
IG Fuse
IG Fuse
Power, O/D OFF, 4WD, MIL, CRUISE, Charge Indicators
Figure 16:

Powertrain Control Module (PCM) Idle-Up Inputs


Object Number: 883476  Size: FS
Master Electrical Component List
Shift Program Switch, Overdrive Switch
OBD II Symbol Description Notice
Defogger Schematic
Side Marker Lamps, Light Switch, Ambient Light Sensor
Blower Control with A/C