GM Service Manual Online
For 1990-2009 cars only
Figure 1:

Main Relay, Powertrain Control Module (PCM) Power and Ground


Object Number: 883478  Size: FS
Master Electrical Component List
Data Link Connector (DLC) and Malfunction Indicator Lamp (MIL)
OBD II Symbol Description Notice
BATT, ABS, FI, ACC Fuses
HAZ, D/L, TAIL, STOP, DOME Fuses
IG Fuse
HAZ, D/L, TAIL, STOP, DOME Fuses
IG Fuse
G100, G101, G102
G103
Figure 2:

Data Link Connector (DLC) and Malfunction Indicator Lamp (MIL)


Object Number: 883479  Size: FS
Master Electrical Component List
Exhaust Gas Recirculation (EGR) Valve, EVAP Solenoids
Main Relay, Powertrain Control Module (PCM) Power and Ground
OBD II Symbol Description Notice
S248
G200
SIR Schematics
HAZ, D/L, TAIL, STOP, DOME Fuses
HAZ, D/L, TAIL, STOP, DOME Fuses
IG Fuse
IG Fuse
Power, O/D OFF, 4WD, MIL, CRUISE, Charge Indicators
Figure 3:

Exhaust Gas Recirculation (EGR) and EVAP Solenoids


Object Number: 883480  Size: FS
Master Electrical Component List
Idle Air Control (IAC) Valve, Mass Air Flow (MAF) Sensor, Vehicle Speed Sensor
Data Link Connector (DLC) and Malfunction Indicator Lamp (MIL)
OBD II Symbol Description Notice
BATT, ABS, FI, ACC Fuses
Figure 4:

Idle Air Control (IAC) Valve, Mass Air Flow (MAF) Sensor, Vehicle Speed Sensor (VSS)


Object Number: 883481  Size: FS
Master Electrical Component List
Ignition Coils
Exhaust Gas Recirculation (EGR) Valve, EVAP Solenoids
OBD II Symbol Description Notice
BATT, ABS, FI, ACC Fuses
Cruice Control Servo, Vehicle Speed Sensor (VSS)
G103
Figure 5:

Ignition System


Object Number: 883482  Size: FS
Master Electrical Component List
Fuel Injectors
Idle Air Control (IAC) Valve, Mass Air Flow (MAF) Sensor, Vehicle Speed Sensor
OBD II Symbol Description Notice
IG Fuse
IG Fuse
Entertainment Schematics
G103
Figure 6:

Fuel Injectors


Object Number: 883484  Size: FS
Master Electrical Component List
ECT, TPS, MAP, FTP, IAT Sensors
Ignition Coils
OBD II Symbol Description Notice
BATT, ABS, FI, ACC Fuses
Figure 7:

ECT, IAT, MAP, TPS, FTP Sensors


Object Number: 883486  Size: FS
Master Electrical Component List
Fuel Pump Relay, Fuel Sender Assembly
Fuel Injectors
OBD II Symbol Description Notice
Oil Pressure Indicator, ECT, Fuel Gauges, Tachometer
Figure 8:

Fuel Pump Relay, Fuel Sender Assembly


Object Number: 883487  Size: FS
Master Electrical Component List
Camshaft Position (CMP) Sensor, Crankshaft Position (CKP) Sensor
ECT, TPS, MAP, FTP, IAT Sensors
OBD II Symbol Description Notice
BATT, ABS, FI, ACC Fuses
IG Fuse
IG Fuse
G400 and G401
G103
Oil Pressure Indicator, ECT, Fuel Gauges, Tachometer
Figure 9:

Crankshaft Position (CKP) Sensor, Camshaft Position (CMP) Sensor, Knock Sensor (KS)


Object Number: 883489  Size: FS
Master Electrical Component List
Heated Oxygen Sensor (HO2S) Fuse and Relay
Fuel Pump Relay, Fuel Sender Assembly
OBD II Symbol Description Notice
BATT, ABS, FI, ACC Fuses
IG Fuse
IG Fuse
Oil Pressure Indicator, ECT, Fuel Gauges, Tachometer
G100, G101, G102
Figure 10:

Heated Oxygen Sensor (HO2S) Fuse and Relay


Object Number: 883491  Size: FS
Master Electrical Component List
Heated Oxygen Sensors (HO2S)
Camshaft Position (CMP) Sensor, Crankshaft Position (CKP) Sensor
OBD II Symbol Description Notice
IG Fuse
IG Fuse
G104
Ignition Switch
G104
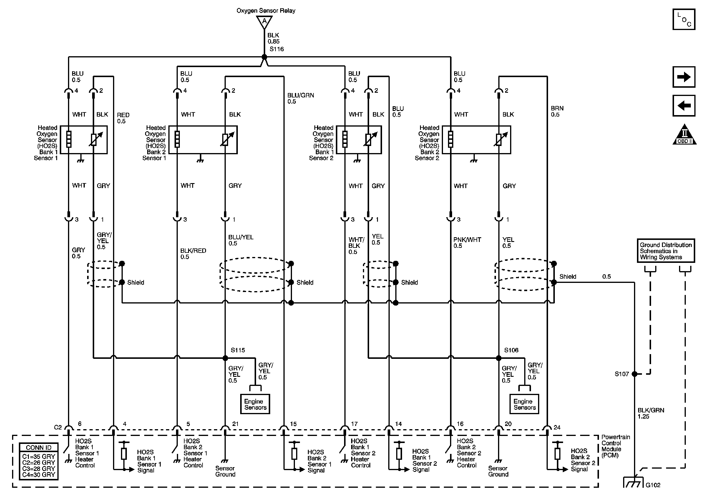
Figure 11:

Heated Oxygen Sensors (HO2S)


Object Number: 883492  Size: FS
Master Electrical Component List
Transmission Range Switch
Heated Oxygen Sensor (HO2S) Fuse and Relay
OBD II Symbol Description Notice
G100, G101, G102
Figure 12:

Clutch Pedal Position (CPP) Switch, Transmission Range Switch


Object Number: 883494  Size: FS
Master Electrical Component List
Four Wheel Drive Switches, Front Drive Axle Actuator Pump
Heated Oxygen Sensors (HO2S)
OBD II Symbol Description Notice
Cruise Control Servo, Transmission Range Switch, Cruise Control Release Switch
Starting System
Figure 13:

Four Wheel Drive Switches, Front Drive Axle Actuator Pump


Object Number: 883495  Size: FS
Master Electrical Component List
Transmission Range Switch
Transmission Range Switch
OBD II Symbol Description Notice
G201
G201
G105
IG Fuse
IG Fuse
TURN, WIP Fuses
Figure 14:

Stoplamp Switch, Transmission Range Switch


Object Number: 883497  Size: FS
Master Electrical Component List
Output Shaft Speed Sensor, Input Shaft Speed Sensor, TCC Solenoid
Four Wheel Drive Switches, Front Drive Axle Actuator Pump
OBD II Symbol Description Notice
HAZ, D/L, TAIL, STOP, DOME Fuses
HAZ, D/L, TAIL, STOP, DOME Fuses
TURN, WIP Fuses
Electronic Brake Control Module (EBCM), Brake Indicator, Stoplamp Switch
Stoplamp Switch, Cruise Control Servo
Shiftlock Control with Cruise Control
Stoplamps Switch, Stoplamps
Backup Lamps, Backup Lamp Switch, Transmission Range Switch
Figure 15:

Output Shaft Speed Sensor, Input Shaft Speed Sensor, Torque Converter Clutch (TCC) Solenoid


Object Number: 883498  Size: FS
Master Electrical Component List
Shift Program Switch, Overdrive Switch
Transmission Range Switch
OBD II Symbol Description Notice
Figure 16:

Shift Program Switch, Overdrive Switch


Object Number: 883499  Size: FS
Master Electrical Component List
Powertrain Control Module (PCM) Idle-Up Inputs
Output Shaft Speed Sensor, Input Shaft Speed Sensor, TCC Solenoid
OBD II Symbol Description Notice
Instrument Panel Lamp Dimmer Control
G201
G201
IG Fuse
IG Fuse
Power, O/D OFF, 4WD, MIL, CRUISE, Charge Indicators
Figure 17:

Powertrain Control Module (PCM) Idle-Up Inputs


Object Number: 884486  Size: FS
Master Electrical Component List
Shift Program Switch, Overdrive Switch
OBD II Symbol Description Notice
Defogger Schematic
Blower Control with A/C
Side Marker Lamps, Light Switch, Ambient Light Sensor