GM Service Manual Online
For 1990-2009 cars only
Makes
🢒
Chevrolet
🢒
2003
🢒
Tracker - 2WD
🢒
Body and Accessories
🢒
Lighting Systems
🢒 Interior Lights Schematics
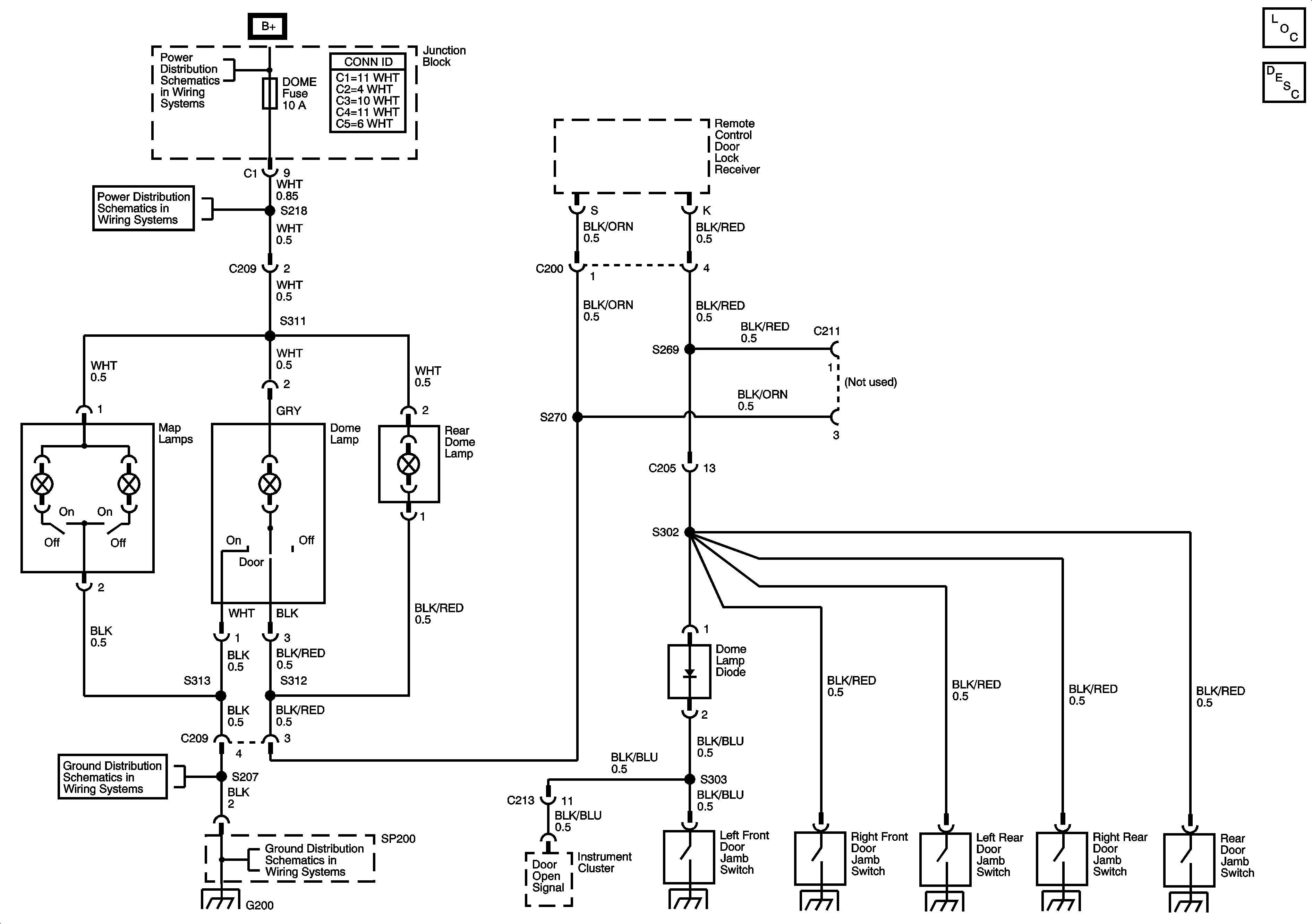
Figure
1:
Dome Lamps, Map Lamps (4 Door)
Master Electrical Component List
Interior Lighting Systems Description and Operation
Dome Lamps, Map Lamps (2 Door)
HAZ, D/L, TAIL, STOP, DOME Fuses
S207
G200
Multifunction Alarm Module, Seat Belt Signal, Door Open Signal
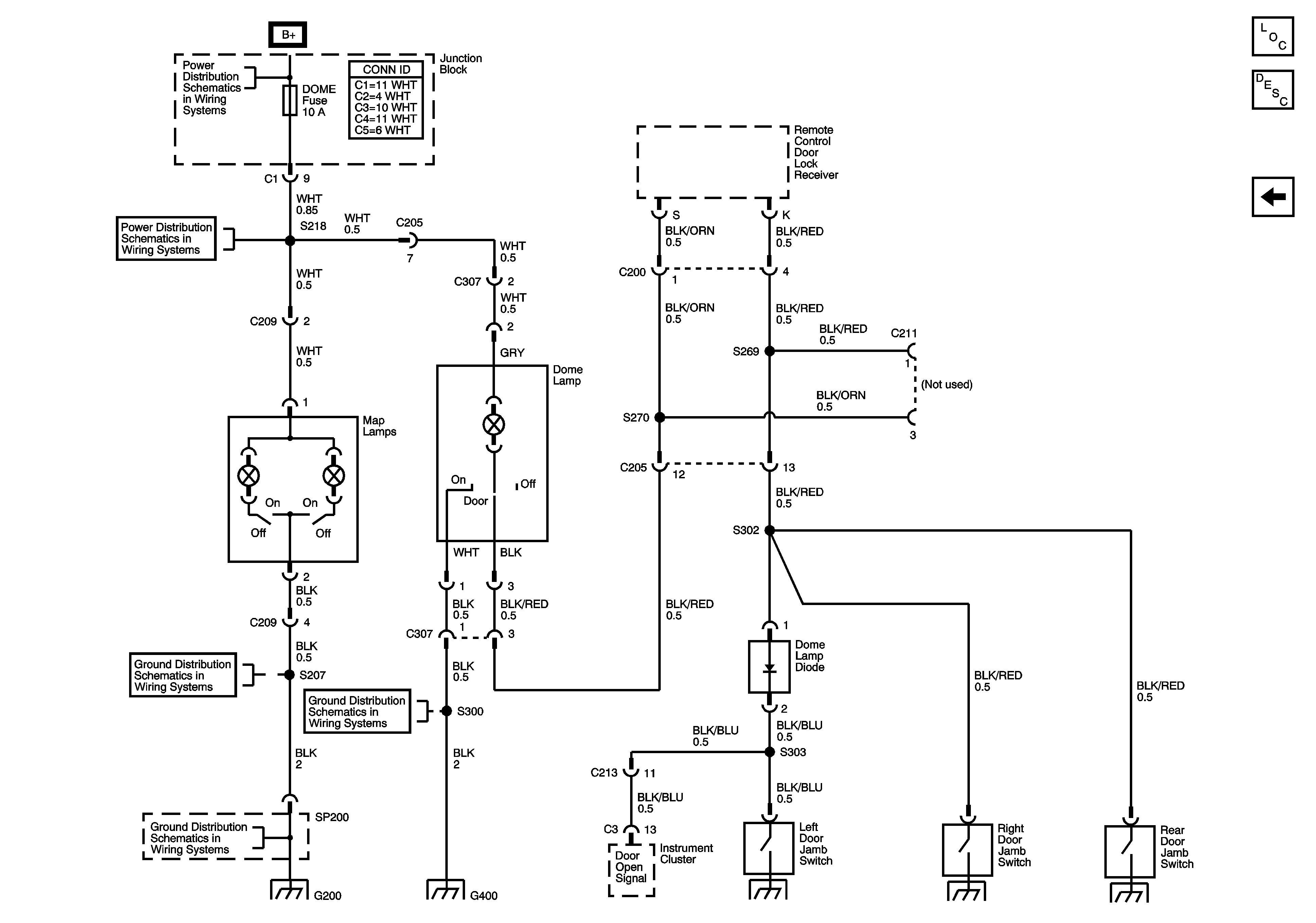
Figure
2:
Dome Lamps, Map Lamps (2 Door)
Master Electrical Component List
Interior Lighting Systems Description and Operation
Dome Lamps, Map Lamps (4 Door)
HAZ, D/L, TAIL, STOP, DOME Fuses
G400 and G401
Multifunction Alarm Module, Seat Belt Signal, Door Open Signal
S207
G200