GM Service Manual Online
For 1990-2009 cars only
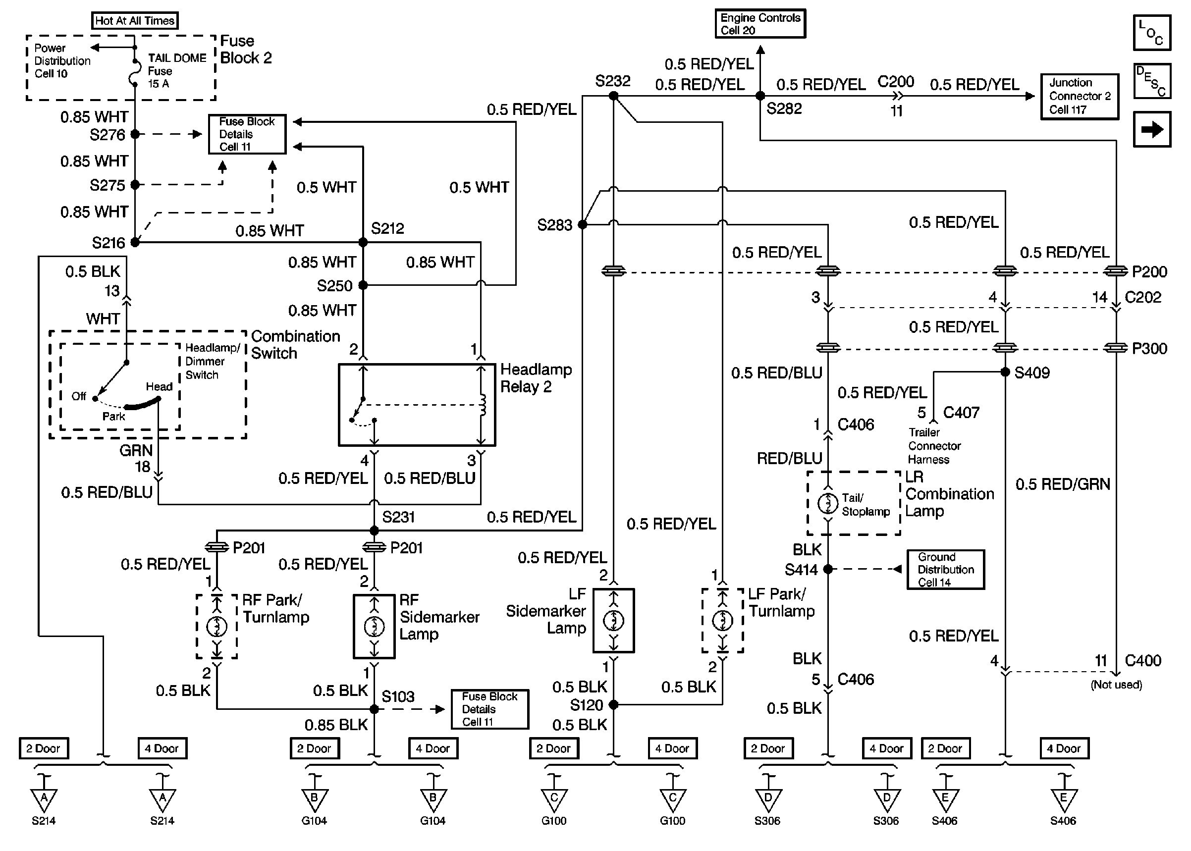
Figure 1:

Cell 110: Combination Switch


Object Number: 356879  Size: FS
Power Distribution Schematics
Fuse Block Schematics
Engine Controls Schematics
Interior Lights Dimming Schematics
Fuse Block Schematics
Ground Distribution Schematics
Lighting Systems Components
Exterior Lights Circuit Description
Cell 110: 2 Door
Figure 2:

Cell 110: 2 Door


Object Number: 356885  Size: FS
Ground Distribution Schematics
Ground Distribution Schematics
Ground Distribution Schematics
Ground Distribution Schematics
Lighting Systems Components
Exterior Lights Circuit Description
Cell 110: 4 Door
Cell 110: Combination Switch
Figure 3:

Cell 110: 4 Door


Object Number: 356891  Size: FS
Ground Distribution Schematics
Ground Distribution Schematics
Ground Distribution Schematics
Ground Distribution Schematics
Ground Distribution Schematics
Lighting Systems Components
Exterior Lights Circuit Description
Cell 110: Stoplamps
Cell 110: 2 Door
Figure 4:

Cell 110: Stoplamps


Object Number: 356996  Size: FS
Fuse Block Schematics
Column/Ignition Lock Schematics
Antilock Brake System Schematics
Cruise Control Schematics
Engine Controls Schematics
Ground Distribution Schematics
Ground Distribution Schematics
Ground Distribution Schematics
Ground Distribution Schematics
Ground Distribution Schematics
Lighting Systems Components
Exterior Lights Circuit Description
Cell 110: Turn/Hazard Signal
Cell 110: 4 Door
Figure 5:

Cell 110: Turn/Hazard Signal


Object Number: 356997  Size: FS
Fuse Block Schematics
Power Distribution Schematics
Lighting Systems Components
Exterior Lights Circuit Description
Cell 110: Trailer Connector Harness
Cell 110: Stoplamps
Figure 6:

Cell 110: Trailer Connector Harness


Object Number: 356999  Size: FS
Ground Distribution Schematics
Ground Distribution Schematics
Ground Distribution Schematics
Ground Distribution Schematics
Ground Distribution Schematics
Ground Distribution Schematics
Ground Distribution Schematics
Ground Distribution Schematics
Lighting Systems Components
Exterior Lights Circuit Description
Cell 110: Turn/Hazard Signal