GM Service Manual Online
For 1990-2009 cars only
Figure 1:

Main Relay, Powertrain Control Module (PCM) Power and Ground


Object Number: 715272  Size: FS
Master Electrical Component List
Data Link Connector (DLC) and Malfunction Indicator Lamp (MIL)
G100, G101 and G102
CIG, DEF, P/W Fuses
HAZ, D/L, TAIL, STOP, DOME Fuses
Fuel Pump Relay, Fuel Sender Assembly
G100, G101 and G102
BATT, ABS, F1, and ACC Fuses
Figure 2:

Data Link Connector (DLC) and Malfunction Indicator Lamp (MIL)


Object Number: 715280  Size: FS
Master Electrical Component List
Exhaust Gas Recirculation (EGR) and EVAP Solenoids
Main Relay, Powertrain Control Module (PCM) Power and Ground
OBD II Symbol Description Notice
TURN, WIP Fuses
Power, O/D OFF, 4WD, MIL, CRUISE, Charge Indicators
HAZ, D/L, TAIL, STOP, DOME Fuses
HAZ, D/L, TAIL, STOP, DOME Fuses
SIR Schematics
G200 (1 of 2)
G200 (2 of 2)
Figure 3:

EGR Valve, EVAP Valve, EVAP Solenoid


Object Number: 715286  Size: FS
Master Electrical Component List
Idle Air Control (IAC) Valve, Mass Air Flow (MAF) Sensor, Vehicle Speed Sensor (VSS)
Data Link Connector (DLC) and Malfunction Indicator Lamp (MIL)
OBD II Symbol Description Notice
BATT, ABS, F1, and ACC Fuses
Figure 4:

IAC Valve, VSS, MAF Sensor


Object Number: 715284  Size: FS
Master Electrical Component List
Ignition System
Exhaust Gas Recirculation (EGR) and EVAP Solenoids
OBD II Symbol Description Notice
G103
Cruise Control Servo, Hehicle Speed Sensor
BATT, ABS, F1, and ACC Fuses
Figure 5:

Ignition Coils


Object Number: 715321  Size: FS
Master Electrical Component List
Fuel Injectors
Idle Air Control (IAC) Valve, Mass Air Flow (MAF) Sensor, Vehicle Speed Sensor (VSS)
OBD II Symbol Description Notice
CIG, DEF, P/W Fuses
H/L, L, H/L, R, HTR, IG, LAMP Fuses
Entertainment Schematics
G103
Figure 6:

Fuel Injectors


Object Number: 715319  Size: FS
Master Electrical Component List
ECT, IAT, MAP, TPS, FTP Sensors
Ignition System
OBD II Symbol Description Notice
BATT, ABS, F1, and ACC Fuses
Figure 7:

ECT Sensor, MAP Sensor, TP Sensor, IAT Sensor


Object Number: 715290  Size: FS
Master Electrical Component List
Fuel Pump Relay, Fuel Sender Assembly
Fuel Injectors
OBD II Symbol Description Notice
Oil Pressure Indicator, ECT Gauge, Fuel Gauges, Tachometer
Figure 8:

Fuel Pump Relay, Fuel Sender Assembly


Object Number: 715294  Size: FS
Master Electrical Component List
Crankshaft Position (CKP) Sensor, Camshaft Position (CMP) Sensor, Knock Sensor (KS)
ECT, IAT, MAP, TPS, FTP Sensors
OBD II Symbol Description Notice
G400 and G401
CIG, DEF, P/W Fuses
BATT, ABS, F1, and ACC Fuses
Oil Pressure Indicator, ECT Gauge, Fuel Gauges, Tachometer
G103
BATT, ABS, F1, and ACC Fuses
Figure 9:

CKP Sensor, CMP Sensor


Object Number: 715297  Size: FS
Master Electrical Component List
Heated Oxygen Sensor (HO2S) Fuse and Relay
Fuel Pump Relay, Fuel Sender Assembly
OBD II Symbol Description Notice
G103
CIG, DEF, P/W Fuses
Oil Pressure Indicator, ECT Gauge, Fuel Gauges, Tachometer
H/L, L, H/L, R, HTR, IG, LAMP Fuses
BATT, ABS, F1, and ACC Fuses
Figure 10:

Heated Oxygen Sensor Fuse and Relay


Object Number: 737461  Size: FS
Master Electrical Component List
Heated Oxygen Sensors (HO2S)
Crankshaft Position (CKP) Sensor, Camshaft Position (CMP) Sensor, Knock Sensor (KS)
OBD II Symbol Description Notice
H/L, L, H/L, R, HTR, IG, LAMP Fuses
Ignition Switch
G104
CIG, DEF, P/W Fuses
H/L, L, H/L, R, HTR, IG, LAMP Fuses
Figure 11:

Heated Oxygen Sensors


Object Number: 715295  Size: FS
Master Electrical Component List
Clutch Pedal Position (CPP) Switch, Transmission Range Switch
Heated Oxygen Sensor (HO2S) Fuse and Relay
OBD II Symbol Description Notice
G100, G101 and G102
ECT, IAT, MAP, TPS, FTP Sensors
ECT, IAT, MAP, TPS, FTP Sensors
Figure 12:

Transmission Range Switch


Object Number: 715303  Size: FS
Master Electrical Component List
Four Wheel Drive Switches, Front Drive Axle Actuator Pump
Heated Oxygen Sensors (HO2S)
OBD II Symbol Description Notice
Starting System
Cruise Control Servo, Transmission Range Switch, Cruise Control Release Switch
Figure 13:

Four Wheel Drive Switches, Front Drive Axle Actuator Pump


Object Number: 715299  Size: FS
Master Electrical Component List
Stoplamp Switch, Transmission Range Switch
Clutch Pedal Position (CPP) Switch, Transmission Range Switch
OBD II Symbol Description Notice
CIG, DEF, P/W Fuses
H/L, L, H/L, R, HTR, IG, LAMP Fuses
Power, O/D OFF, 4WD, MIL, CRUISE, Charge Indicators
G105
G201
G201
Figure 14:

Stop Lamp Switch, Transmission Range Switch


Object Number: 715310  Size: FS
Master Electrical Component List
Output Shaft Speed Sensor, Input Shaft Speed Sensor, Torque Converter Clutch (TCC) Solenoid
Four Wheel Drive Switches, Front Drive Axle Actuator Pump
OBD II Symbol Description Notice
TURN, WIP Fuses
Backup Lamps, Backup Lamp Switch, Transmission Range Switch
Stop Lamp Switch, Stoplamps
Shiftlock Control with Cruise Control
Stop Lamp Switch, Cruise Control Servo
Electronic Brake Control Module (EBCM) Power and Ground
HAZ, D/L, TAIL, STOP, DOME Fuses
HAZ, D/L, TAIL, STOP, DOME Fuses
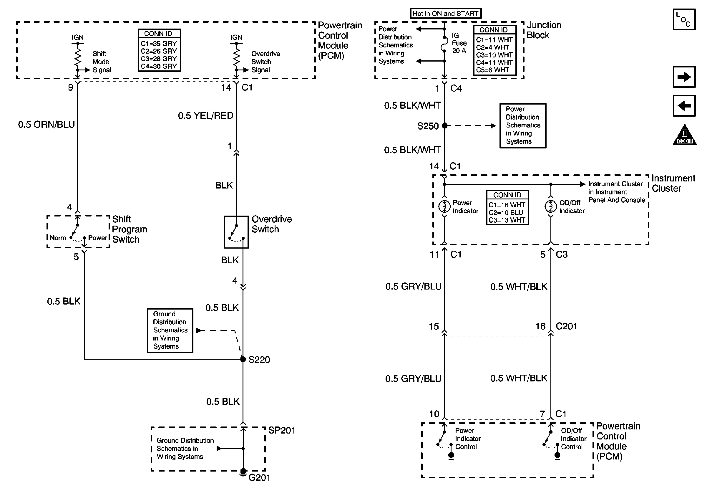
Figure 15:

Output Shaft Speed Sensor, Input Shaft Speed Sensor


Object Number: 715307  Size: FS
Master Electrical Component List
Shift Program Switch, Overdrive Switch
Stoplamp Switch, Transmission Range Switch
OBD II Symbol Description Notice
Figure 16:

Shift Program Switch, Overdrive Switch


Object Number: 715313  Size: FS
Master Electrical Component List
Powertrain Control Module (PCM) Idle-Up Inputs
Output Shaft Speed Sensor, Input Shaft Speed Sensor, Torque Converter Clutch (TCC) Solenoid
OBD II Symbol Description Notice
Power, O/D OFF, 4WD, MIL, CRUISE, Charge Indicators
CIG, DEF, P/W Fuses
H/L, L, H/L, R, HTR, IG, LAMP Fuses
G201
G201
Figure 17:

PCM Idle Up Inputs


Object Number: 715315  Size: FS
Master Electrical Component List
Output Shaft Speed Sensor, Input Shaft Speed Sensor, Torque Converter Clutch (TCC) Solenoid
OBD II Symbol Description Notice
Side Marker Lamps, Light Switch, Ambient Light Sensor
Blower Control with A/C
Defogger Schematics