GM Service Manual Online
For 1990-2009 cars only
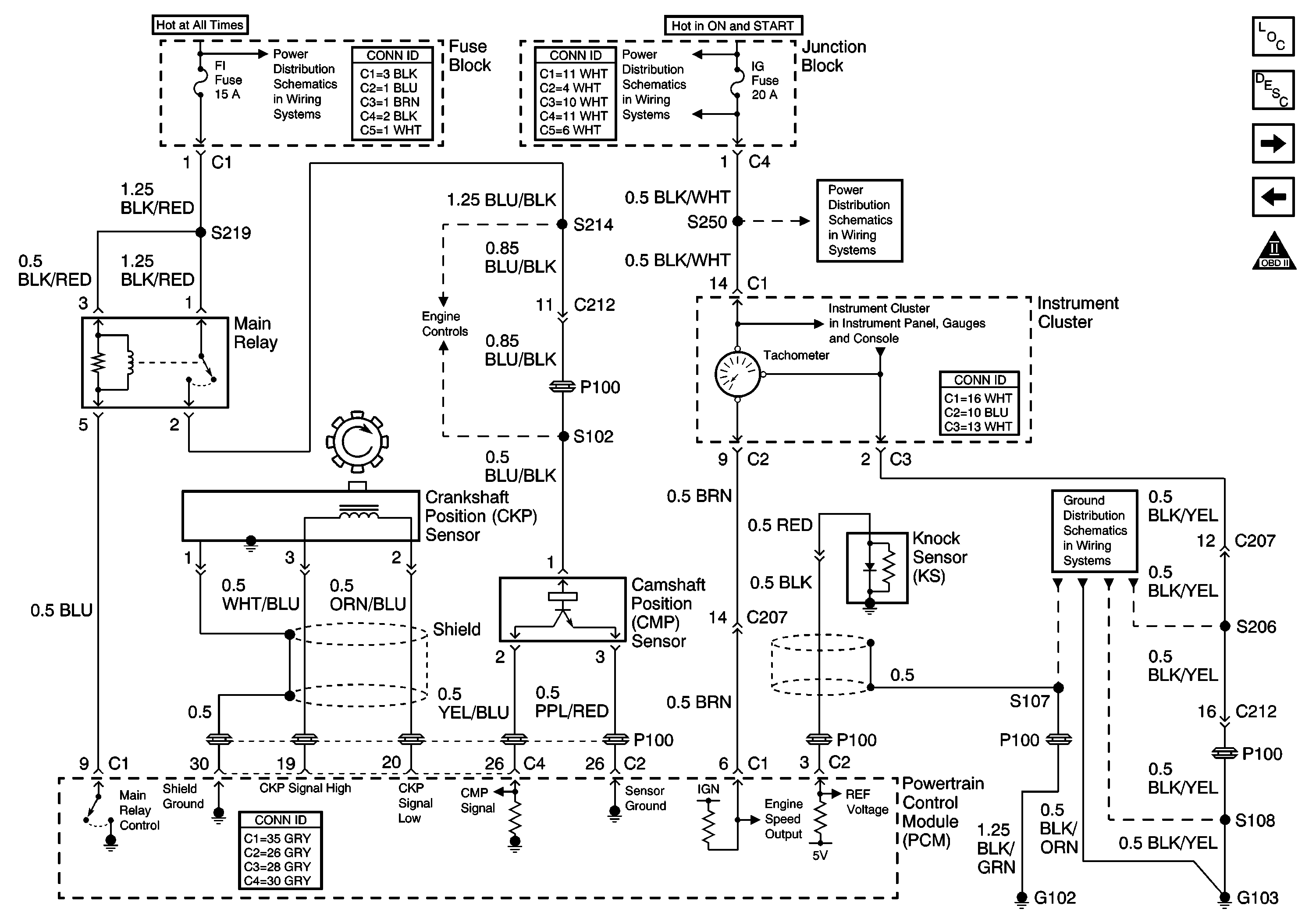
Figure 1:

Main Relay, Powertrain Control Module (PCM) Power and Ground


Object Number: 673880  Size: FS
Master Electrical Component List
Data Link Connector (DLC) and Malfunction Indicator Lamp (MIL)
G100, G101 and G102
CIG, DEF, P/W Fuses
HAZ, D/L, TAIL, STOP, DOME Fuses
Fuel Pump Relay, Fuel Sender Assembly
BATT, ABS, F1, and ACC Fuses
Figure 2:

Data Link Connector (DLC) and Malfunction Indicator Lamp (MIL)


Object Number: 673896  Size: FS
Master Electrical Component List
Exhaust Gas Recirculation (EGR) Valve and EVAP Solenoids
Main Relay, Powertrain Control (PCM) Power and Ground
OBD II Symbol Description Notice
TURN, WIP Fuses
Power, O/D OFF, 4WD, MIL, CRUISE, Charge Indicators
HAZ, D/L, TAIL, STOP, DOME Fuses
HAZ, D/L, TAIL, STOP, DOME Fuses
SIR Schematics
G200 (1 of 2)
G200 (2 of 2)
Figure 3:

Exhaust Gas Recirculation (EGR) Valve and EVAP Solenoids


Object Number: 787254  Size: FS
Master Electrical Component List
Idle Air Control (IAC) Valve, Mass Air Flow (MAF) Sensor, Vehicle Speed Sensor (VSS)
Data Link Connector (DLC) and Malfunction Indicator Lamp (MIL)
OBD II Symbol Description Notice
BATT, ABS, F1, and ACC Fuses
Figure 4:

Idle Air Control (IAC) Valve, Mass Air Flow (MAF) Sensor, Vehicle Speed Sensor (VSS)


Object Number: 673905  Size: FS
Master Electrical Component List
Ignition Coils
Exhaust Gas Recirculation (EGR) Valve and EVAP Solenoids
OBD II Symbol Description Notice
G103
Cruise Control Servo, Hehicle Speed Sensor
BATT, ABS, F1, and ACC Fuses
Figure 5:

Ignition Coils


Object Number: 673929  Size: FS
Master Electrical Component List
Fuel Injectors
Idle Air Control (IAC) Valve, Mass Air Flow (MAF) Sensor, Vehicle Speed Sensor (VSS)
OBD II Symbol Description Notice
H/L, L, H/L, R, HTR, IG, LAMP Fuses
Entertainment Schematics
CIG, DEF, P/W Fuses
G103
Figure 6:

Fuel Injectors


Object Number: 689909  Size: FS
Master Electrical Component List
Engine Data Sensors
Ignition Coils
OBD II Symbol Description Notice
BATT, ABS, F1, and ACC Fuses
Figure 7:

Engine Data Sensors


Object Number: 673937  Size: FS
Master Electrical Component List
Fuel Pump Relay, Fuel Sender Assembly
Fuel Injectors
OBD II Symbol Description Notice
Oil Pressure Indicator, ECT Gauge, Fuel Gauges, Tachometer
Figure 8:

Fuel Pump Relay, Fuel Sender Assembly


Object Number: 673960  Size: FS
Master Electrical Component List
Crankshaft Position (CKP) Sensor, Camshaft Position (CMP) Sensor, Knock Sensor (KS)
Engine Data Sensors
OBD II Symbol Description Notice
G400 and G401
CIG, DEF, P/W Fuses
BATT, ABS, F1, and ACC Fuses
Oil Pressure Indicator, ECT Gauge, Fuel Gauges, Tachometer
G103
BATT, ABS, F1, and ACC Fuses
Figure 9:

Crankshaft Position (CKP) Sensor, Camshaft Position (CMP) Sensor, Knock Sensor (KS)


Object Number: 673949  Size: FS
Master Electrical Component List
Heated Oxygen Sensors
Fuel Pump Relay, Fuel Sender Assembly
OBD II Symbol Description Notice
G103
CIG, DEF, P/W Fuses
Oil Pressure Indicator, ECT Gauge, Fuel Gauges, Tachometer
H/L, L, H/L, R, HTR, IG, LAMP Fuses
BATT, ABS, F1, and ACC Fuses
Figure 10:

Heated Oxygen Sensors


Object Number: 673968  Size: FS
Master Electrical Component List
CPP Switch, (TR) Switch
Fuel Pump Relay, Fuel Sender Assembly
OBD II Symbol Description Notice
G100, G101 and G102
CIG, DEF, P/W Fuses
H/L, L, H/L, R, HTR, IG, LAMP Fuses
Figure 11:

CPP Switch, (TR) Switch


Object Number: 673976  Size: FS
Master Electrical Component List
Four Wheel Drive Switches, Front Drive Axle Actuator Pump
Heated Oxygen Sensors
OBD II Symbol Description Notice
Starting System
Cruise Control Servo, Transmission Range Switch, Cruise Control Release Switch
Figure 12:

Four Wheel Drive Switches, Front Drive Axle Actuator Pump


Object Number: 674449  Size: FS
Master Electrical Component List
Stop Lamp Switch, Transmission Range Switch
CPP Switch, (TR) Switch
OBD II Symbol Description Notice
CIG, DEF, P/W Fuses
H/L, L, H/L, R, HTR, IG, LAMP Fuses
Power, O/D OFF, 4WD, MIL, CRUISE, Charge Indicators
G105
G201
G201
Figure 13:

Stop Lamp Switch, Transmission Range Switch


Object Number: 674462  Size: FS
Master Electrical Component List
Output Shaft Speed Sensor, Input Shaft Speed Sensor
Four Wheel Drive Switches, Front Drive Axle Actuator Pump
OBD II Symbol Description Notice
TURN, WIP Fuses
Backup Lamps, Backup Lamp Switch, Transmission Range Switch
Stop Lamp Switch, Stoplamps
Shiftlock Control with Cruise Control
Stop Lamp Switch, Cruise Control Servo
Electronic Brake Control Module (EBCM) Power and Ground
HAZ, D/L, TAIL, STOP, DOME Fuses
HAZ, D/L, TAIL, STOP, DOME Fuses
Figure 14:

Output Shaft Speed Sensor, Input Shaft Speed Sensor


Object Number: 674468  Size: FS
Master Electrical Component List
Shift Program Switch, Overdrive Switch
Stop Lamp Switch, Transmission Range Switch
OBD II Symbol Description Notice
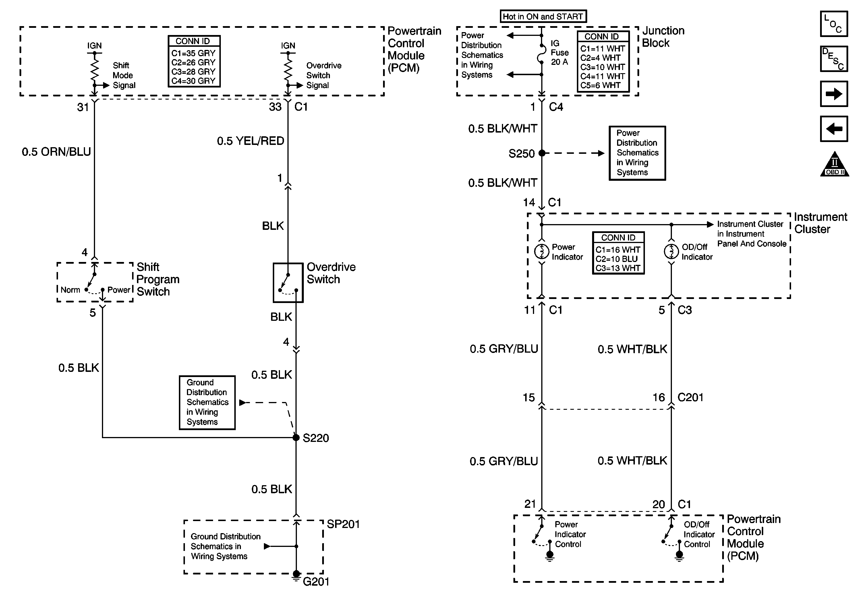
Figure 15:

Shift Program Switch, Overdrive Switch


Object Number: 674478  Size: FS
Master Electrical Component List
Powertrain Control Module (PCM) Idle-Up Inputs
Output Shaft Speed Sensor, Input Shaft Speed Sensor
OBD II Symbol Description Notice
Power, O/D OFF, 4WD, MIL, CRUISE, Charge Indicators
CIG, DEF, P/W Fuses
H/L, L, H/L, R, HTR, IG, LAMP Fuses
G201
G201
Figure 16:

Powertrain Control Module (PCM) Idle-Up Inputs


Object Number: 674556  Size: FS
Master Electrical Component List
Shift Program Switch, Overdrive Switch
OBD II Symbol Description Notice
Blower Control with A/C
Side Marker Lamps, Light Switch, Ambient Light Sensor
Defogger Schematics