GM Service Manual Online
For 1990-2009 cars only
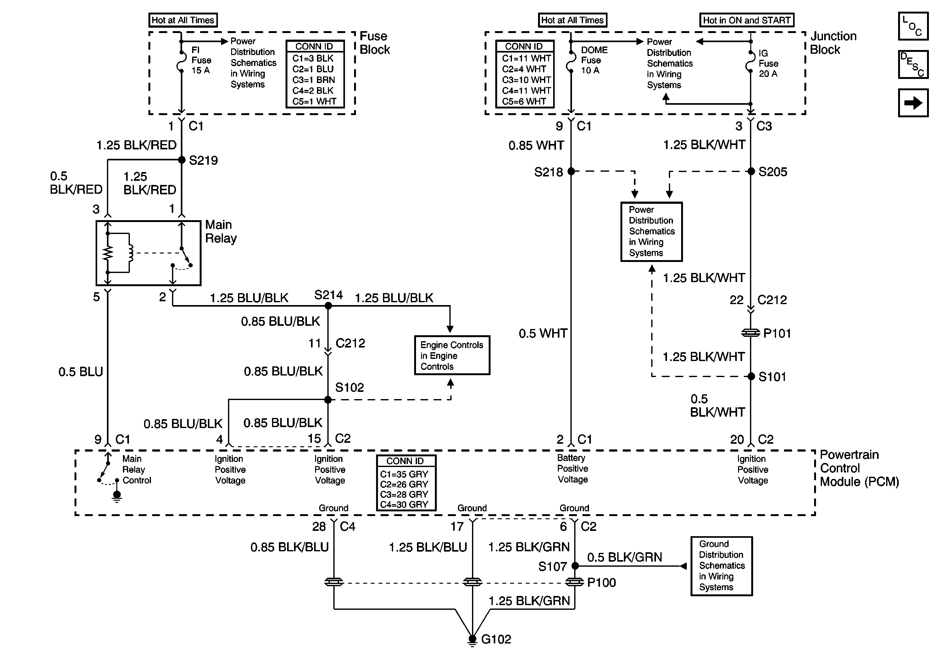
Figure 1:

Main Relay, Powertrain Control Module (PCM) Power and Ground


Object Number: 673624  Size: FS
Master Electrical Component List
MIL and DLC
G100, G101 and G102
CIG, DEF, P/W Fuses
HAZ, D/L, TAIL, STOP, DOME Fuses
Fuel Pump Relay, Fuel Sender Assembly
BATT, ABS, F1, and ACC Fuses
Figure 2:

Data Link Connector (DLC) and Malfunction Indicator Lamp (MIL)


Object Number: 673627  Size: FS
Master Electrical Component List
Ignition System
Power and Ground
TURN, WIP Fuses
HAZ, D/L, TAIL, STOP, DOME Fuses
Power, O/D OFF, 4WD, MIL, CRUISE, Charge Indicators
HAZ, D/L, TAIL, STOP, DOME Fuses
SIR Schematics
G200 (1 of 2)
G200 (2 of 2)
Figure 3:

Ignition Coils, Clutch Pedal Position (CPP) Switch


Object Number: 673634  Size: FS
Master Electrical Component List
CMP and CKP Sensors
MIL and DLC
CIG, DEF, P/W Fuses
Entertainment Schematics
G103
H/L, L, H/L, R, HTR, IG, LAMP Fuses
Starting System
Figure 4:

Crankshaft Position Sensor (CKP), Camshaft Position Sensor (CMP)


Object Number: 673637  Size: FS
Master Electrical Component List
Fuel Supply System
Ignition System
G103
Oil Pressure Indicator, ECT Gauge, Fuel Gauges, Tachometer
CIG, DEF, P/W Fuses
H/L, L, H/L, R, HTR, IG, LAMP Fuses
BATT, ABS, F1, and ACC Fuses
Figure 5:

Fuel Pump Relay, Fuel Sender Assembly


Object Number: 673640  Size: FS
Master Electrical Component List
Fuel Injectors
CMP and CKP Sensors
G400 and G401
CIG, DEF, P/W Fuses
BATT, ABS, F1, and ACC Fuses
Oil Pressure Indicator, ECT Gauge, Fuel Gauges, Tachometer
G103
BATT, ABS, F1, and ACC Fuses
Figure 6:

Fuel Injectors


Object Number: 673743  Size: FS
Master Electrical Component List
Engine Data Sensors
Fuel Supply System
BATT, ABS, F1, and ACC Fuses
Figure 7:

Engine Data Sensors


Object Number: 673838  Size: FS
Master Electrical Component List
HO2S Sensors
Fuel Injectors
Figure 8:

Heated Oxygen Sensors


Object Number: 673851  Size: FS
Master Electrical Component List
IAC Valve, MAF Sensor, and VSS
Engine Data Sensors
G100, G101 and G102
CIG, DEF, P/W Fuses
H/L, L, H/L, R, HTR, IG, LAMP Fuses
Figure 9:

Idle Air Control (IAC) Valve, Mass Air Flow (MAF) Sensor, Vehicle Speed Sensor (VSS)


Object Number: 673855  Size: FS
Master Electrical Component List
EGR Valve and EVAP Controls
HO2S Sensors
OBD II Symbol Description Notice
G103
Cruise Control Servo, Hehicle Speed Sensor
BATT, ABS, F1, and ACC Fuses
Figure 10:

Exhaust Gas Recirculation (EGR) Valve and EVAP Solenoids


Object Number: 673865  Size: FS
Master Electrical Component List
Four Wheel Drive Inputs/Outputs
IAC Valve, MAF Sensor, and VSS
BATT, ABS, F1, and ACC Fuses
Figure 11:

Front Drive Axle Actuator Pump


Object Number: 673869  Size: FS
Master Electrical Component List
A/C Controls and Idle-Up Signals
EGR Valve and EVAP Controls
CIG, DEF, P/W Fuses
Power, O/D OFF, 4WD, MIL, CRUISE, Charge Indicators
Electronic Brake Control Module (EBCM) Power and Ground
H/L, L, H/L, R, HTR, IG, LAMP Fuses
G105
G201
G201
Figure 12:

Powertrain Control Module (PCM) Idle-Up Inputs


Object Number: 673874  Size: FS
Master Electrical Component List
Four Wheel Drive Inputs/Outputs
Blower Control with A/C
Side Marker Lamps, Light Switch, Ambient Light Sensor
Side Marker Lamps, Light Switch, Ambient Light Sensor