GM Service Manual Online
For 1990-2009 cars only
Makes
🢒
Chevrolet
🢒
2002
🢒
Tracker - 4WD
🢒
Transmission/Transaxle
🢒
Shift Lock Control
🢒 Shift Lock Control Schematics
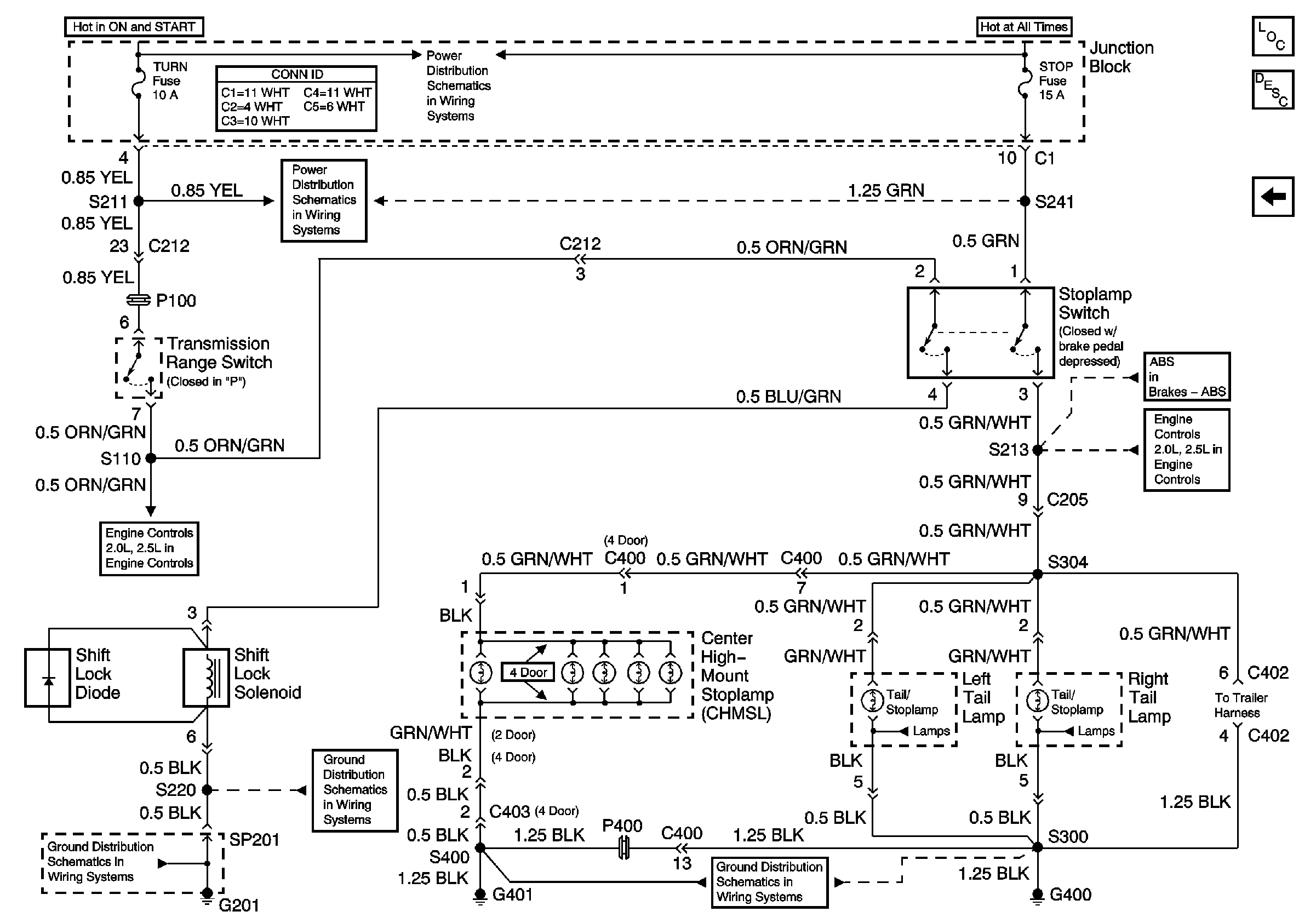
Figure
1:
Shiftlock Control With Cruise Control
Master Electrical Component List
Automatic Transmission Shift Lock Control Description and Operation
Shiftlock Control without Cruise Control
Stop Lamp Switch, Stoplamps
G105
HAZ, D/L, TAIL, STOP, DOME Fuses
TURN, WIP Fuses
Stop Lamp Switch, Transmission Range Switch
G201
G201
Figure
2:
Shiftlock Control Without Cruise Control
Master Electrical Component List
Automatic Transmission Shift Lock Control Description and Operation
Shiftlock Control with Cruise Control
HAZ, D/L, TAIL, STOP, DOME Fuses
TURN, WIP Fuses
Stop Lamp Switch, Transmission Range Switch
Stop Lamp Switch, Transmission Range Switch
Electronic Brake Control Module (EBCM), Brake Indicator, 4WD Indicator, Stoplamp Switch, Brake Fluid Level Switch
Stop Lamp Switch, Transmission Range Switch
Stop Lamp Switch, Transmission Range Switch
G201
G201
G400 and G401