GM Service Manual Online
For 1990-2009 cars only
Figure 1:

Power, Ground, Serial Data and MIL


Object Number: 862117  Size: FS
Master Electrical Component List
Electronic Ignition (EI) System Description
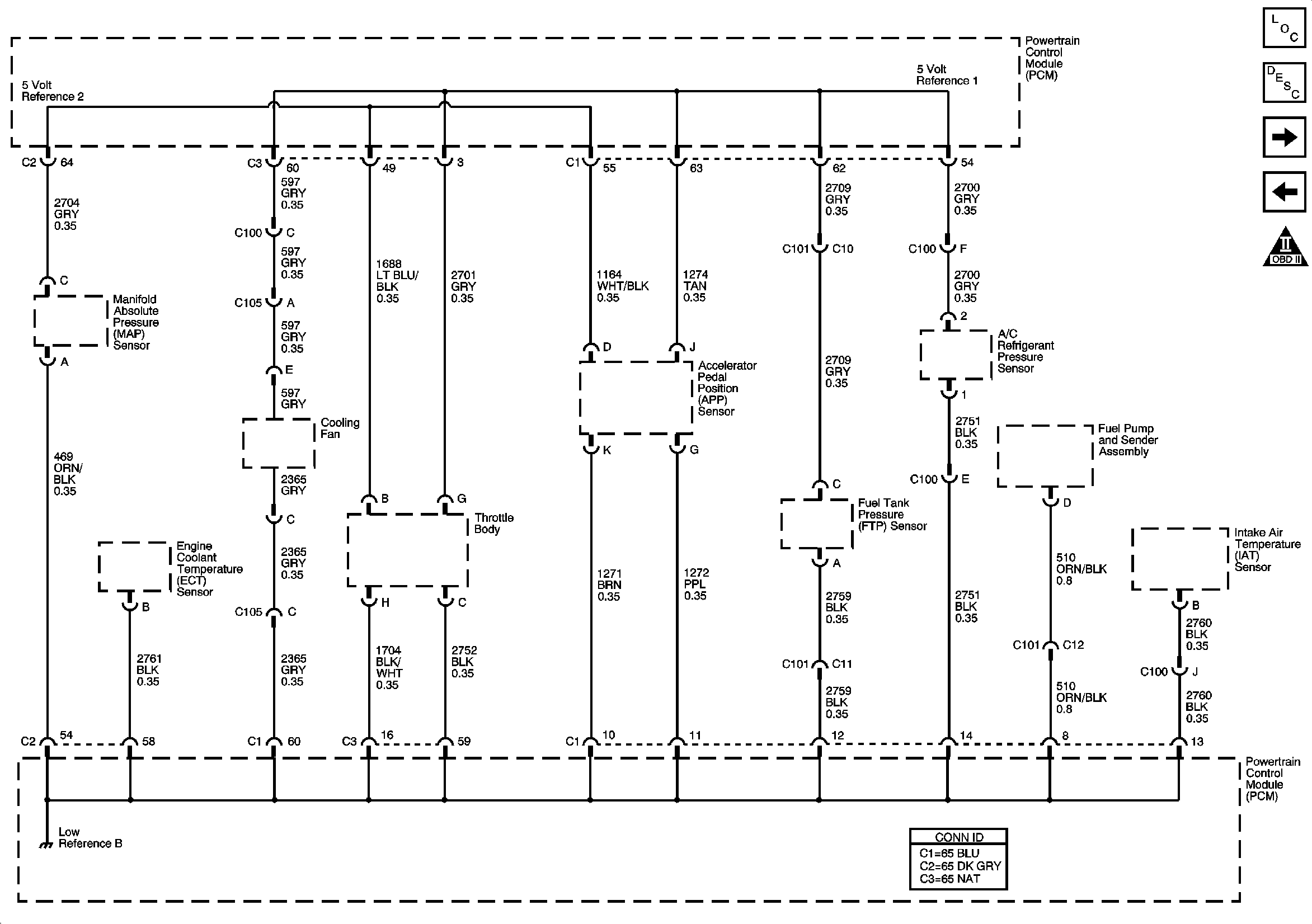
03 S/T 36Engine Data Sensors-5 Volt and Low Reference
OBDII Symbol Description Notice
G108
Data Link Connector and SP205
B+ Bus - Underhood Fuse Block
PCM I Fuse - 4.2L
IGN E TBC IGN 1, BACK UP, BTSI, and TRLR B/U Fuses
Power, Ground, Serial Data and MIL
IGN 0, TBC IF, TBC ACC, FRT WPR, and RAIN Fuses
Figure 2:

Engine Data Sensors -- 5 Volt and Low Reference


Object Number: 862125  Size: FS
Master Electrical Component List
Electronic Ignition (EI) System Description
Engine Data Sensors-Pressure and Temperature
Power, Ground, Serial Data and MIL
OBDII Symbol Description Notice
Figure 3:

Engine Data Sensors -- Pressure and Temperature


Object Number: 862126  Size: FS
Master Electrical Component List
Electronic Ignition (EI) System Description
Engine Data Sensors-Oxygen Sensors
03 S/T 36Engine Data Sensors-5 Volt and Low Reference
OBDII Symbol Description Notice
Figure 4:

Engine Data Sensors - Oxygen Sensors


Object Number: 862127  Size: FS
Master Electrical Component List
Electronic Ignition (EI) System Description
Engine Data Sensors-Electronic Throttle Controls and VSS
Engine Data Sensors-Pressure and Temperature
OBDII Symbol Description Notice
O2, ETC, ENG I, SIR, HVAC, 4WD Fuses
Figure 5:

Engine Data Sensors - Electronic Throttle Controls and VSS


Object Number: 862129  Size: FS
Master Electrical Component List
Throttle Actuator Control (TAC) System Description
Ignition Controls- Ignition System
Engine Data Sensors-Oxygen Sensors
Vehicle Speed Sensor
Gages
Figure 6:

Ignition Controls - Ignition Systems


Object Number: 862130  Size: FS
Master Electrical Component List
Electronic Ignition (EI) System Description
Fuel Controls - Fuel Pump Controls and Fuel Injectors
Engine Data Sensors-Electronic Throttle Controls and VSS
OBDII Symbol Description Notice
Gages
IGN E TBC IGN 1, BACK UP, BTSI, and TRLR B/U Fuses
PCM I Fuse - 4.2L
Figure 7:

Ignition Controls - Sensors


Object Number: 862133  Size: FS
Master Electrical Component List
Camshaft Actuator System Description
Fuel Controls - Fuel Pump Controls and Fuel Injectors
Ignition Controls- Ignition System
OBDII Symbol Description Notice
Figure 8:

Fuel Controls - Fuel Pump Controls and Fuel Injectors


Object Number: 862135  Size: FS
Master Electrical Component List
Fuel System Description
Fuel Controls- EVAP Controls
Ignition Controls- Sensors
OBDII Symbol Description Notice
G201 - 2 of 2, G305 and G306
PCM I Fuse - 4.2L
IGN E TBC IGN 1, BACK UP, BTSI, and TRLR B/U Fuses
PCM I Fuse - 4.2L
COILS, CANISTER, ECAS, IPC/DIC, FLASH, TBC1, and PCM B Fuses
G102, G104, G105 and G107
Figure 9:

Fuel Controls - EVAP Controls


Object Number: 862139  Size: FS
Master Electrical Component List
Evaporative Emission Control System Description
Contolled/Monitored Subsystem References
Power, Ground and Class 2
OBDII Symbol Description Notice
PCM I, O2A, O2B and ENG I Fuses - 5.3L
Figure 10:

Controlled/Monitored Subsystem References


Object Number: 862141  Size: FS
Master Electrical Component List
Electronic Ignition (EI) System Description
02 S/T 360/370 Engine Control Schematics 4.2L- Transmission Contol Ref - A/T02 STransmission Contol References - A/T
Fuel Controls- EVAP Controls
OBDII Symbol Description Notice
EBCM Power, Ground, and Serial Data
Engine Cooling Schematics
Power, Ground, Serial Data and Transfer Case Encoder Motor
Gages
Indicators, DIC Controls, Engine Oil Level and Temperature Sensor
Compressor Controls
Compressor Controls
TAC Motor, APP Sensor, On/Off Switch and Stop Lamp Switch - 4.2L Only
Starting System
Charging System
Figure 11:

Transmission Control References - A/T


Object Number: 862143  Size: FS
Master Electrical Component List
Electronic Ignition (EI) System Description
Contolled/Monitored Subsystem References
OBDII Symbol Description Notice
PNP Switch and Indicator
ECBM and Vehicle Speed Signal
Transmission Controls