GM Service Manual Online
For 1990-2009 cars only
Makes
🢒
Chevrolet
🢒
2003
🢒
TrailBlazer - 4WD
🢒
Brakes
🢒
Antilock Brake System
🢒 Antilock Brake System Schematics
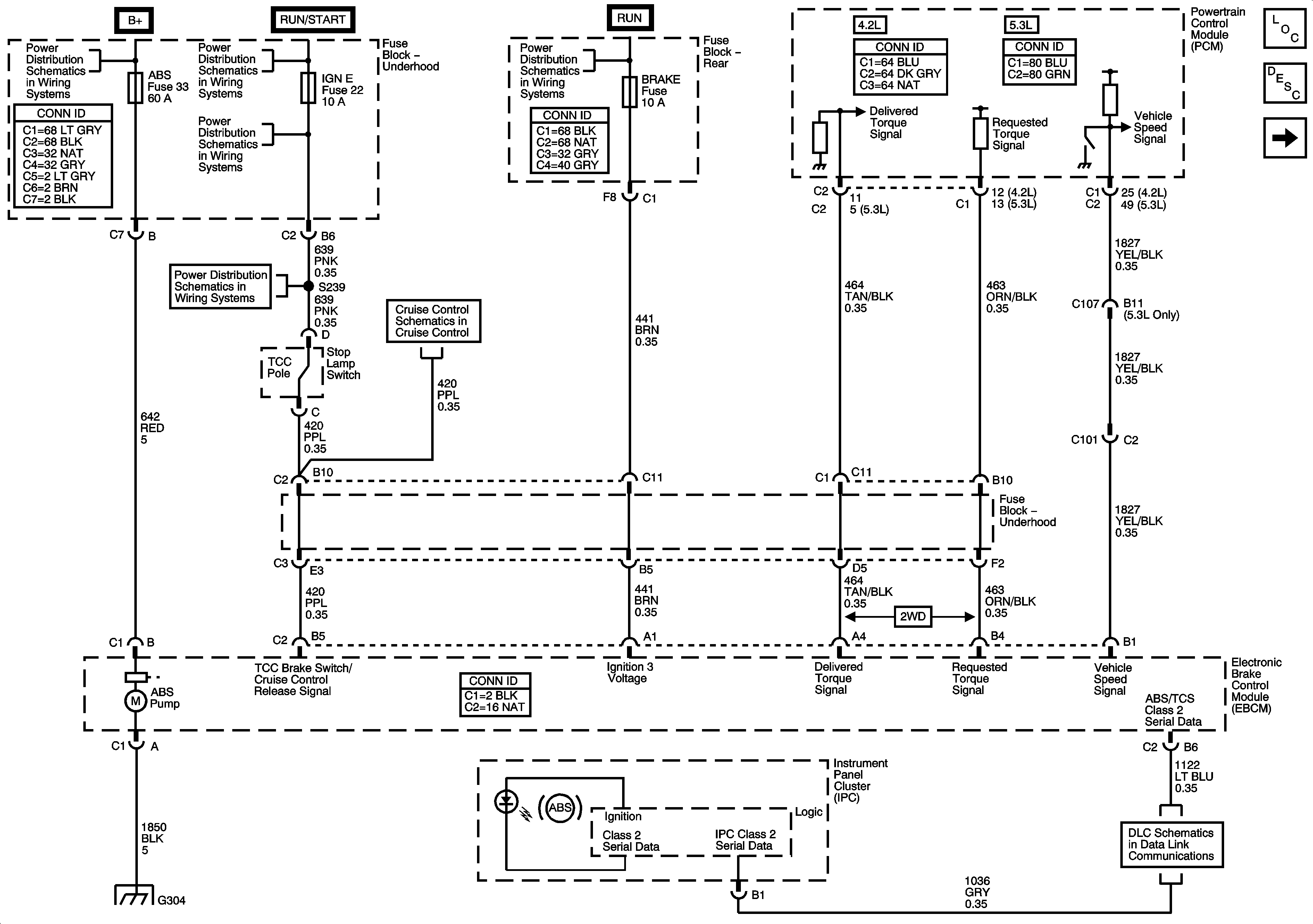
Figure
1:
Module Power, Ground, Serial Data, Indicator, Torque and Vehicle
Master Electrical Component List
ABS Description and Operation
Wheel Speed Sensors and Traction Control Switch
Data Link Connector and SP205
TRAILER, ABS, ATC, BLOWER, ELEC BRK, CIGAR, ST/LP, VEH CHMSL, and VEH STOP fuses
IGN E TBC IGN 1, BACK UP, BTSI, and TRLR B/U Fuses
HVAC I, BRAKE, and TBC RUN Fuses
TAC Motor, APP Sensor, On/Off Switch and Stop Lamp Switch - 4.2L Only
Figure
2:
Traction Control Switch Chevy/GMC
Master Electrical Component List
ABS Description and Operation
Traction Control Switch Oldsmobile
EBCM Power, Ground, and Serial Data
Figure
3:
Traction Control Switch -- Oldsmobile
Master Electrical Component List
ABS Description and Operation
Wheel Speed Sensors and Traction Control Switch
G201 - 1 of 2
Antilock Brake System Schematic Icons
HVAC I, BRAKE, and TBC RUN Fuses
IGN E TBC IGN 1, BACK UP, BTSI, and TRLR B/U Fuses