GM Service Manual Online
For 1990-2009 cars only
Figure 1:

G101, G103, G106, and G110


Object Number: 1412251  Size: FS
Master Electrical Component List
Control Module References
G102
Figure 2:

G102


Object Number: 1412255  Size: FS
Master Electrical Component List
Control Module References
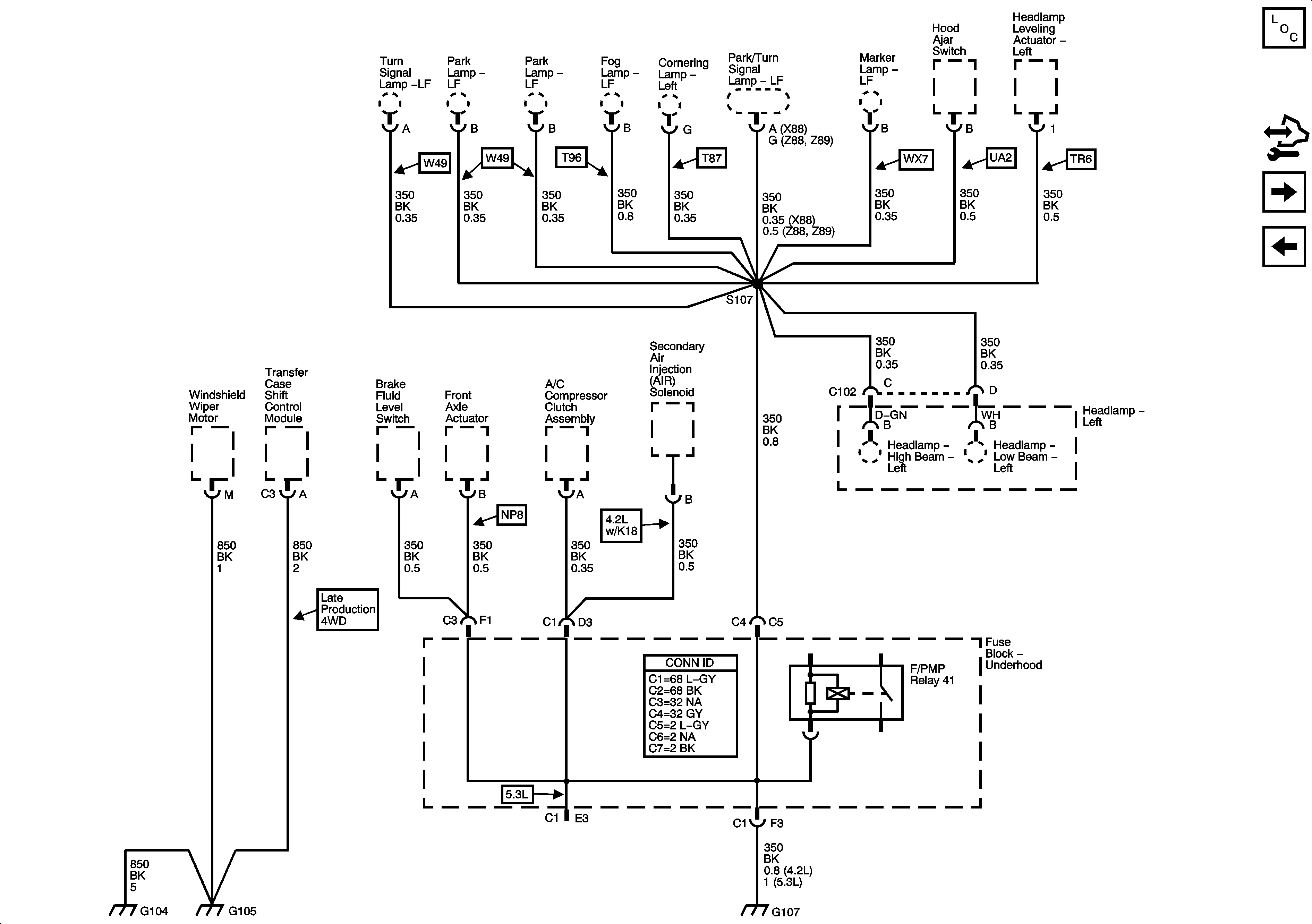
G104, G105, and G107
G101, G103, G106, and G110
SIR Caution for Zoning
Figure 3:

G104, G105, G107


Object Number: 1412257  Size: FS
Master Electrical Component List
Control Module References
G108
G102
Figure 4:

G108


Object Number: 1412258  Size: FS
Master Electrical Component List
Control Module References
G109
G104, G105, and G107
Figure 5:

G109


Object Number: 1412260  Size: FS
Master Electrical Component List
Control Module References
G201 - 1 of 2
G108
Figure 6:

G201 - 1 of 2


Object Number: 1412263  Size: FS
Master Electrical Component List
Control Module References
G201 - 2 of 2 and G305
G109
SIR Caution for Zoning
G201 - 2 of 2 and G305
Figure 7:

G201 - 2 of 2, and G305


Object Number: 1412267  Size: FS
Master Electrical Component List
Control Module References
G302 - 1 of 2, G303, and G304
G201 - 1 of 2
G201 - 1 of 2
Figure 8:

G302 - 1 of 2, G303 and G304


Object Number: 1412271  Size: FS
Master Electrical Component List
Control Module References
G302 - 2 of 2
G201 - 2 of 2 and G305
G302 - 2 of 2
Figure 9:

G302 - 2 of 2


Object Number: 1412275  Size: FS
Master Electrical Component List
Control Module References
G306
G302 - 1 of 2, G303, and G304
G302 - 1 of 2, G303, and G304
Figure 10:

G306


Object Number: 1412278  Size: FS
Master Electrical Component List
Control Module References
G401, G402, and G403 - Except XUV
G302 - 2 of 2
Figure 11:

G401, G402, and G403 - Except XUV


Object Number: 1412282  Size: FS
Master Electrical Component List
Control Module References
G401, G402, G403 - XUV
G306
Figure 12:

G401, G402, and G403 - XUV


Object Number: 1412285  Size: FS
Master Electrical Component List
Control Module References
G401, G402, and G403 - Except XUV