GM Service Manual Online
For 1990-2009 cars only
Makes
🢒
Chevrolet
🢒
2005
🢒
TrailBlazer - 4WD
🢒
Vehicle Control Systems
🢒
Computer/Integrating Systems
🢒 Computer/Integrating Systems Component Views
Figure
1:
Lower Left of the I/P
(1)
Turn Signal/Hazard Flasher Module
(2)
Instrument Panel Harness
(3)
Data Link Connector (DLC)
(4)
Splice Pack SP205
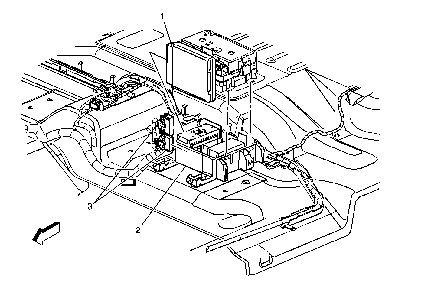
Figure
2:
Body Control Module (BCM)
(1)
Body Control Module (BCM)
(2)
Fuse Block - Rear
(3)
Body Control Module Connectors C1 and C2