GM Service Manual Online
For 1990-2009 cars only
Makes
🢒
Chevrolet
🢒
2005
🢒
TrailBlazer - 4WD
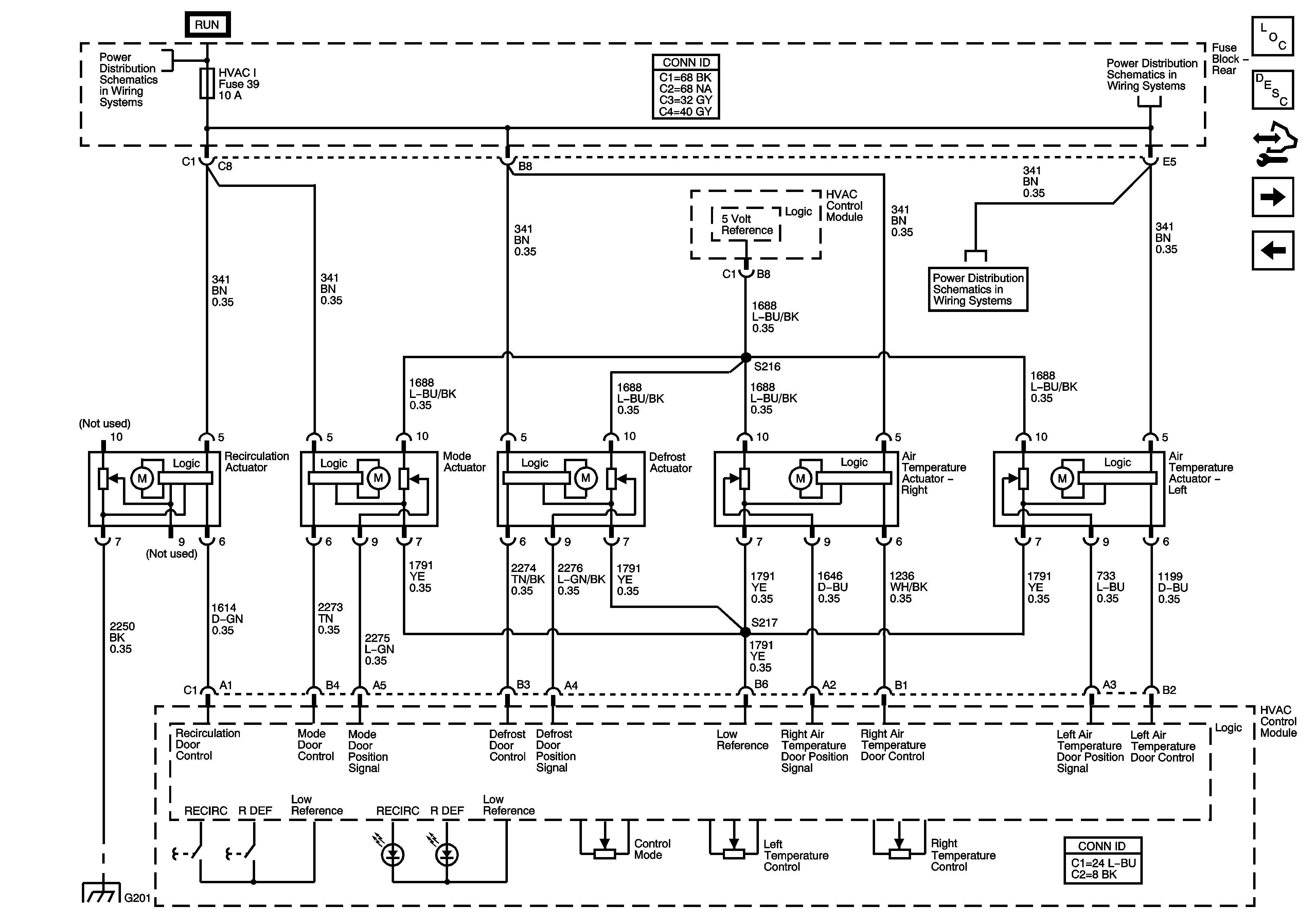
🢒 Air Delivery/Temperature Actuators
Air Delivery/Temperature Actuators
Air Delivery/Temperature Actuators
Master Electrical Component List
Air Temperature Description and Operation
Control Module References
Rear Mode Controls - SWB and XUV
Compressor Controls
Ignition Switch - ACCY/RUN/START, RUN, and START Bus Bars, IGN A and CRANK Fuses
BRAKE, HVAC I, and TBC RUN Fuses
BRAKE, HVAC I, and TBC RUN Fuses
G201 - 1 of 2