GM Service Manual Online
For 1990-2009 cars only
Makes
🢒
Chevrolet
🢒
2006
🢒
TrailBlazer - 4WD
🢒
Body
🢒
Lighting Systems
🢒 Headlights/Daytime Running Lights (DRL) Schematics
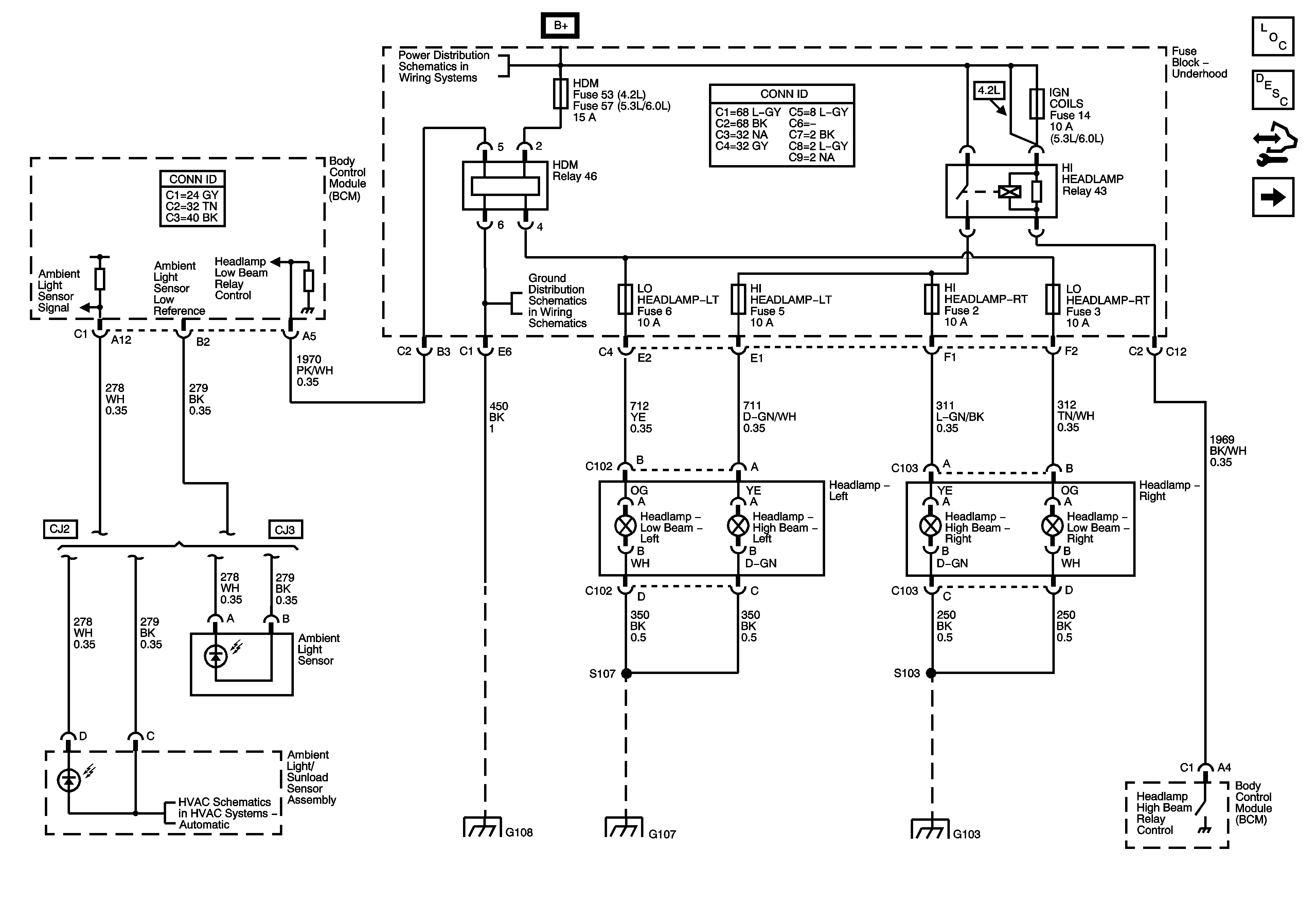
Figure
1:
Headlamps
Master Electrical Component List
Exterior Lighting Systems Description and Operation
Control Module References
Headlamp Switch
Underhood Fuse Block
G108
Ambient Light/Sunload Sensors
G108
G104, G105, and G107
G101, G103, G106, and G110
Figure
2:
Headlamp Switch
Master Electrical Component List
Exterior Lighting Systems Description and Operation
Control Module References
Headlamps
Headlamp Washer - CE4
Courtesy Lamp Supply
Courtesy Lamp Supply
Interior Lamps Controls
Fog Lights Schematics
G201 - 1 of 2
G102