GM Service Manual Online
For 1990-2009 cars only
Figure 1:

Interior Lamps Controls


Object Number: 1594305  Size: FS
Master Electrical Component List
Interior Lighting Systems Description and Operation
Control Module References
Interior Lamps - SWB
Interior Lamps - SWB
Interior Lamps - SWB
Interior Lamps - LWB
Interior Lamps - LWB
G201 - 1 of 2
G201 - 1 of 2
Figure 2:

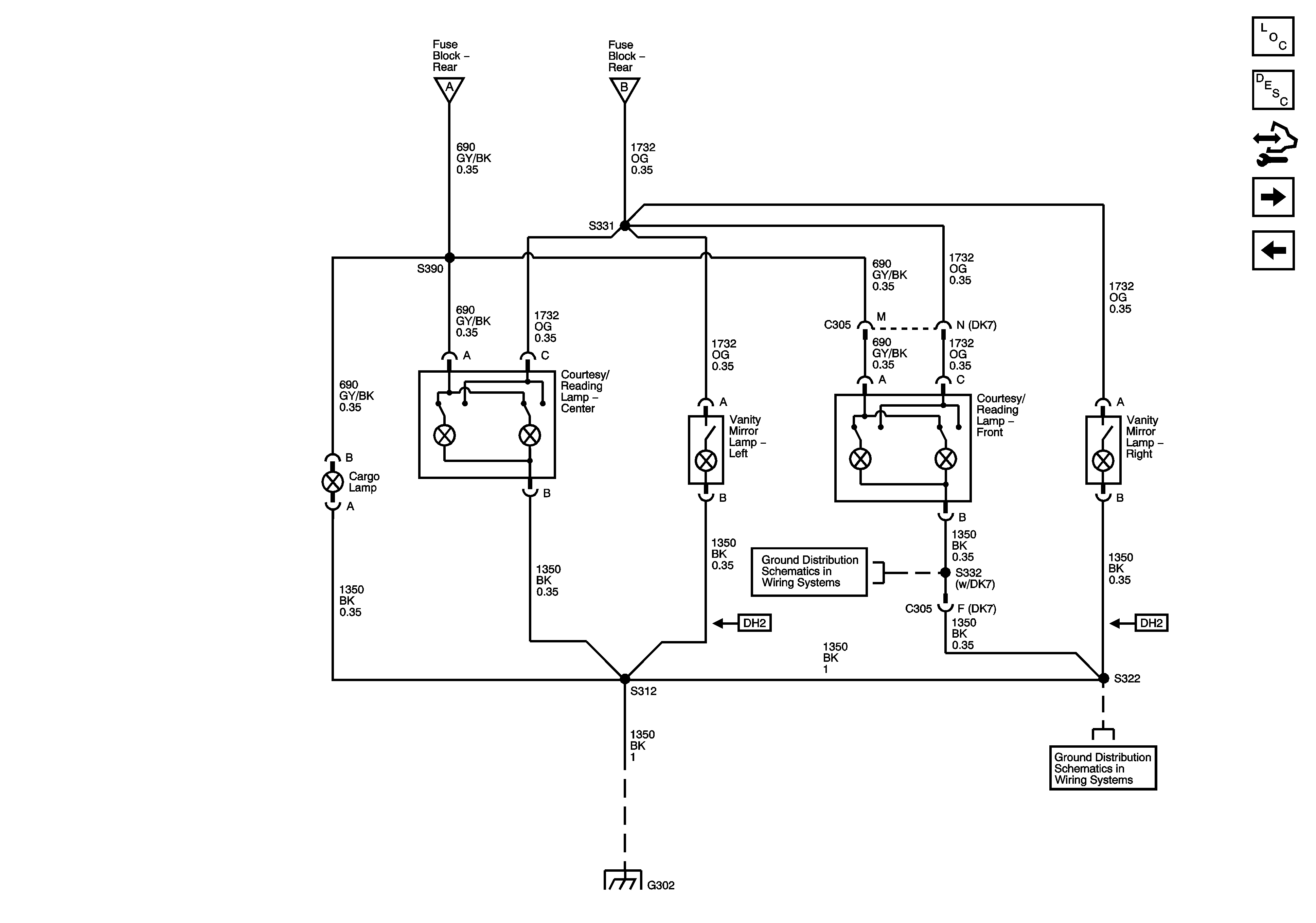
Interior Lamps - Short Wheel Base (SWB)


Object Number: 1594306  Size: FS
Master Electrical Component List
Interior Lighting Systems Description and Operation
Control Module References
Interior Lamps - LWB
Interior Lamps Controls
Interior Lamps Controls
Interior Lamps Controls
G302 - 2 of 2
G302 - 1 of 2, G303, and G304
G302 - 2 of 2
Figure 3:

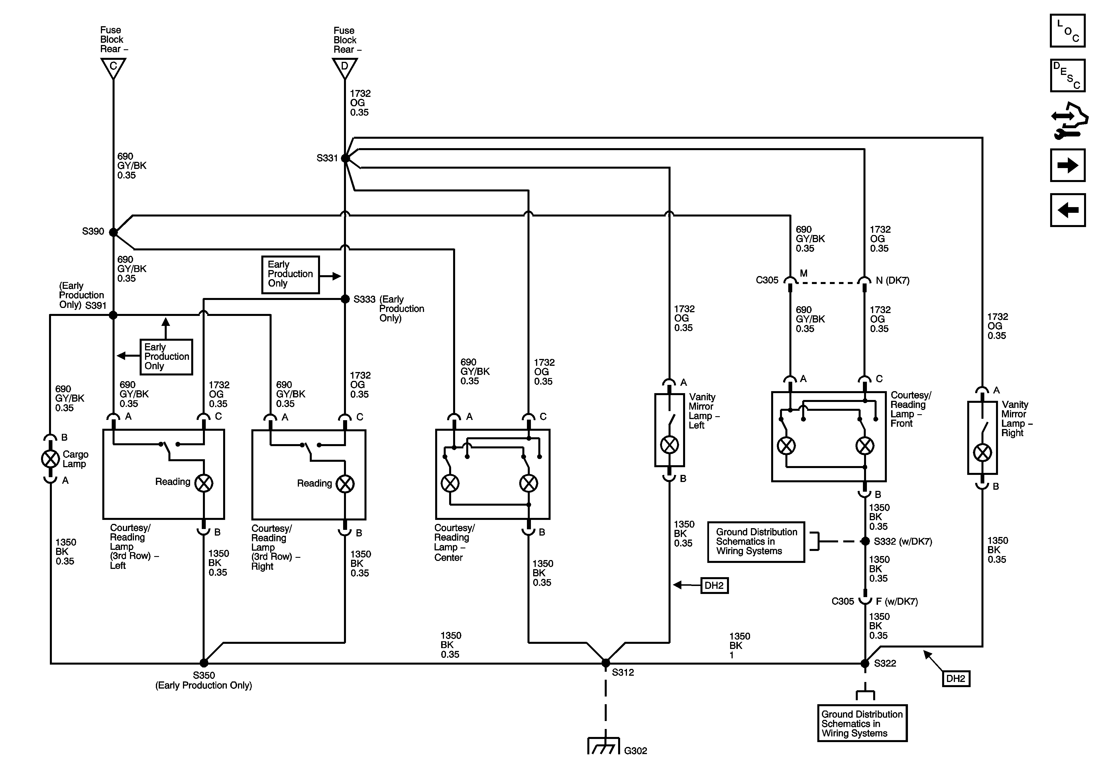
Interior Lamps - Long Wheel Base (LWB)


Object Number: 1594308  Size: FS
Master Electrical Component List
Interior Lighting Systems Description and Operation
Control Module References
Door Switch Inputs
Interior Lamps - SWB
Interior Lamps Controls
Interior Lamps Controls
G302 - 2 of 2
G302 - 1 of 2, G303, and G304
G302 - 2 of 2
Figure 4:

Door Switch Inputs


Object Number: 1594310  Size: FS
Master Electrical Component List
Interior Lighting Systems Description and Operation
Control Module References
Liftgate Module - Switch Inputs
Interior Lamps - LWB
SP205
G302 - 1 of 2, G303, and G304
G302 - 1 of 2, G303, and G304
SP306
Figure 5:

Liftgate Module - Switch Inputs


Object Number: 1594311  Size: FS
Master Electrical Component List
Interior Lighting Systems Description and Operation
Control Module References
Door Switch Inputs
SP306