GM Service Manual Online
For 1990-2009 cars only
Makes
🢒
Chevrolet
🢒
2006
🢒
TrailBlazer - 4WD
🢒
Body
🢒
Wiring Systems
🢒 Interior Lights Dimming Schematics
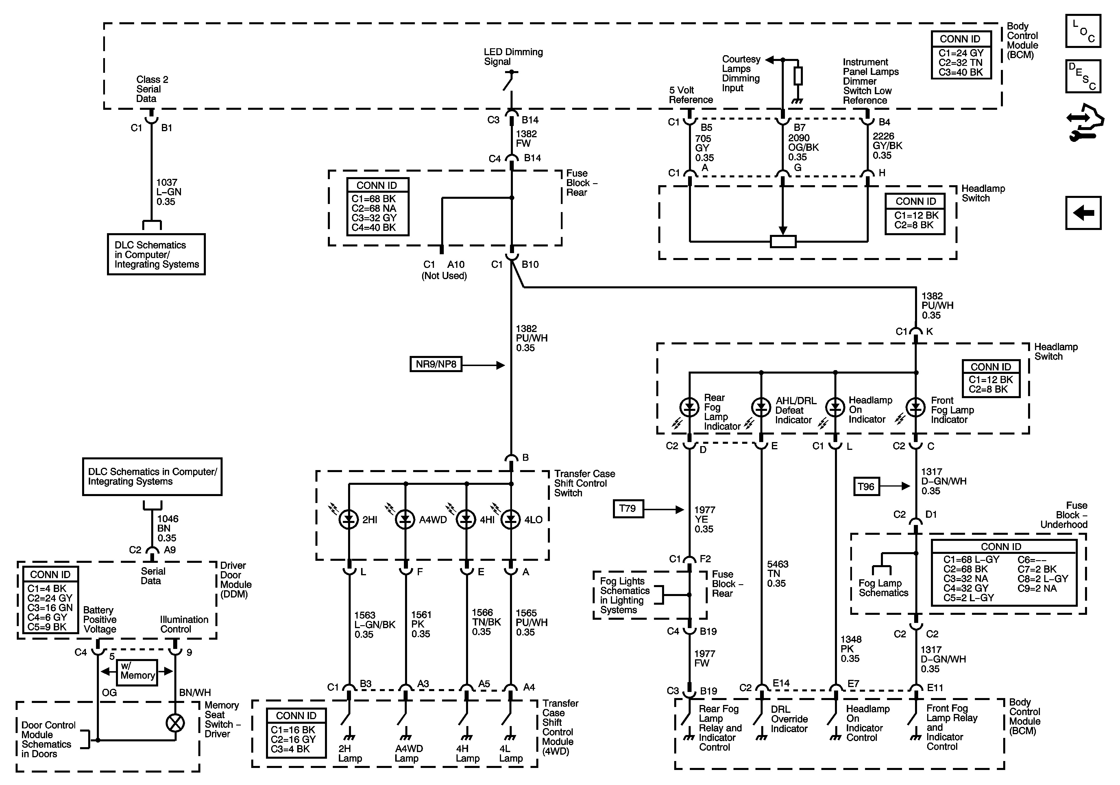
Figure
1:
I/P Dimming Supply 1 of 2
Master Electrical Component List
Interior Lighting Systems Description and Operation
Control Module References
I/P Dimming Supply - 2 of 2
AUX PWR 1, RR HVAC, SUNROOF, TBC 2, TBC 3, TBC 4, TBC 5, and TCM CNSTR Fuses
I/P Dimming Supply - 2 of 2
G302 - 1 of 2, G303, and G304
G302 - 1 of 2, G303, and G304
G302 - 2 of 2
G201 - 1 of 2
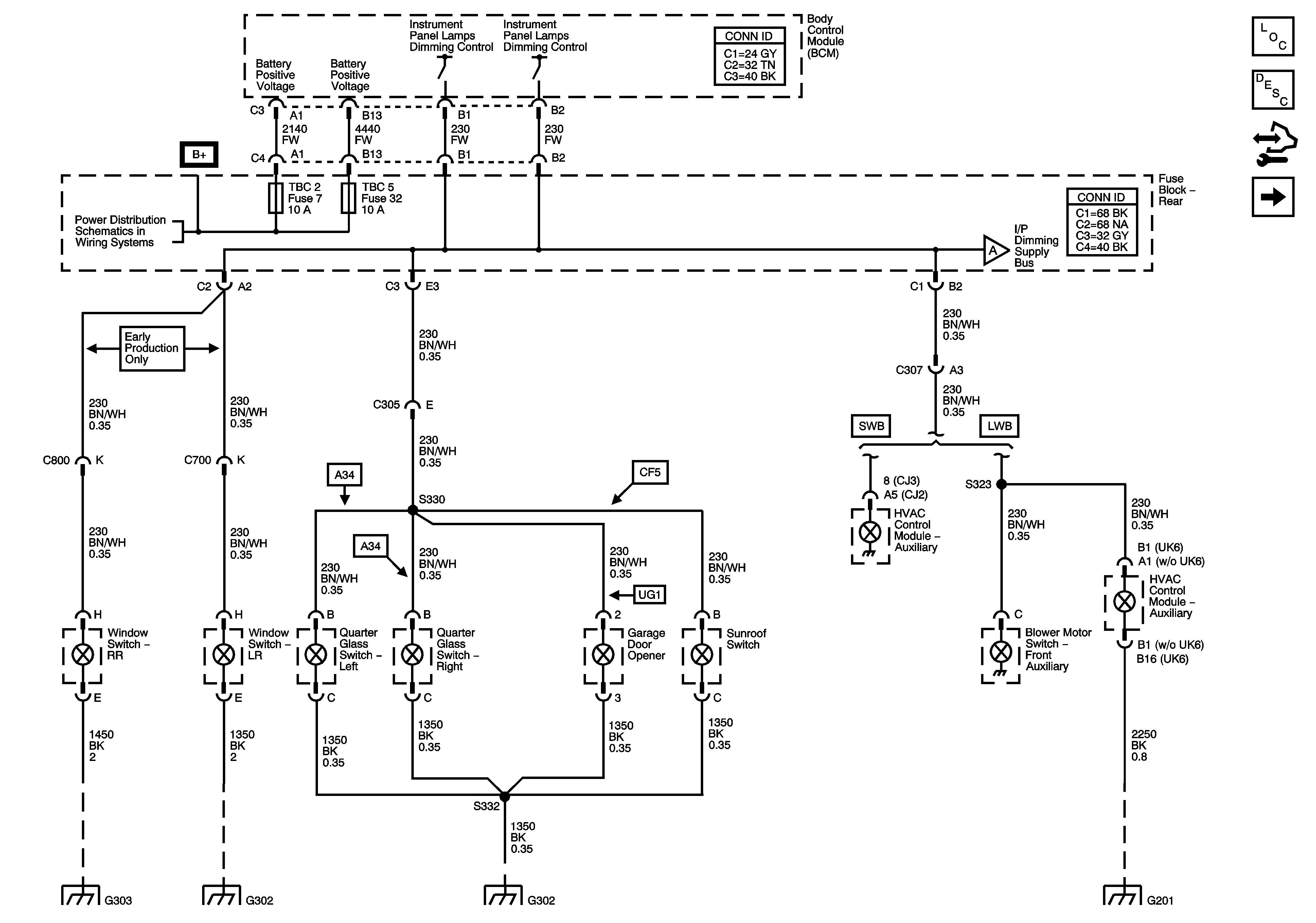
Figure
2:
I/P Dimming Supply 2 of 2
Master Electrical Component List
Interior Lighting Systems Description and Operation
Control Module References
Courtesy Lamp Supply
I/P Dimming Supply 1 of 2
I/P Dimming Supply 1 of 2
Headlamp Switch
Lighting Systems Schematic Icons
G201 - 1 of 2
G201 - 1 of 2
G201 - 2 of 2, and G305
Figure
3:
Courtesy Lamp Supply
Master Electrical Component List
Interior Lighting Systems Description and Operation
Control Module References
I/P Dimming Supply - 2 of 2
SP205
SP306
Powr, Ground, and Subsystem References
Fog Lights Schematics
Fog Lights Schematics