GM Service Manual Online
For 1990-2009 cars only
Makes
🢒
Chevrolet
🢒
2006
🢒
TrailBlazer - 4WD
🢒
Accessories
🢒
Theft Deterrent
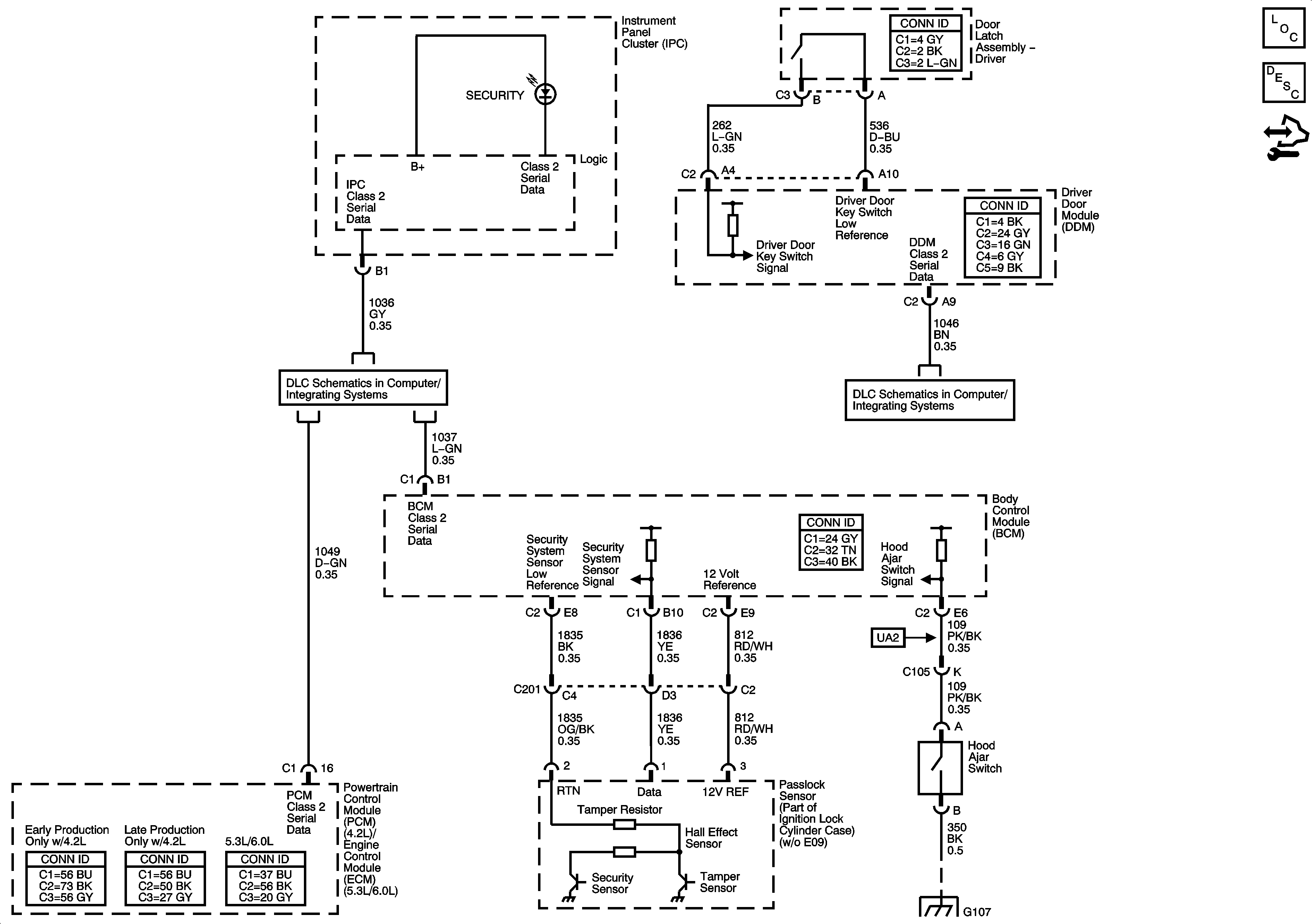
🢒 Theft Deterrent System Schematics
Master Electrical Component List
Theft Systems Description and Operation
Control Module References
SP205
SP306
G104, G105, and G107