GM Service Manual Online
For 1990-2009 cars only
Makes
🢒
Chevrolet
🢒
2006
🢒
TrailBlazer - 4WD
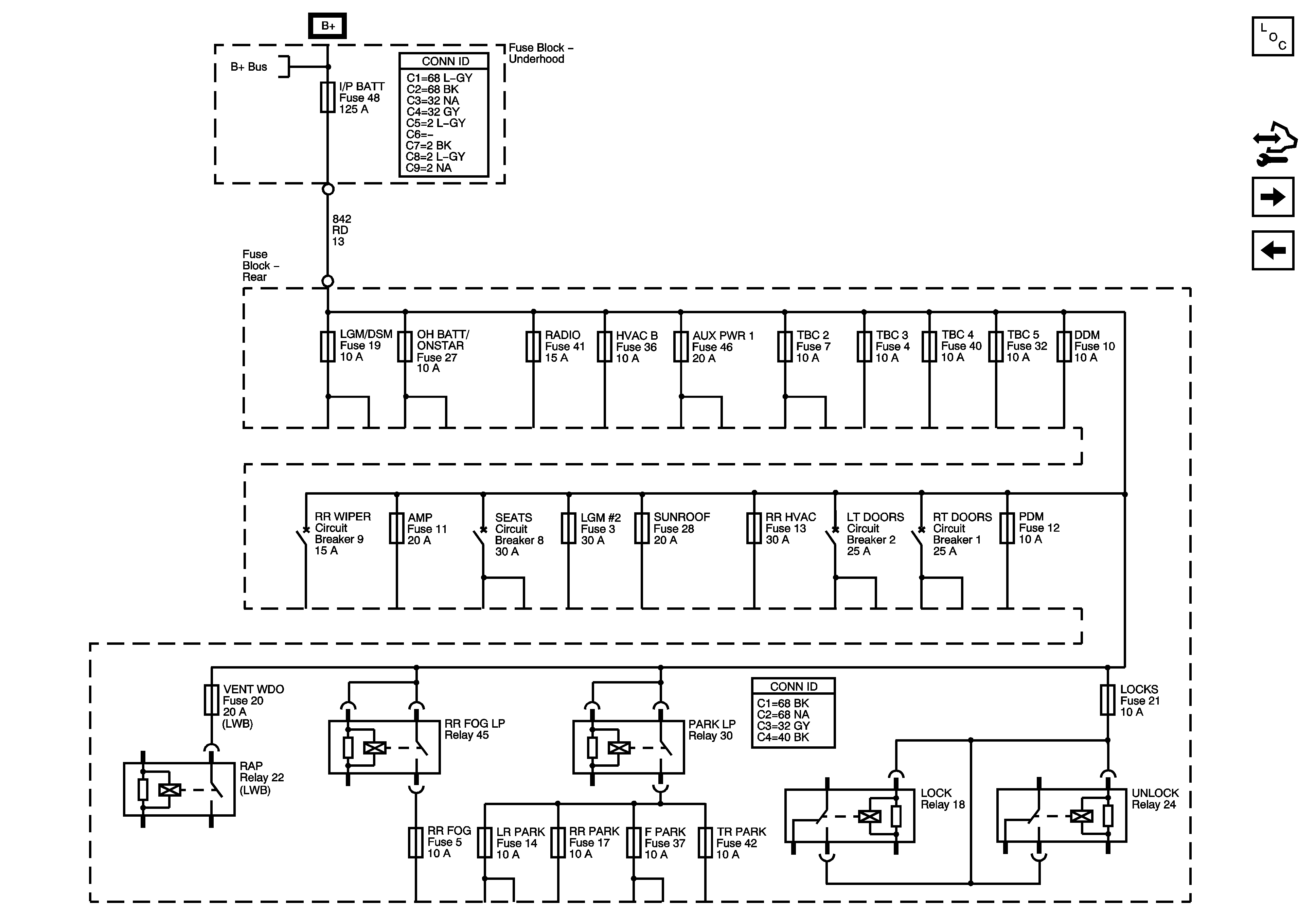
🢒 B+ Bus - Rear Fuse Block
B+ Bus - Rear Fuse Block
B+ Bus - Rear Fuse Block
Master Electrical Component List
Control Module References
ABS, ATC, BLWR, ECAS, ELEC BRK, HAZRD, IPC/DIC, LTR, STOP LAMP, TRLR, VEH CHMSL, VEH STOP, and VSES Fuses
Underhood Fuse Block
Underhood Fuse Block