GM Service Manual Online
For 1990-2009 cars only
Figure 1:

B+ Bus - Underhood Fuse Block


Object Number: 1748043  Size: FS
Master Electrical Component List
Control Module References
B+ Bus - Rear Fuse Block
Figure 2:

B+ Bus - Rear Fuse Block


Object Number: 1748047  Size: FS
Master Electrical Component List
Control Module References
ABS, ATC, BLWR, ECAS, ELEC BRK, HAZRD, IPC/DIC, LTR, RVC, STOP LAMP, TRLR, VEH CHMSL, VEH STOP, and VSES Fuses
B+ Bus - Underhood Fuse Block
B+ Bus - Underhood Fuse Block
Figure 3:

ABS, ATC, BLWR, ECAS, ELEC BRK, HAZRD, IPC/DIC, LTR, STOP LAMP, TRLR, VEH CHMSL, VEH STOP, and VSES Fuses


Object Number: 1748050  Size: FS
Master Electrical Component List
Control Module References
`AIR PUMP, EAP, ECM, HDM, HI HEADLAMP - LT, HI HEADLAMP - RT, IGN COILS, LO HEADLAMP - LT, LO HEADLAMP - RT, PCM B AND TBC I Fuses
B+ Bus - Rear Fuse Block
B+ Bus - Underhood Fuse Block
Figure 4:

AIR PUMP, EAP, ECM HDM, HI HEADLAMP - LT, HI HEADLAMP - RT, IGN COILS, LO HEADLAMP - LT, LO HEADLAMP - RT, PCM B and TBC I Fuses


Object Number: 1748055  Size: FS
Master Electrical Component List
Control Module References
HVAC B, LGM/DSM, OH BATT/ONSTAR, and RADIO Fuses
ABS, ATC, BLWR, ECAS, ELEC BRK, HAZRD, IPC/DIC, LTR, RVC, STOP LAMP, TRLR, VEH CHMSL, VEH STOP, and VSES Fuses
B+ Bus - Underhood Fuse Block
Figure 5:

HVAC B, LGM/DSM, OH BATT/ONSTAR, and RADIO Fuses


Object Number: 1748059  Size: FS
Master Electrical Component List
Control Module References
AUX PWR 1, RR HVAC, SUNROOF, TBC 2, TBC 3, TBC 4, TBC 5, and TCM CNSTR Fuses
`AIR PUMP, EAP, ECM, HDM, HI HEADLAMP - LT, HI HEADLAMP - RT, IGN COILS, LO HEADLAMP - LT, LO HEADLAMP - RT, PCM B AND TBC I Fuses
B+ Bus - Rear Fuse Block
Figure 6:

AWX PWR 1, RR HVAC, SUNROOF, TBC 2, TBC 3, TBC 4, TBC 5, and TCM CNSTR Fuses


Object Number: 1748061  Size: FS
Master Electrical Component List
Control Module References
AMP, DDM, PDM Fuses, LT DOORS, RT DOORS, and SEATS Circuit Breakers
HVAC B, LGM/DSM, OH BATT/ONSTAR, and RADIO Fuses
B+ Bus - Rear Fuse Block
B+ Bus - Rear Fuse Block
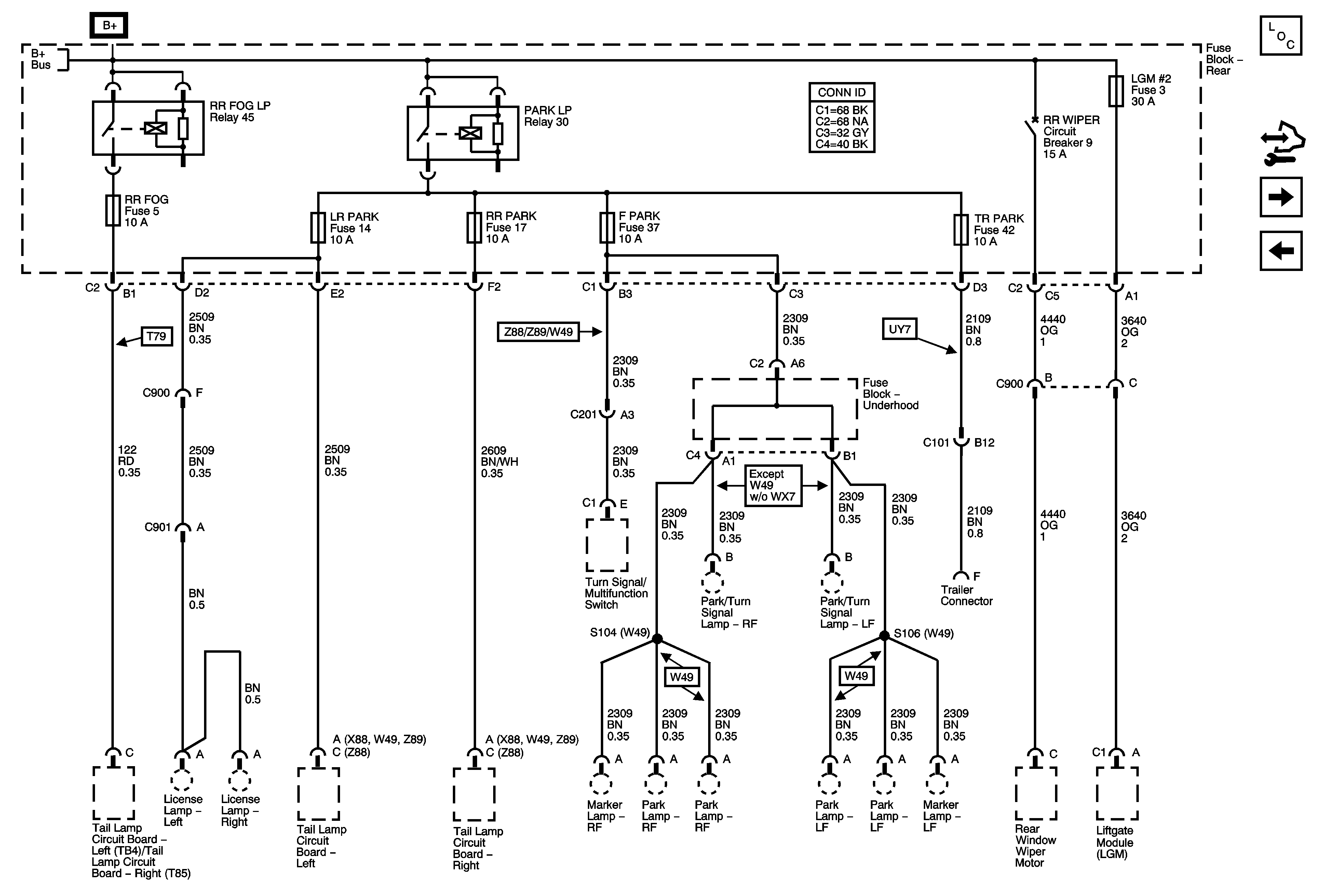
Figure 7:

AMP, DDM, PDM Fuses, LT DOORS, RT DOORS, and SEATS Circuit Breakers


Object Number: 1748063  Size: FS
Master Electrical Component List
Control Module References
F PARK, LGM #2, LR PARK, RR FOG, RR PARK, TR PARK Fuses and RR WIPER Circuit Breaker
AUX PWR 1, RR HVAC, SUNROOF, TBC 2, TBC 3, TBC 4, TBC 5, and TCM CNSTR Fuses
B+ Bus - Rear Fuse Block
Figure 8:

F PARK, LGM #2, LR PARK, RR, FOG, RR PARK, TR PARK, Fuses and RR WIPER Circuit Breaker


Object Number: 1748107  Size: FS
Master Electrical Component List
Control Module References
Ignition Switch - ACCY/RUN/START, RUN, and START Bus Bars, IGN A and CRNK Fuses
AMP, DDM, PDM Fuses, LT DOORS, RT DOORS, and SEATS Circuit Breakers
B+ Bus - Rear Fuse Block
Figure 9:

Ignition Switch - ACCY/RUN/START, RUN, and START Bus Bars, IGN A and CRNK Fuses


Object Number: 1748109  Size: FS
Master Electrical Component List
Control Module References
Ignition Switch - ACCY/RUN, RUN/START Bus Bars and IGN B Fuse
B+ Bus - Underhood Fuse Block
B+ Bus - Underhood Fuse Block
Figure 10:

Ignition Switch - ACCY/RUN, RUN/START, Bus Bars and IGN B Fuse


Object Number: 1748112  Size: FS
Master Electrical Component List
Control Module References
FRT WPR, IGN 0, RAIN, TBC ACC, TBC IG, and TCM Fuses
Ignition Switch - ACCY/RUN/START, RUN, and START Bus Bars, IGN A and CRNK Fuses
B+ Bus - Underhood Fuse Block
Figure 11:

FRT WPR, IGN 0, RAIN, TBC ACC, TBC IG, and TCM Fuses


Object Number: 1748114  Size: FS
Master Electrical Component List
Control Module References
BCK/UP, BTSI, IGN E, TBC IGN 1, and TRLR BCK/UP Fuses
Ignition Switch - ACCY/RUN, RUN/START Bus Bars and IGN B Fuse
Figure 12:

BCK/UP, BTSI, IGN E, TBC IGN 1, and TRLR BCK/UP Fuses


Object Number: 1748116  Size: FS
Master Electrical Component List
Control Module References
AIR SOL and PCMI Fuses - 4.2L
FRT WPR, IGN 0, RAIN, TBC ACC, TBC IG, and TCM Fuses
Ignition Switch - ACCY/RUN, RUN/START Bus Bars and IGN B Fuse
Ignition Switch - ACCY/RUN, RUN/START Bus Bars and IGN B Fuse
Figure 13:

AIR SOL and PCMI Fuses - 4.2L


Object Number: 1748118  Size: FS
Master Electrical Component List
Control Module References
4WD, AIRBAG, ECMI, HVAC, and TRANS Fuses
BCK/UP, BTSI, IGN E, TBC IGN 1, and TRLR BCK/UP Fuses
Ignition Switch - ACCY/RUN, RUN/START Bus Bars and IGN B Fuse
Figure 14:

4WD, AIRBAG, ECMI, HVAC, and TRANS Fuses


Object Number: 1748120  Size: FS
Master Electrical Component List
Control Module References
BRAKE, HVAC I, and TBC RUN Fuses
AIR SOL and PCMI Fuses - 4.2L
Ignition Switch - ACCY/RUN, RUN/START Bus Bars and IGN B Fuse
Ignition Switch - ACCY/RUN/START, RUN, and START Bus Bars, IGN A and CRNK Fuses
Power and Grounding Schematic Icons
Figure 15:

BRAKE, HVAC I, and TBC RUN Fuses


Object Number: 1748121  Size: FS
Master Electrical Component List
Control Module References
ETC and O2 SNSR Fuses - 4.2L
4WD, AIRBAG, ECMI, HVAC, and TRANS Fuses
Ignition Switch - ACCY/RUN/START, RUN, and START Bus Bars, IGN A and CRNK Fuses
Figure 16:

ETC, and O2 SNSR Fuses - 4.2L


Object Number: 1748123  Size: FS
Master Electrical Component List
Control Module References
ENG 1, ETC, INJA, INJB, O2 SNSR A, O2 SNSR B Fuses - 5.3L/6.0L
BRAKE, HVAC I, and TBC RUN Fuses
B+ Bus - Underhood Fuse Block
Figure 17:

ENG I, ETC, INJA, INJB, O2 SNSR A, O2 SNSR B Fuses - 5.3L/6.0L


Object Number: 1748124  Size: FS
Master Electrical Component List
Control Module References
LT TURN, RT TURN, TRLR LT TRN, and TRLR RT TRN Fuses
ETC and O2 SNSR Fuses - 4.2L
B+ Bus - Underhood Fuse Block
Figure 18:

LT TURN, RT TURN, TRLR LT TRN, and TRLR RT TRN Fuses


Object Number: 1748127  Size: FS
Master Electrical Component List
Control Module References
ENG 1, ETC, INJA, INJB, O2 SNSR A, O2 SNSR B Fuses - 5.3L/6.0L