| Figure 1: |
Module Power, Ground, Serial Data, and Blower Motor
|
| Figure 2: |
Compressor Controls
|
| Figure 3: |
Air Delivery/Temperature Actuators
|
| Figure 4: |
Air Temperature Sensors
|
| Figure 5: |
Ambient Light/Sunload Sensors
|
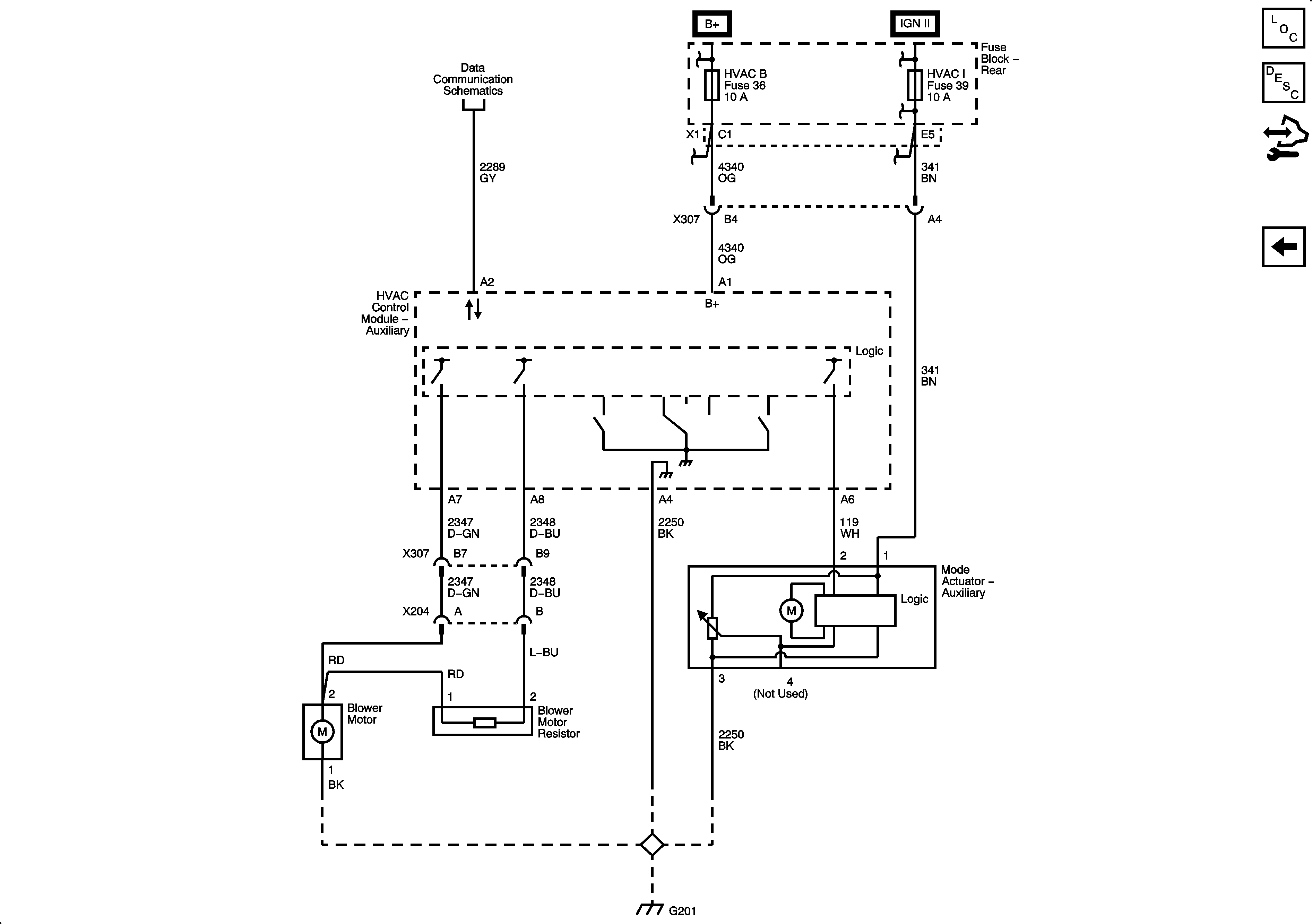
| Figure 6: |
Rear Auxiliary Controls
|