GM Service Manual Online
For 1990-2009 cars only
Figure 1:

G101, G103, G106, and G110


Object Number: 1924026  Size: FS
Master Electrical Component List
Control Module References
G102
Figure 2:

G102


Object Number: 1924040  Size: FS
Master Electrical Component List
Control Module References
G104, G105, and G107
G101, G103, G106, and G110
Figure 3:

G104, G105, and G107


Object Number: 1924041  Size: FS
Master Electrical Component List
Control Module References
G108
G102
Figure 4:

G108


Object Number: 1924046  Size: FS
Master Electrical Component List
Control Module References
G109
G104, G105, and G107
Figure 5:

G109


Object Number: 1924050  Size: FS
Master Electrical Component List
Control Module References
G201 - 1 of 2
G108
Figure 6:

G201 - 1 of 2


Object Number: 1924052  Size: FS
Master Electrical Component List
Control Module References
G201 - 2 of 2, and G305
G109
Figure 7:

G201 - 2 of 2, and G305


Object Number: 1924053  Size: FS
Master Electrical Component List
Control Module References
G302 - 1 of 2, G303, and G304
G201 - 1 of 2
Figure 8:

G302 - 1 of 2, G303, and G304


Object Number: 1924055  Size: FS
Master Electrical Component List
Control Module References
G302 - 2 of 2
G201 - 2 of 2, and G305
Figure 9:

G302 - 2 of 2


Object Number: 1924064  Size: FS
Master Electrical Component List
Control Module References
G306 - CF5
G302 - 1 of 2, G303, and G304
Figure 10:

G306 - CF5


Object Number: 1924094  Size: FS
Master Electrical Component List
Control Module References
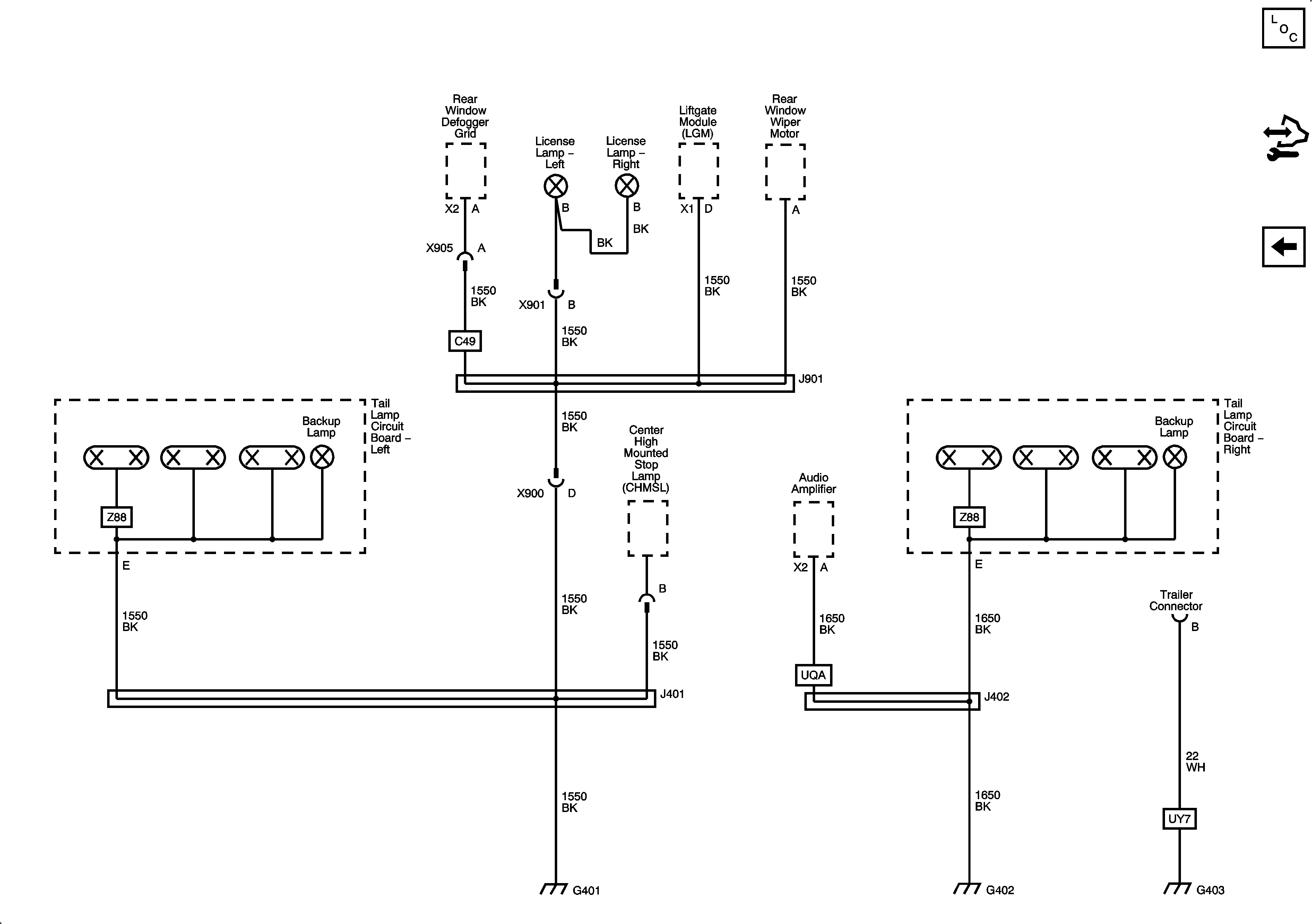
G401, G402, and G403
G302 - 2 of 2
Figure 11:

G401, G402, and G403


Object Number: 1924122  Size: FS
Master Electrical Component List
Control Module References
G306 - CF5