GM Service Manual Online
For 1990-2009 cars only
Makes
🢒
Chevrolet
🢒
2008
🢒
TrailBlazer - 4WD
🢒
Driver Information and Entertainment
🢒
Cellular, Entertainment, and Navigation
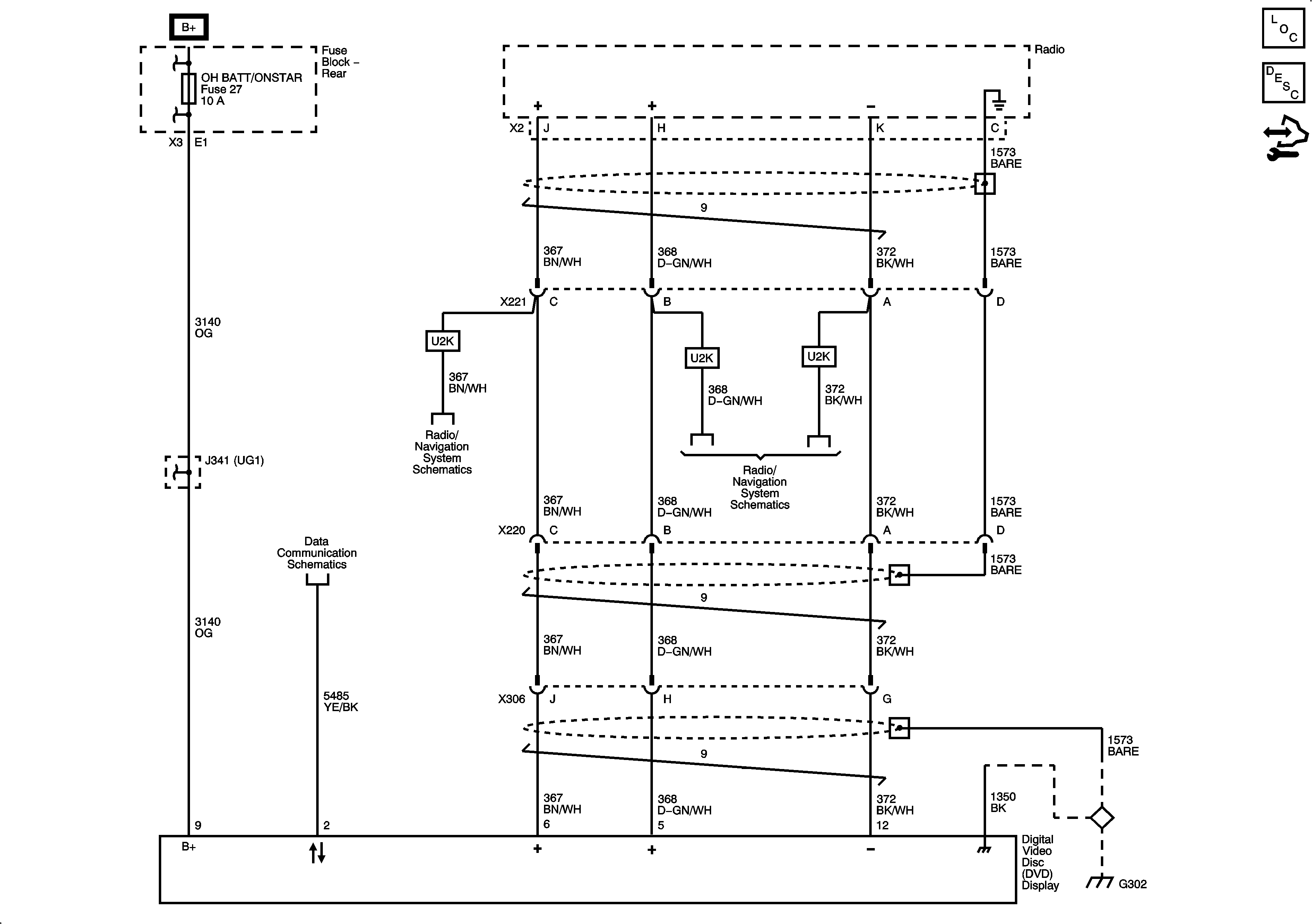
🢒 Video System Schematics
Master Electrical Component List
Video Entertainment System Description and Operation
Control Module References