GM Service Manual Online
For 1990-2009 cars only
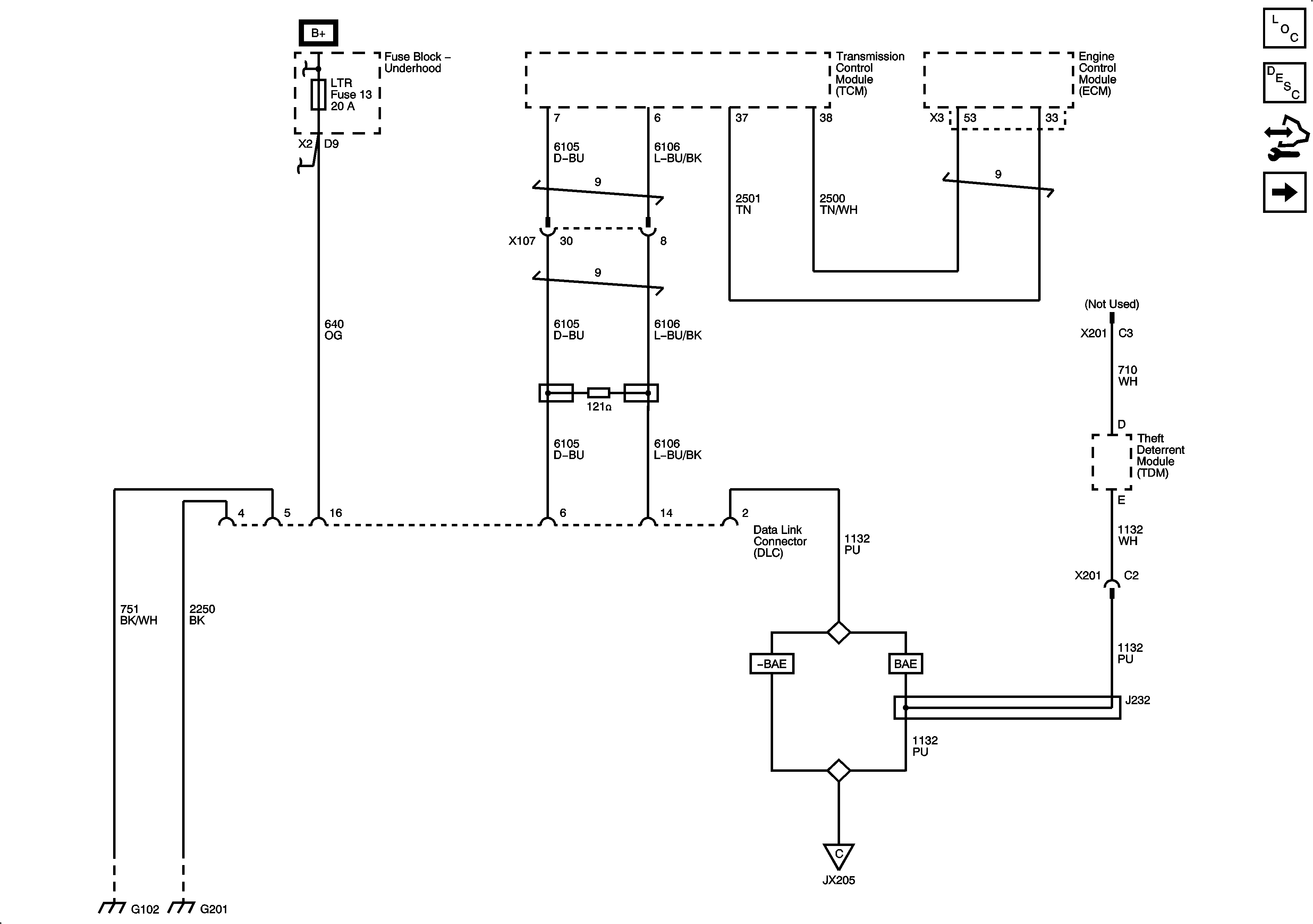
Figure 1:

Power, Ground, and Data Link Connector


Object Number: 2081869  Size: FS
Master Electrical Component List
Figure 2:

SP205


Object Number: 2081895  Size: FS
Master Electrical Component List
Figure 3:

SP306


Object Number: 2081902  Size: FS
Master Electrical Component List