GM Service Manual Online
For 1990-2009 cars only
Figure 1:

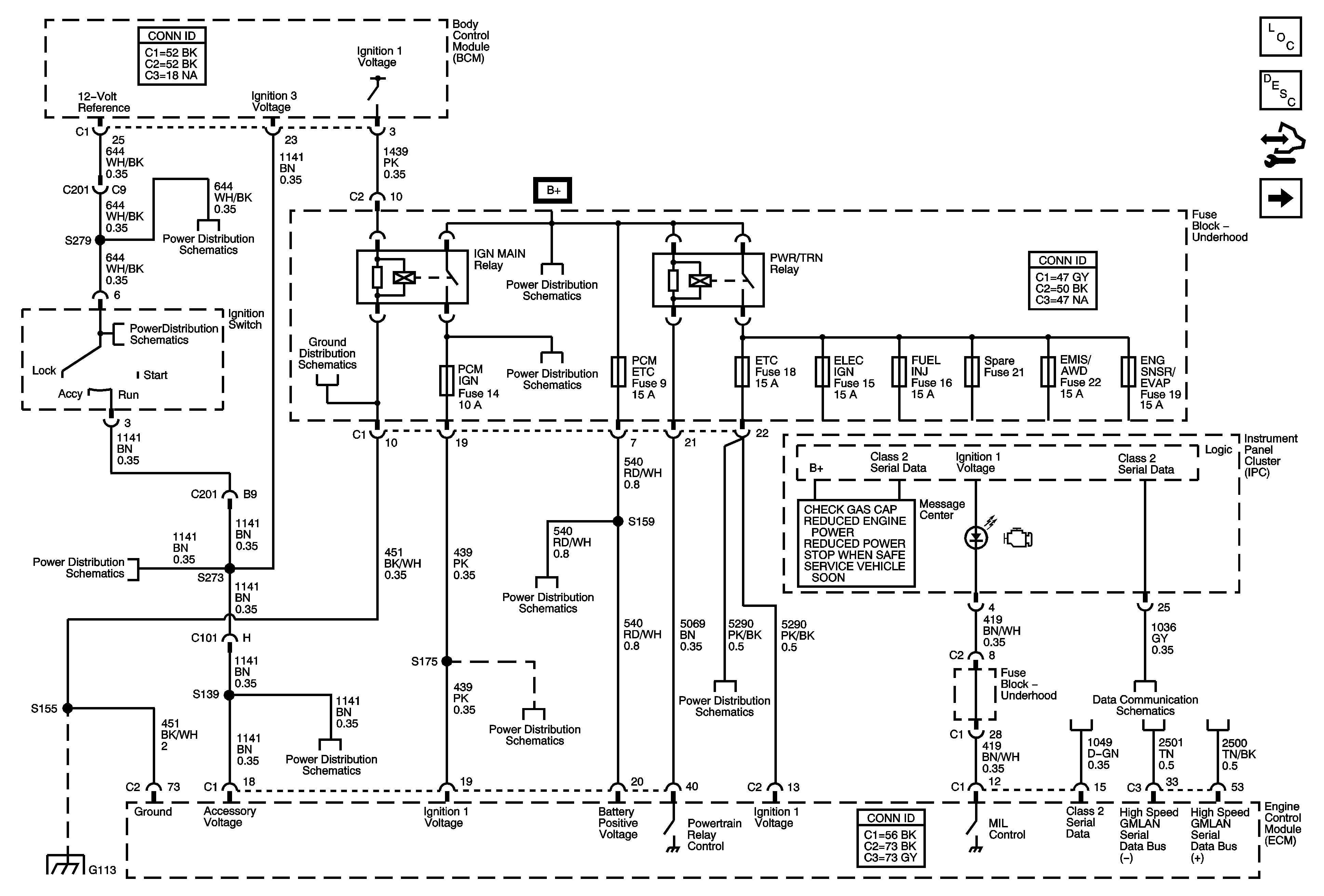
Module Power, Ground, Serial Data, and MIL


Object Number: 1740026  Size: FS
Master Electrical Component List
Engine Control Module Description
Control Module References
Engine Data Sensors - 5-Volt and Low Reference
Ignition Switch
Ignition Switch
Ignition Switch
Ignition Switch
G102, G113 and G115
G102, G113 and G115
B+ Bus
ABS, AIRBAG, CRUISE/SWTCH, HVAC/RPA/CRUISE, PCM IGN, and TRANS SOLS Fuses
ABS MOTOR, AC/DC INVRTR, AUX/PWR 12VDC, FRT WSW, and PCM ETC Fuses
ABS, AIRBAG, CRUISE/SWTCH, HVAC/RPA/CRUISE, PCM IGN, and TRANS SOLS Fuses
ELEC IGN, ENG SNSR/EVAP, ETC, FRT BLWR HI, and FUEL INJ Fuses
Data Communication Schematics
Figure 2:

Engine Data Sensors - 5-Volt and Low Reference


Object Number: 1740029  Size: FS
Master Electrical Component List
Engine Control Module Description
Control Module References
Engine Data Sensors - Pressure, Temperature, Extended Brake Travel, and VSS
Module Power, Ground, Serial Data, and MIL
Figure 3:

Engine Data Sensors - Pressure, Temperature, Extended Brake Travel, and VSS


Object Number: 1740030  Size: FS
Master Electrical Component List
Engine Control Module Description
Control Module References
Engine Data Sensors - Oxygen Sensors
Engine Data Sensors - 5-Volt and Low Reference
Module Power, Ground, Serial Data, and MIL
ELEC IGN, ENG SNSR/EVAP, ETC, FRT BLWR HI, and FUEL INJ Fuses
ELEC IGN, ENG SNSR/EVAP, ETC, FRT BLWR HI, and FUEL INJ Fuses
Gages, Ground, and Power
G102, G113 and G115
Park/Turn and Stop/Turn Signal Lamps
Ground, Power, Shift Solenoids, Stop Lamp Switch, TCC, and TFT
Driver Inputs, Indicators
Figure 4:

Engine Data Sensors - Oxygen Sensors


Object Number: 1740033  Size: FS
Master Electrical Component List
Engine Control Module Description
Control Module References
Engine Data Sensors - Throttle Actuator Controls
Engine Data Sensors - Pressure, Temperature, Extended Brake Travel, and VSS
Module Power, Ground, Serial Data, and MIL
ELEC IGN, ENG SNSR/EVAP, ETC, FRT BLWR HI, and FUEL INJ Fuses
Figure 5:

Engine Data Sensors - Throttle Actuator Controls


Object Number: 1740034  Size: FS
Master Electrical Component List
Throttle Actuator Control (TAC) System Description
Control Module References
Ignition Controls and Camshaft Control
Engine Data Sensors - Oxygen Sensors
Figure 6:

Ignition Controls and Camshaft Control


Object Number: 1740035  Size: FS
Master Electrical Component List
Electronic Ignition (EI) System Description
Control Module References
Fuel Controls - Fuel Pump Controls
Engine Data Sensors - Throttle Actuator Controls
Module Power, Ground, Serial Data, and MIL
ELEC IGN, ENG SNSR/EVAP, ETC, FRT BLWR HI, and FUEL INJ Fuses
Figure 7:

Fuel Controls - Fuel Pump Controls


Object Number: 1740036  Size: FS
Master Electrical Component List
Fuel System Description
Control Module References
Fuel Controls - Fuel Injectors
Ignition Controls and Camshaft Control
G102, G113 and G115
B+ Bus
Gages, Ground, and Power
G102, G113 and G115
G301
Figure 8:

Fuel Controls - Fuel Injectors


Object Number: 1740038  Size: FS
Master Electrical Component List
Fuel System Description
Control Module References
Fuel Controls - EVAP Controls and Manifold Tuning
Fuel Controls - Fuel Pump Controls
Module Power, Ground, Serial Data, and MIL
Figure 9:

EVAP Controls and Manifold Tuning


Object Number: 1740039  Size: FS
Master Electrical Component List
Intake Manifold Tuning Valve System Description
Control Module References
Controlled/Monitored Subsystem References
Fuel Controls - Fuel Injectors
CNSTR/VENT, CLSTR/HVAC, INT/LAMP, ONSTAR, and RDO Fuses
Gages, Ground, and Power
Module Power, Ground, Serial Data, and MIL
ELEC IGN, ENG SNSR/EVAP, ETC, FRT BLWR HI, and FUEL INJ Fuses
ELEC IGN, ENG SNSR/EVAP, ETC, FRT BLWR HI, and FUEL INJ Fuses
G102, G113 and G115
Figure 10:

Controlled/Monitored Subsystem References


Object Number: 1740040  Size: FS
Master Electrical Component List
Engine Control Module Description
Control Module References
Fuel Controls - EVAP Controls and Manifold Tuning
A/C Compressor Controls
Engine Cooling Schematics
Driver Inputs, Indicators
Internal Mode Switch
Starting
Charging
Indicators, ISS, Pressure Control, Serial Data, and VSS
Indicators and Lighting
Cruise Control Schematics