GM Service Manual Online
For 1990-2009 cars only

Removal Procedure


    Object Number: 1548548  Size: SH
  1. Remove the HVAC module. Refer to HVAC Module Assembly Replacement .
  2. Remove the evaporator temperature sensor connector (1) from the case.

  3. Object Number: 1548546  Size: SH
  4. Remove the air inlet housing bolts/screws (1).

  5. Object Number: 1548550  Size: SH
  6. Remove the air inlet housing.

  7. Object Number: 1548542  Size: SH
  8. Remove the right side HVAC module bracket bolts/screws (1).
  9. Remove the right side HVAC module bracket (2).

  10. Object Number: 1548543  Size: SH

    Important: The upper HVAC module bolt/screw is located under the right HVAC module bracket.

  11. Remove the upper HVAC module bolt/screw.

  12. Object Number: 1548531  Size: SH
  13. Remove the HVAC module to dash panel sound barrier seal (1).

  14. Object Number: 1547644  Size: SH
  15. Remove the heater outlet duct bolts/screws.
  16. Remove the heater outlet duct.

  17. Object Number: 1547693  Size: SH
  18. Remove the heater core cover bolts/screws (1).
  19. Remove the heater core cover (2).

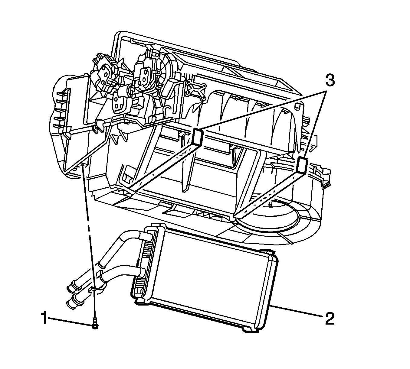
  20. Object Number: 1547694  Size: SH
  21. Remove the heater core pipe bolt/screw (1).
  22. Remove the heater core (2).

  23. Object Number: 1547696  Size: SH
  24. Remove the lower HVAC module bolts/screws (1).
  25. Separate the HVAC module case halves.

  26. Object Number: 1548532  Size: SH
  27. Remove the air temperature actuator bolts/screws (1).
  28. Remove the air temperature actuator (2).
  29. Remove the air temperature actuator lever (3).
  30. Remove the air temperature door (4).

Installation Procedure


    Object Number: 1548532  Size: SH
  1. Install the air temperature door (4).
  2. Important: The actuator lever can only be inserted into the door one way.

  3. Install the air temperature actuator lever (3).
  4. Install the air temperature actuator (2).
  5. Notice: Refer to Fastener Notice in the Preface section.

  6. Install the air temperature actuator bolts/screws (1).
  7. Tighten
    Tighten the bolts/screws to 1.2 N·m (11 lb in).


    Object Number: 1547696  Size: SH

    Important: Align the temperature sensor wire with the opening in the upper HVAC case. Improper alignment will pinch and/or cut the sensor wire.

  8. Align and install the upper module case to the lower module case.
  9. Install the lower HVAC module bolts/screws (1).
  10. Tighten
    Tighten the bolts/screws to 1.2 N·m (11 lb in).


    Object Number: 1547694  Size: SH
  11. Install the heater core (2).
  12. Install the heater core pipe bolt/screw (1).
  13. Tighten
    Tighten he bolts/screws to 1.2 N·m (11 lb in).


    Object Number: 1547693  Size: SH
  14. Install the heater core cover (2).
  15. Install the heater core cover bolts/screws (1).
  16. Tighten
    Tighten the bolts/screws to 1.2 N·m (11 lb in).


    Object Number: 1547644  Size: SH
  17. Install the heater outlet duct.
  18. Install the heater outlet duct bolts/screws.
  19. Tighten
    Tighten the bolts/screws to 1.2 N·m (11 lb in).


    Object Number: 1548531  Size: SH
  20. Install the HVAC module to dash panel sound barrier seal (1).

  21. Object Number: 1548543  Size: SH
  22. Install the upper HVAC module bolt/screw.
  23. Tighten
    Tighten the bolt/screw to 1.2 N·m (11 lb in).


    Object Number: 1548542  Size: SH
  24. Install the right side HVAC module bracket (2).
  25. Install the right side HVAC module bracket bolts/screws (1).
  26. Tighten
    Tighten the bolts/screws to 1.4 N·m (12 lb in).


    Object Number: 1548550  Size: SH
  27. Install the air inlet housing.

  28. Object Number: 1548546  Size: SH
  29. Install the air inlet housing bolts/screws (1).
  30. Tighten
    Tighten the bolt/screw to 1.2 N·m (11 lb in).


    Object Number: 1548548  Size: SH
  31. Install the evaporator temperature sensor connector (1) to the case.
  32. Install the HVAC module. Refer to HVAC Module Assembly Replacement .
  33. Re-calibrate the actuators. Refer to Actuator Recalibration .