GM Service Manual Online
For 1990-2009 cars only
Makes
🢒
Chevrolet
🢒
2005
🢒
Uplander Ext.
🢒
HVAC
🢒
HVAC Systems - Manual
🢒 HVAC Schematics
Figure
1:
Front Blower Control, Ground, and Power
Master Electrical Component List
Air Delivery Description and Operation
Control Module References
Air Delivery and Temperature Control
CAN VENT, CLSTR/HVAC, INT/LAMP, ONSTAR, and RADIO AMP Fuses
Control, I/P and Passenger Door Lamps
DLC Schematics
B+ Bus
G102, G113 and G115
G102, G113 and G115
ABS, AIRBAG, CRUISE/SWTCH, HVAC/RPA/CRUISE, PCM IGN, and TRANS SOLS Fuses
Auxiliary Blower Controls - C69
G200 1 of 2
G200 2 of 2
G200 1 of 2
G200 1 of 2
Figure
2:
Air Delivery and Temperature Control
Master Electrical Component List
Air Delivery Description and Operation
Control Module References
A/C Compressor Controls
Front Blower Control, Ground, and Power
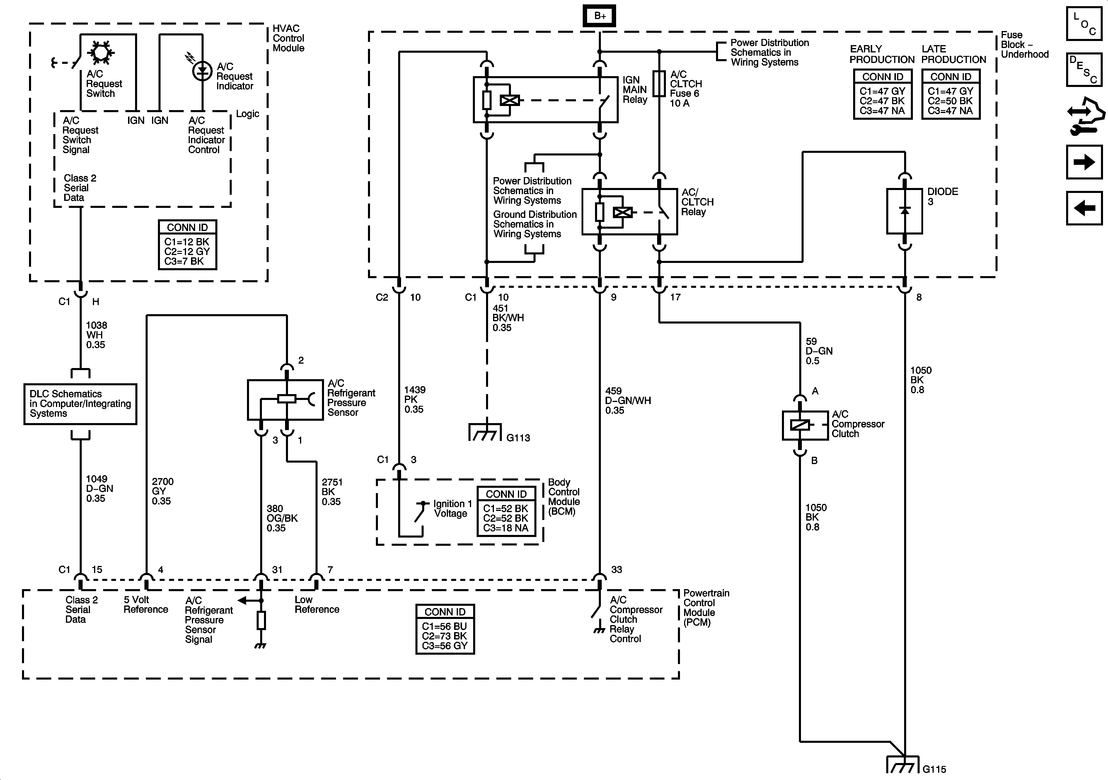
Figure
3:
A/C Compressor Controls
Master Electrical Component List
Air Temperature Description and Operation
Control Module References
Auxiliary Blower Controls - C69
Air Delivery and Temperature Control
B+ Bus
ABS, AIRBAG, CRUISE/SWTCH, HVAC/RPA/CRUISE, PCM IGN, and TRANS SOLS Fuses
G102, G113 and G115
DLC Schematics
G102, G113 and G115
G102, G113 and G115
Figure
4:
Auxiliary Blower Controls - C69
Master Electrical Component List
Air Delivery Description and Operation
Control Module References
A/C Compressor Controls
Front Blower Control, Ground, and Power
DLC Schematics
G401