GM Service Manual Online
For 1990-2009 cars only
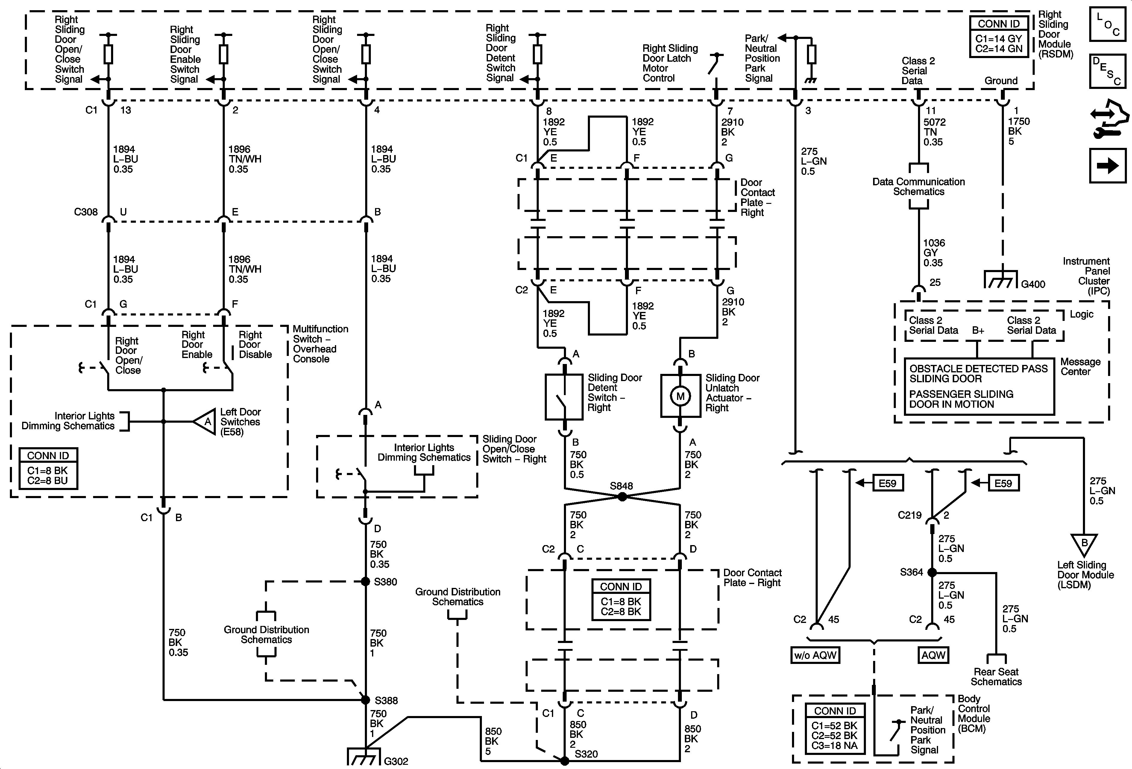
Figure 1:

Right Door Controls


Object Number: 1740124  Size: FS
Master Electrical Component List
Power Sliding Door (PSD) Description and Operation
Control Module References
Right Door Motor
Control, I/P, Passenger Door, and Steering Wheel Lamps
Left Door Controls
Data Communication Schematics
G400
G302 - 2 of 2
Left Door, Right B-Pillar, and Roof Lamps
G302 - 1 of 2
G302 - 1 of 2
Left Door Controls
Sit-N-Lift Seat Door and PNP Interlocks, and Remote
Figure 2:

Right Door Motor


Object Number: 1740125  Size: FS
Master Electrical Component List
Power Sliding Door (PSD) Description and Operation
Control Module References
Left Door Controls
Right Door Controls
CHMSL BCK/UP, PRK LAMP, PWR SLD DR, and RFA MDLS Fuses
BATT MAIN 2, HTD/SEATS, LT PWR SLD DR, PWR/MIR UGDO, RT PWR SLD DR, Sit-N-Lift Seat, and STOP/TRN Fuses, PWR SEATS and Sit-N-Lift Circuit Breaker
CHMSL BCK/UP, PRK LAMP, PWR SLD DR, and RFA MDLS Fuses
Figure 3:

Left Door Controls


Object Number: 1740126  Size: FS
Master Electrical Component List
Power Sliding Door (PSD) Description and Operation
Control Module References
Left Door Motor
Right Door Motor
Right Door Controls
Left Door, Right B-Pillar, and Roof Lamps
Data Communication Schematics
G401
Right Door Controls
G301
Figure 4:

Left Door Motor


Object Number: 1740127  Size: FS
Master Electrical Component List
Power Sliding Door (PSD) Description and Operation
Control Module References
Left Door Controls
CHMSL BCK/UP, PRK LAMP, PWR SLD DR, and RFA MDLS Fuses
BATT MAIN 2, HTD/SEATS, LT PWR SLD DR, PWR/MIR UGDO, RT PWR SLD DR, Sit-N-Lift Seat, and STOP/TRN Fuses, PWR SEATS and Sit-N-Lift Circuit Breaker
CHMSL BCK/UP, PRK LAMP, PWR SLD DR, and RFA MDLS Fuses