GM Service Manual Online
For 1990-2009 cars only
Makes
🢒
Chevrolet
🢒
2007
🢒
Uplander Ext.
🢒
Diagnostic Navigation
🢒
Vehicle Diagnostic Information
🢒 Radio/Navigation System Schematics
Figure
1:
Antennas, Ground, Power, and Subsystem References
Master Electrical Component List
Radio/Audio System Description and Operation
Control Module References
DVD and Satellite Audio Sources
CNSTR/VENT, CLSTR/HVAC, INT/LAMP, ONSTAR, and RDO Fuses
Steering Wheel Controls
Data Communication Schematics
OnStar Schematics
Gages, Ground, and Power
G201
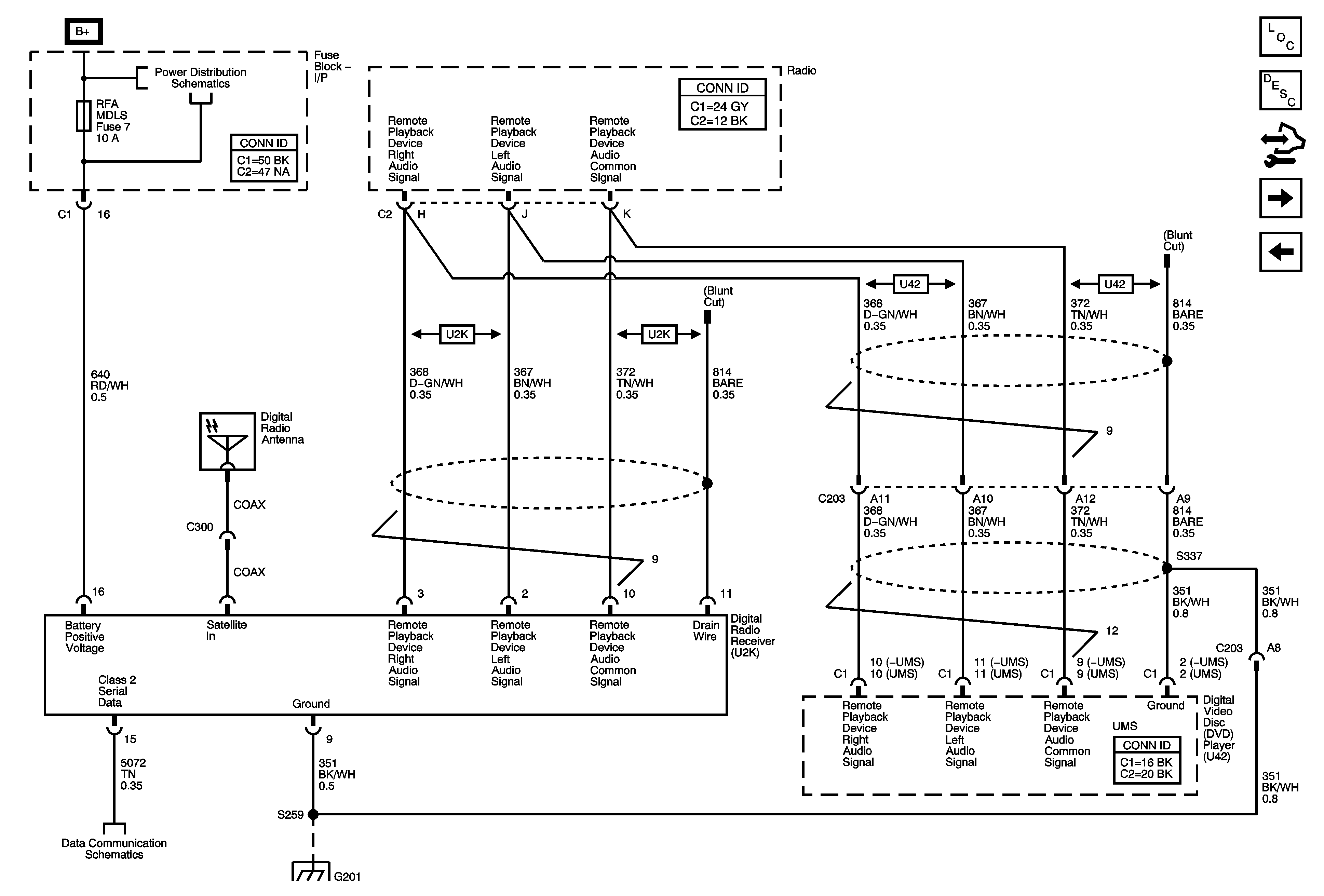
Figure
2:
DVD and Satellite Audio Sources
Master Electrical Component List
Radio/Audio System Description and Operation
Control Module References
Front Speakers
Antennas, Ground, Power, and Subsystem References
CHMSL BCK/UP, PRK LAMP, PWR SLD DR, and RFA MDLS Fuses
Data Communication Schematics
G201
Figure
3:
Front Speakers
Master Electrical Component List
Radio/Audio System Description and Operation
Control Module References
Rear Speakers
DVD and Satellite Audio Sources
Figure
4:
Rear Speakers
Master Electrical Component List
Radio/Audio System Description and Operation
Control Module References
Front Speakers
Figure
5:
Steering Wheel Controls
Master Electrical Component List
Radio/Audio System Description and Operation
Control Module References
Entertainment Schematic Icons