GM Service Manual Online
For 1990-2009 cars only
Makes
🢒
Chevrolet
🢒
2007
🢒
Uplander Ext.
🢒
Body Systems
🢒
Lighting
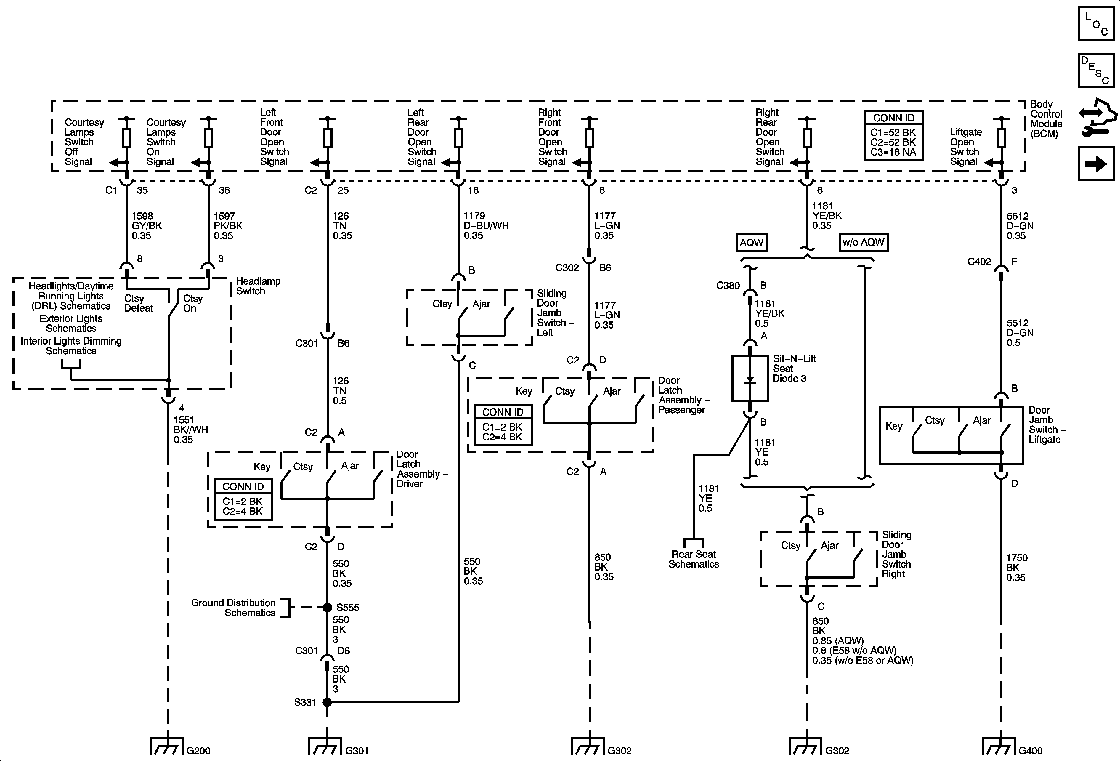
🢒 Interior Lights Schematics
Figure
1:
Switches
Master Electrical Component List
Interior Lighting Systems Description and Operation
Control Module References
Lamps
Headlights
Park, Marker, and License Lamps
Control, I/P, Passenger Door, and Steering Wheel Lamps
Left Door Controls
G301
G302 - 1 of 2
Sit-N-Lift Seat Door and PNP Interlocks, and Remote
G302 - 2 of 2
Right Door Controls
G400
Figure
2:
Lamps
Master Electrical Component List
Interior Lighting Systems Description and Operation
Control Module References
Switches
CNSTR/VENT, CLSTR/HVAC, INT/LAMP, ONSTAR, and RDO Fuses
G302 - 2 of 2
G302 - 1 of 2