GM Service Manual Online
For 1990-2009 cars only
Makes
🢒
Chevrolet
🢒
2007
🢒
Uplander Ext.
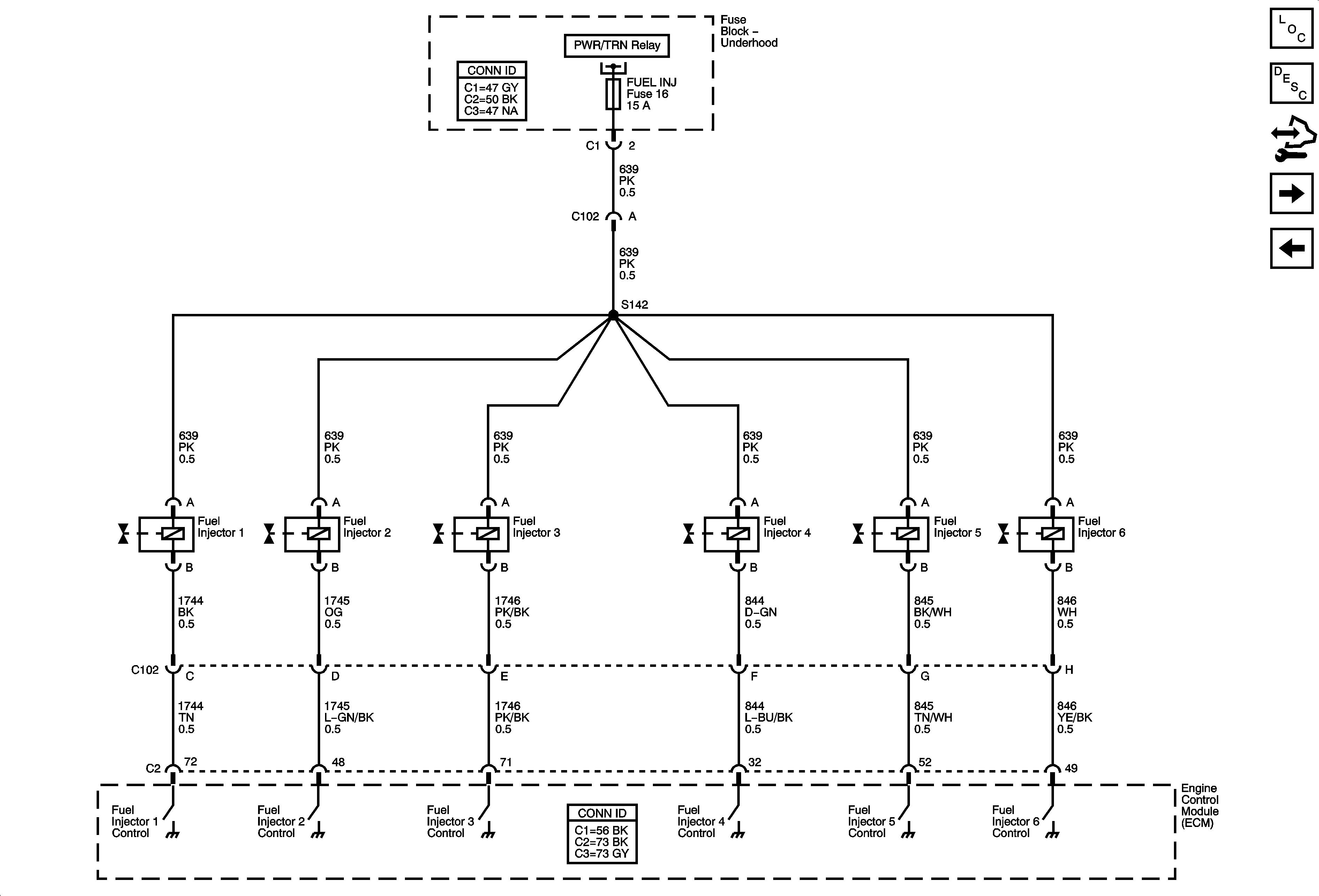
🢒 Fuel Controls - Fuel Injectors
Fuel Controls - Fuel Injectors
Fuel Controls - Fuel Injectors
Master Electrical Component List
Fuel System Description
Control Module References
Fuel Controls - EVAP Controls and Manifold Tuning
Fuel Controls - Fuel Pump Controls
Module Power, Ground, Serial Data, and MIL