GM Service Manual Online
For 1990-2009 cars only
Makes
🢒
Chevrolet
🢒
2006
🢒
Uplander - 4WD
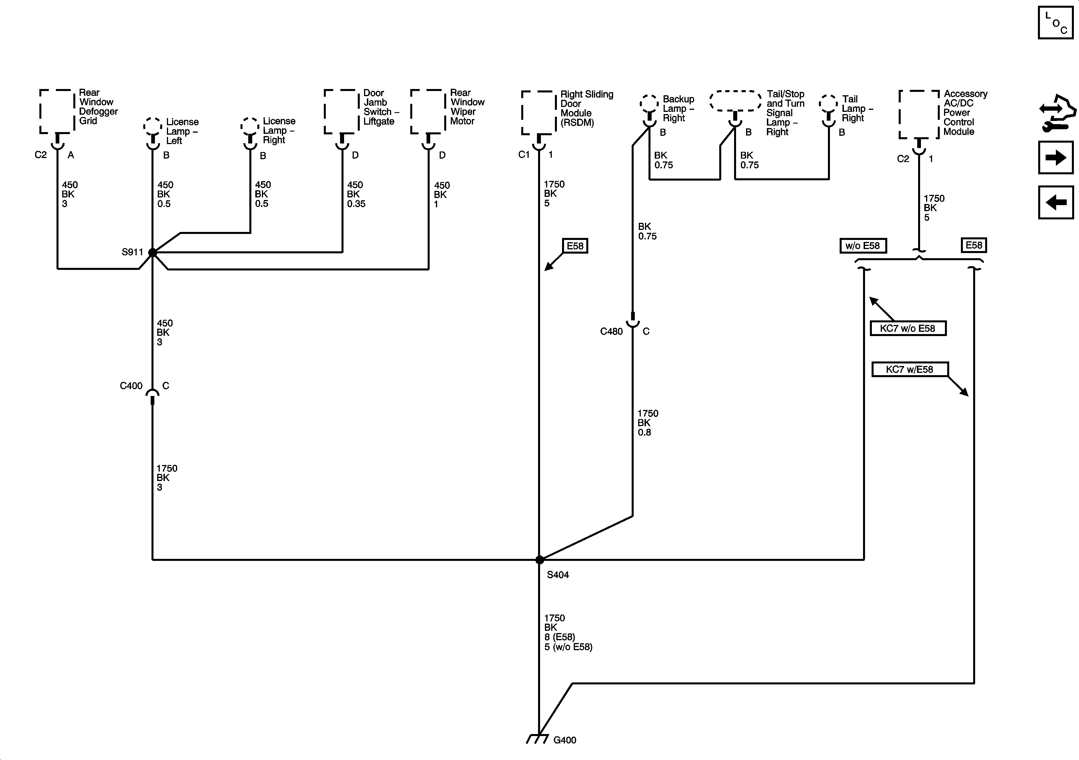
🢒 G400
G400
G400
Master Electrical Component List
Control Module References
G401
G302 - 2 of 2