GM Service Manual Online
For 1990-2009 cars only
Makes
🢒
Chevrolet
🢒
2001
🢒
Venture
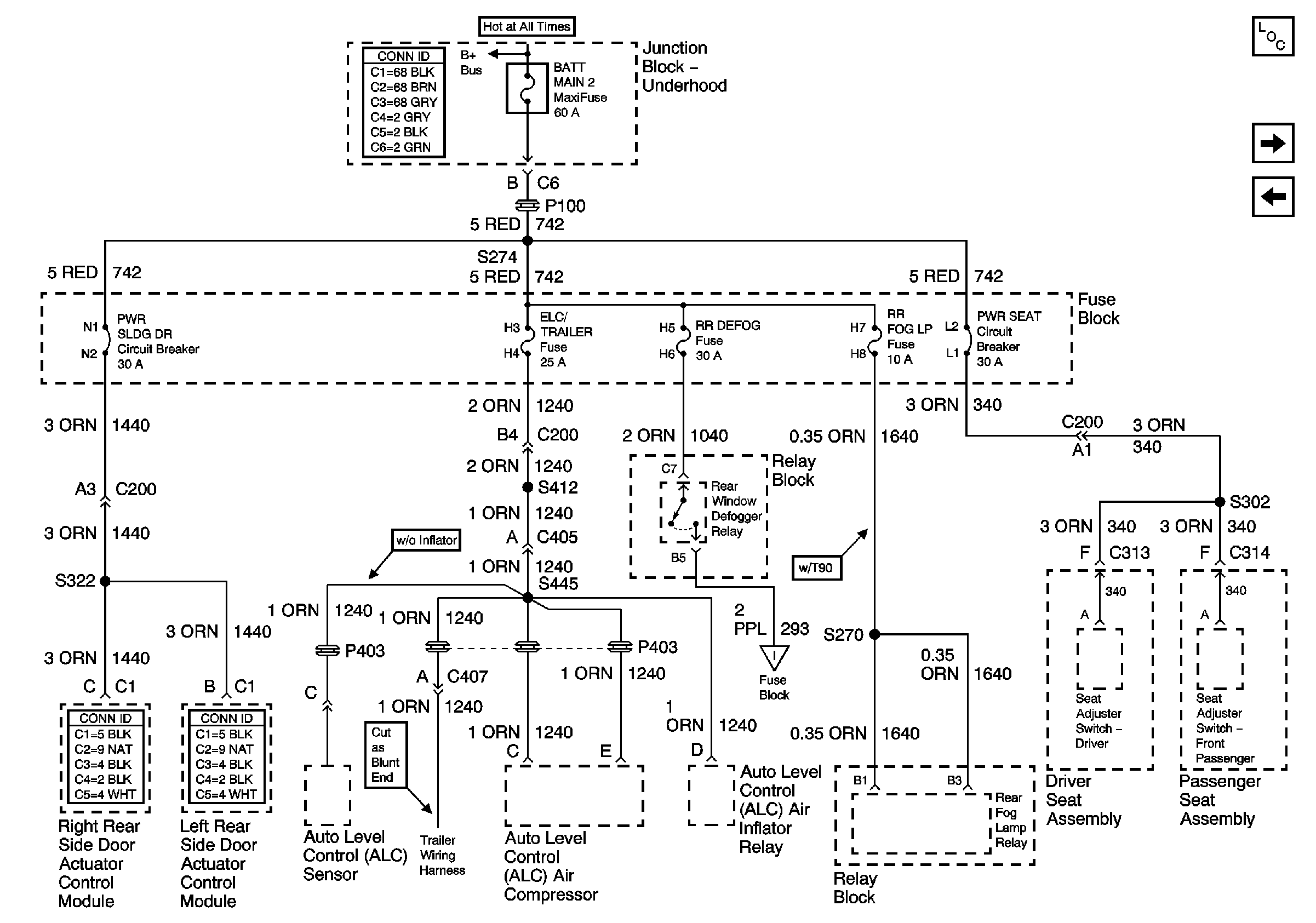
🢒 BATT MAIN 2, ELC/TRAILER, RR DEFOG, RR FOG LP Fuses and PWR/HEATED SEAT PSD Circuit Breaker
BATT MAIN 2, ELC/TRAILER, RR DEFOG, RR FOG LP Fuses and PWR/HEATED SEAT PSD Circuit Breaker
BATT MAIN 2, ELC/TRAILER, RR DEFOG, RR FOG LP Fuses and PWR/HEATED SEAT PSD Circuit Breaker
SWC BACKLIGHT and HTD MIRROR Fuses
Master Electrical Component List
Junction Block - Underhood, STOPLAMP, HAZARD, PASSKEY, FRT HVAC HI BLWR and HEADLAMP Circuit Breakers
BATT MAIN 1, CLUSTER BATT, RR PWR SCKT, PWR LOCK, RAP RELAY, CTSY LAMP, CTSY LAMP, ONSTAR, CIGAR DLC/APO FRT, and PWR MIRROR Fuses